电脑桌面
添加小米粒文库到电脑桌面
安装后可以在桌面快捷访问

土壤电阻率的测量方法VIP免费

土壤电阻率的测量方法_第1页
1/6
土壤电阻率的测量方法_第2页
2/6
土壤电阻率的测量方法_第3页
3/6
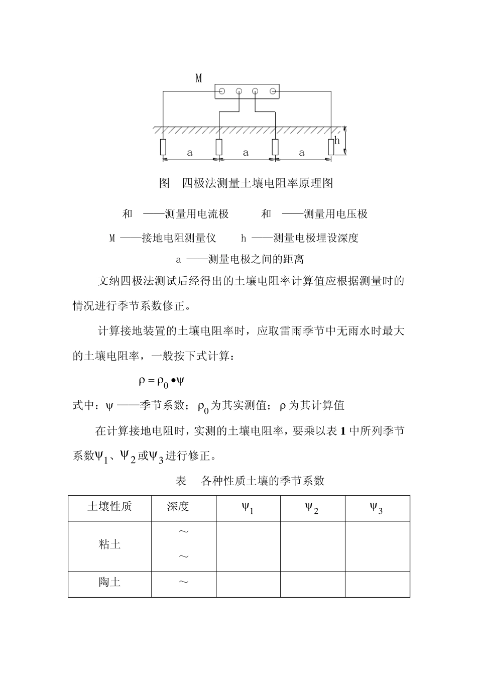
土壤电阻率的测量 土壤电阻率的测量通常采用文纳四极法和模拟法。 一、文纳四极法 当被测接地装置的最大对角线D 较大,或在某些地区(山区或城区)按要求布置电流极和电压极有困难时,可以利用变电所的一回输电线的两相导线作为电流线和电压线。四极是指被测接地装置G、测量用的电流极C 和电压极P 以及辅助电极S。辅助电极S 离被测接地装置边缘的距离dGS=30~100m。图1 是测量土壤电阻率的四极法的原理接线图,两电极之间的距离a 应等于或大于电极埋设深度h 的20 倍,即a≥20h。由接地电阻测量仪的测量值R,得到被测场地的视在土壤电阻率 ρ =2π aR (1) 测量电极建议用直径不小于1.5cm 的圆钢或<25×25×4 的角钢,其长度均不小于40cm。 被测场地土壤中的电流场的深度,即被测土壤的深度,与极间距离a 有密切关系。当被测场地的面积较大时,极间距离a 应相应地增大。 为了得到较合理的土壤电阻率的数据,最好改变极间距离a,求得视在土壤电阻率ρ 与极间距离a 之间的关系曲线ρ =f(a),极间距离的取值可为5、10、15、20、30、40m、⋯,最大的极间距离amax 可取拟建接地装置最大对角线的三分之二。 图1 四极法测量土壤电阻率原理图C P P C1122MC1P1P2C2aaahC1和 ——测量用电流极C2P1和 ——测量用电压极P2M ——接地电阻测量仪h ——测量电极埋设深度a ——测量电极之间的距离 文纳四极法测试后经得出的土壤电阻率计算值应根据测量时的情况进行季节系数修正。 计算接地装置的土壤电阻率时,应取雷雨季节中无雨水时最大的土壤电阻率,一般按下式计算: 0 式中: ——季节系数;0 为其实测值;  为其计算值 在计算接地电阻时,实测的土壤电阻率,要乘以表 1 中所列季节系数1 、2 或3 进行修正。 表 1 各种性质土壤的季节系数 土壤性质 深度/m 1 2 3 粘土 0.5~0.8 0.8~0.3 3 2 2 1.5 1.5 1.4 陶土 0~2 2.4 1.4 1.2 砂砾盖陶土 0~2 1.8 1.2 1.1 园地 0~3 1.3 1.2 黄沙 0~2 2.4 1.6 1.2 杂以黄沙的砂砾 0~2 1.5 1.3 1.2 泥炭 0~2 1.4 1.1 1.0 石灰石 0~2 2.5 1.5 1.2 注:1 —测量前数天下过较长时间的雨,土壤很潮湿时用之; 2 —测量时土壤较潮湿,具有中等含水量时用之; 3 —测量时土壤干燥或测量前降雨不大时用之。 二、模拟法 模拟法又叫三极法,其中的三极是指图 2 上的被测接地装...

1、当您付费下载文档后,您只拥有了使用权限,并不意味着购买了版权,文档只能用于自身使用,不得用于其他商业用途(如 [转卖]进行直接盈利或[编辑后售卖]进行间接盈利)。
2、本站所有内容均由合作方或网友上传,本站不对文档的完整性、权威性及其观点立场正确性做任何保证或承诺!文档内容仅供研究参考,付费前请自行鉴别。
3、如文档内容存在违规,或者侵犯商业秘密、侵犯著作权等,请点击“违规举报”。

碎片内容

土壤电阻率的测量方法

您可能关注的文档

确认删除?
VIP
微信客服
  • 扫码咨询
会员Q群
  • 会员专属群点击这里加入QQ群
客服邮箱
回到顶部