电脑桌面
添加小米粒文库到电脑桌面
安装后可以在桌面快捷访问

基础接地隐蔽VIP免费

基础接地隐蔽_第1页
1/19
基础接地隐蔽_第2页
2/19
基础接地隐蔽_第3页
3/19
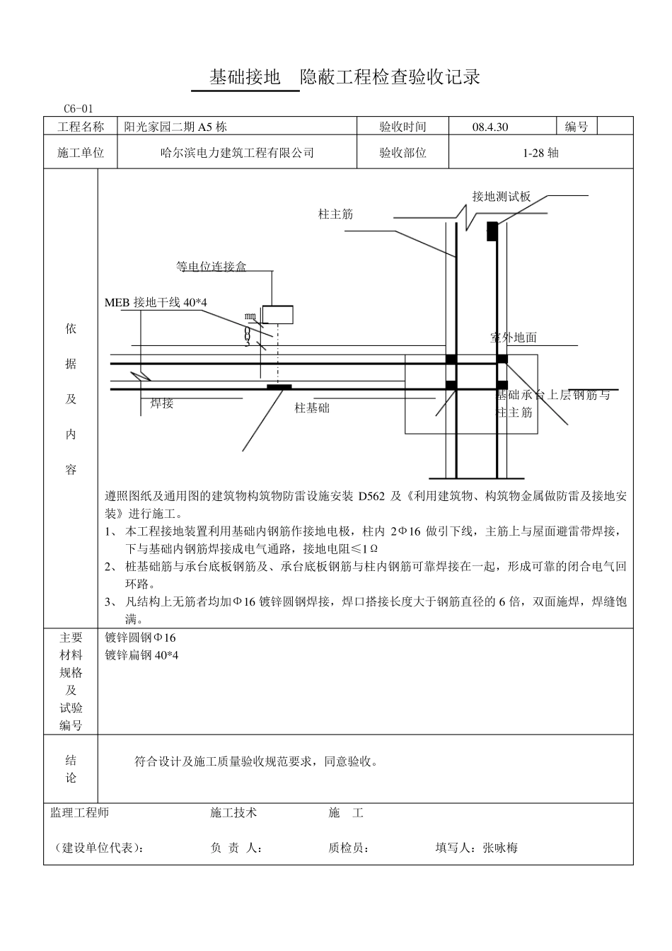
基 础 接 地 隐 蔽 工 程 检 查 验 收 记 录 C6-01 工 程 名 称 阳 光 家 园 二 期 A5 栋 验 收 时 间 08.4.30 编 号 施 工 单 位 哈 尔 滨 电 力 建 筑 工 程 有 限 公 司 验 收 部 位 1-28 轴 依 据 及 内 容 接 地 测 试 板 柱 主 筋 等 电 位 连 接 盒 M EB 接 地 干 线 40*4 室 外 地 面 柱 基 础 遵 照 图 纸 及 通 用 图 的 建 筑 物 构 筑 物 防 雷 设 施 安 装D562 及 《 利 用 建 筑 物 、 构 筑 物 金 属 做 防 雷 及 接 地 安装 》 进 行 施 工 。 1、 本 工 程 接 地 装 置 利 用 基 础 内 钢 筋 作 接 地 电 极 , 柱 内2Ф 16 做 引 下 线 , 主 筋 上 与 屋 面 避 雷 带 焊 接 ,下 与 基 础 内 钢 筋 焊 接 成 电 气 通 路 , 接 地 电 阻 ≤ 1Ω 2、 桩 基 础 筋 与 承 台 底 板 钢 筋 及 、 承 台 底 板 钢 筋 与 柱 内 钢 筋 可 靠 焊 接 在 一 起 , 形 成 可 靠 的 闭 合 电 气 回环 路 。 3、 凡 结 构 上 无 筋 者 均 加 Ф 16 镀 锌圆钢 焊 接 , 焊 口搭接 长度大于钢 筋 直径的 6 倍, 双面 施 焊 , 焊 缝饱满。 主 要 材料 规格 及 试 验 编 号 镀 锌圆钢 Φ16 镀 锌扁钢 40*4 结 论 符合 设 计及 施 工 质量验 收 规范要求, 同意验 收 。 监理 工 程 师 施 工 技 术 施 工 ( 建 设 单 位 代 表 ): 负 责 人 : 质检 员 : 填 写 人 : 张 咏 梅 焊 接 300㎜ 基 础 承 台 上 层 钢 筋 与柱 主 筋 等电位联结 隐蔽工程检查验收记录 C6-01 工程名称 哈尔滨电业局动力职工住宅4#楼 验收时间 08.5.19 编号 施工单位 哈尔滨电力建筑工程有限公司 验收部位 等电位联结 依 据 及 内 容 1、遵照图纸及国标 02D 501-2《等电位联结安装》进行施工 2、总等电位箱距地 0.3 米安装,等电位联结线采用镀锌扁钢 40*4 与接地装置直接连接,电源进户的金属外皮和水暖专业进出建筑物的金属管道在入户端均与总等电位端子连接。 3、本工程设局部等电位,等电位箱设在每层每个卫生间内,局部等电位箱距地 0.3 米。 4、总等电位联结...

1、当您付费下载文档后,您只拥有了使用权限,并不意味着购买了版权,文档只能用于自身使用,不得用于其他商业用途(如 [转卖]进行直接盈利或[编辑后售卖]进行间接盈利)。
2、本站所有内容均由合作方或网友上传,本站不对文档的完整性、权威性及其观点立场正确性做任何保证或承诺!文档内容仅供研究参考,付费前请自行鉴别。
3、如文档内容存在违规,或者侵犯商业秘密、侵犯著作权等,请点击“违规举报”。

碎片内容

基础接地隐蔽

您可能关注的文档

确认删除?
VIP
微信客服
  • 扫码咨询
会员Q群
  • 会员专属群点击这里加入QQ群
客服邮箱
回到顶部