电脑桌面
添加小米粒文库到电脑桌面
安装后可以在桌面快捷访问

堤防水土保持方案VIP免费

堤防水土保持方案_第1页
1/43
堤防水土保持方案_第2页
2/43
堤防水土保持方案_第3页
3/43
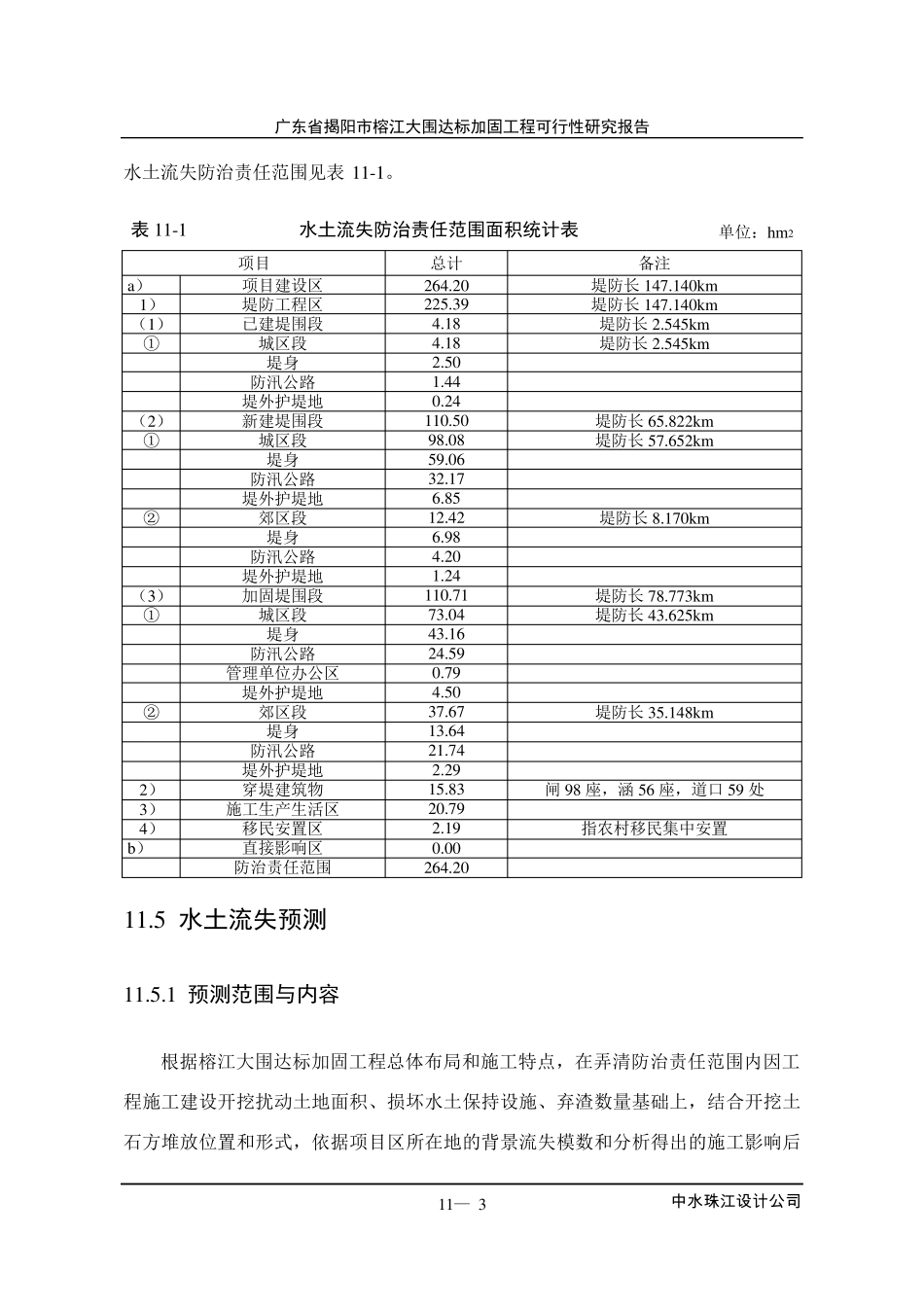
广东省揭阳市榕江大围达标加固工程可行性研究报告 中水珠江设计公司 11— 1 11 水土保持 11.1 概述 广东省揭阳市榕江大围达标加固工程位于揭阳市城区和揭东县,由东山曲溪围、榕城渔湖围、梅仙围和磐岭围四个独立堤围组成,工程任务是防洪、防潮、排涝,保护土地总面积约 300km2,保护人口 141.11 万人,设计防洪(潮)标准为 50 年一遇。工程由堤防和穿堤建筑物等组成。堤防全长 147.140km,其中,已建 2.545km、新建 65.822km 和加固 78.773km;穿堤建筑物排水涵闸 154 座、电排站 8 座(已建),加固道口 59 处,拆除(封堵)水涵 9 座;工程土石方开挖、拆除 147.38 万 m3(实方为 126.38 万 m3),开挖方回填利用 126.38 万 m3(实方),外购土石方 440.30 万m3;总占地 264.20hm2,其中工程永久占地 241.22hm2,临时占地 20.79hm2,移民安置用地 2.19hm2;拆迁安置 1385 户 6442 人。工程总工期(从施工准备期开始)38个月,其中主体工程施工期 36 个月,由 2007 年 12 月开始施工,至 2010 年 11 月底完成。 11.2 项目区水土流失及其防治状况 项目区属南亚热带季风气候区,多年平均降雨量 1765mm。工程区位于南方红壤丘陵区中的岭南平原丘陵区,水土流失容许值为 500t/(km2·a);根据广东省人民政府“三区”公告,项目区属广东省水土流失重点监督区。 项目区地处榕江“港湾式”三角洲平原腹地,土壤由榕江冲积物发育而成,主要土壤类型为水稻土。工程区一带有草皮覆盖,零星分布高大乔木、灌木,主要树种包括相思树、榕树、木麻黄、桉树、竹等,林草覆盖率在30%左右。项目区主要土壤侵蚀类型为水蚀,尤以面蚀表现,侵蚀强度为微度。据调查,工程区现无专项水广东省揭阳市榕江大围达标加固工程可行性研究报告 中水珠江设计公司 11— 2 土保持设施。 11.3 工程主体水土保持评价 工程主体从堤线布置、基础处理、局部堤身结构设计等方面进行了多方案比选,从水土保持角度看来,其推荐方案各项水土保持指标较优,更有利于水土保持。 工程开挖方完全利用,不存在弃渣。 工程土石料填筑及砂石料等在尽可能利用开挖方基础上向外购买。根据揭东县国土资源规划,项目区附近有曲溪镇陈寮村土料场、新亨镇娥形山土料场和云路镇宝山石料场,可提供项目建设所需要土、石料。从地方政府统一规划的土料、石料场购买工程建设所需要土、石料,有利于减少开采场的数量和开采破坏区域...

1、当您付费下载文档后,您只拥有了使用权限,并不意味着购买了版权,文档只能用于自身使用,不得用于其他商业用途(如 [转卖]进行直接盈利或[编辑后售卖]进行间接盈利)。
2、本站所有内容均由合作方或网友上传,本站不对文档的完整性、权威性及其观点立场正确性做任何保证或承诺!文档内容仅供研究参考,付费前请自行鉴别。
3、如文档内容存在违规,或者侵犯商业秘密、侵犯著作权等,请点击“违规举报”。

碎片内容

堤防水土保持方案

您可能关注的文档

确认删除?
VIP
微信客服
  • 扫码咨询
会员Q群
  • 会员专属群点击这里加入QQ群
客服邮箱
回到顶部