电脑桌面
添加小米粒文库到电脑桌面
安装后可以在桌面快捷访问

塔吊安装专项方案VIP专享VIP免费

塔吊安装专项方案_第1页
1/23
塔吊安装专项方案_第2页
2/23
塔吊安装专项方案_第3页
3/23
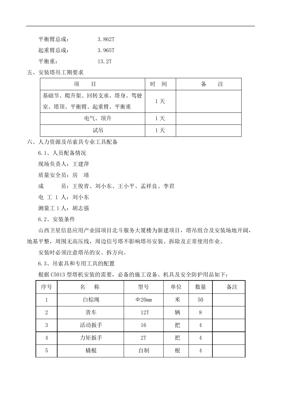
塔式起重机安装方案 一、编制依据 1.1、生产厂家提供的《产品说明书》; 1.2 、 山 西 省 住 房 与 城 乡 建 筑 厅 主 编 的 《 建 筑 工 程 施 工 安全 资 料 管 理 规 程 》DBJ04/T289-2011 1.3、《建筑塔式起重机安全操作规程》GB5144-2006 1.4、《建筑机械使用安全技术规程》JGJ33-2012 1.5、《起重吊运指挥信号》GB5082-1985 1.6、《建筑施工塔式起重机安装、使用、拆卸安全技术规程》JGJ196-2010 1.7、《施工现场临时用电安全技术规范》JGJ46-2005 1.8、《建筑工程施工安全管理标准》DBJ04-253-2007 1.9、《建筑施工安全检查标准》JGJ59-2011 1.10、 施工单位的《施工组织设计》 二、工程概况 2.1、建筑设计概况 本工程北斗服务大厦位于山西省晋中市榆次区文华街以南,龙湖大街以北。为一类高层建筑,建筑面积共计 40847.71 ㎡,平面呈倒 L 形布置。由高层塔楼及裙房两部分组成,高层塔楼地下一层,地上十六层(局部十七层),东西轴线长45.0 米,南北轴线宽33.6 米,建筑高度65.45m,占地面积 1608.42 ㎡。地下一层,地下层高 5.10 米,地下建筑面积 1608.42㎡;裙房地上四层,东西轴线长78.0 米,南北轴线宽54.9 米,建筑高度18.65m,占地面积3150.00 ㎡。 2.2、结构设计概况 高层塔楼结构型式为框架-剪力墙结构。建筑结构安全等级为二级,抗震设防烈 度为 8 度。裙房结构型式为框架,建筑结构安全等级为二级,抗震设防烈 度为 8 度。 三 、塔吊平面布置图 及基 础 设置 3.1、塔吊布置详 见 附 图 3.2、参 照 施工现场的实 际 情 况,已 确 定 使用的 C5013 塔式起重机由山西省工程机械厂制造 ,本塔机为水 平臂 架,小 车 行 走 变 幅 ,上旋 转 自 升 式塔式起重机,其 最 大臂 长50 米,最 大起重量 为 6T,最 小 起重量 为 1.3T,适 用于中高层建筑施工。该 工程裙楼要 求 设备 使用高度为40m,高层塔楼高度为 90m。 3.3、塔吊基 础 设置 3.3.1、塔吊基础由北斗服务大厦项目部组织施工,由我公司负责提供基础设计图,基础浇筑时间为2017 年4 月7 日,地基承载力不小于0.2Mpa,基础尺寸为5*5*1.35m ,砼强度等级为C30,内配20、14 钢筋,地脚螺丝采用M36,每个塔基共计20 根。塔基施工完毕后,砼强度达到设计值得80%,方可进行塔机安装作业,安装前应进行基础地面调平,基础接地电阻测试。 3.3.2、为...

1、当您付费下载文档后,您只拥有了使用权限,并不意味着购买了版权,文档只能用于自身使用,不得用于其他商业用途(如 [转卖]进行直接盈利或[编辑后售卖]进行间接盈利)。
2、本站所有内容均由合作方或网友上传,本站不对文档的完整性、权威性及其观点立场正确性做任何保证或承诺!文档内容仅供研究参考,付费前请自行鉴别。
3、如文档内容存在违规,或者侵犯商业秘密、侵犯著作权等,请点击“违规举报”。

碎片内容

塔吊安装专项方案

小辰9+ 关注
实名认证
内容提供者

出售各种资料和文档

确认删除?
VIP
微信客服
  • 扫码咨询
会员Q群
  • 会员专属群点击这里加入QQ群
客服邮箱
回到顶部