电脑桌面
添加小米粒文库到电脑桌面
安装后可以在桌面快捷访问

塔式起重机安装验收表VIP免费

塔式起重机安装验收表_第1页
1/12
塔式起重机安装验收表_第2页
2/12
塔式起重机安装验收表_第3页
3/12
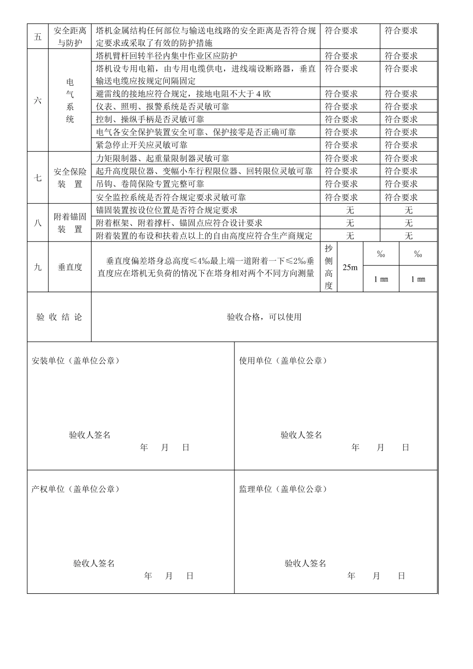
黑 龙 江 省 建 筑 起 重 机 械 设 备 安 装 验 收 表 塔 式 起 重 机 安 装 验 收 表 工 程 名 称 唯 美 主 邑 -逸 趣 苑 1#楼 工 程 地 点 大 庆 东 风 新 村 施 工 单 位 通 州 建 总 集 团 有 限 公 司 施 工 负 责 人 曹 志 昌 安 装 单 位 大 庆 依 顺 起 重 设 备 安 装 工 程 有 限 公 司 安 装 资 格 情 况 叁 级 设 备 名 称 塔 吊 规 格 型 号 QTZ63 出 厂 编 号 20110005 出 厂 日 期 2011 年 3 月 3 日 备 案 登 记 编 号 黑 EBT00250 初 装 高 度 25m 使 用 总 高 度 60m 回 转 半 径 55m 安 装 时 间 2011 年 3 月 23 日 验 收 时 间 2011 年 4 月 日 负 荷 试 验 项 目 最 大 幅 度 检 验 记 录 结 论 半 径 ( m ) 吊 重 ( T) 额 定 起 重 量 试 验 55 6 符 合 要 求 合 格 动 负 荷 110% 符 合 要 求 合 格 起 重 力 矩 试 验 1300KN.m 符 合 要 求 合 格 序 号 检 查 项 目 检 查 内 容 与 要 求 检 测 结 果 验 收 结 果 一 资 料 部 分 塔 式 起 重 机 械 基 础 ( 隐 蔽 工 程 ) 及 验 收 记 录 符 合 要 求 符 合 要 求 塔 式 起 重 机 垂直度 测 量 记 录 符 合 要 求 符 合 要 求 经审批的安 装 方案 有 有 有 健全的安 全管理制度 和岗位 责 任制 有 有 操作规 程 牌、司 机 责 任人 牌 有 有 多塔 作业有 无防碰撞措施 有 有 司 机 、指挥人 员已接受安 全技术交底 有 有 二 基 础 有 基 础 设 计图,按图纸放线定 位 符 合 要 求 符 合 要 求 地 基 地 耐力 层情 况 是否与 方案 一 致 符 合 要 求 符 合 要 求 混凝土强度 等级 不得低于C35 符 合 要 求 符 合 要 求 混凝土强度 是否符 合 安 装 要 求 符 合 要 求 符 合 要 求 预埋件是否符 合 设 计要 求 符 合 要 求 符 合 要 求 基 础 顶面标高 是否符 合 设 计要 求 ,基 础 水平度 误差,≤1‰ 符 合 要 求 符 合 要 求 基 础 应有 排水措施 符 合 要 求 符 合 要 求 三 结 构 ...

1、当您付费下载文档后,您只拥有了使用权限,并不意味着购买了版权,文档只能用于自身使用,不得用于其他商业用途(如 [转卖]进行直接盈利或[编辑后售卖]进行间接盈利)。
2、本站所有内容均由合作方或网友上传,本站不对文档的完整性、权威性及其观点立场正确性做任何保证或承诺!文档内容仅供研究参考,付费前请自行鉴别。
3、如文档内容存在违规,或者侵犯商业秘密、侵犯著作权等,请点击“违规举报”。

碎片内容

塔式起重机安装验收表

您可能关注的文档

确认删除?
VIP
微信客服
  • 扫码咨询
会员Q群
  • 会员专属群点击这里加入QQ群
客服邮箱
回到顶部