电脑桌面
添加小米粒文库到电脑桌面
安装后可以在桌面快捷访问

外墙外保温施工方案(厚抹灰和薄抹灰)VIP专享VIP免费

外墙外保温施工方案(厚抹灰和薄抹灰)_第1页
1/13
外墙外保温施工方案(厚抹灰和薄抹灰)_第2页
2/13
外墙外保温施工方案(厚抹灰和薄抹灰)_第3页
3/13
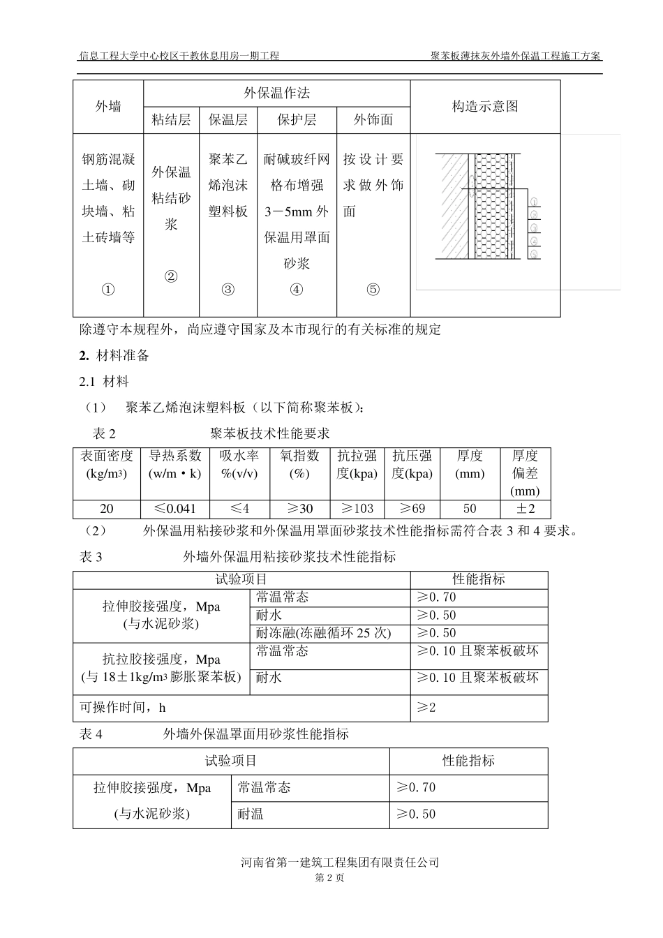
信息工程大学中心校区干教休息用房一期工程 聚苯板薄抹灰外墙外保温工程施工方案 河南省第一建筑工程集团有限责任公司 第0页 目录 一.外墙外保温施工工艺 ...................................................... 1 (一)、施工依据: ..........................................................................................1 (二)、施工做法 ..............................................................................................1 二.质量标准 ................................................................ 6 三、质量保证措施 ........................................................... 8 四、 成品保护措施 .......................................................... 8 五、材料节约措施: ......................................................... 9 六、安全及文明施工措施: ................................................. 9 七、其它注意事项 ....................................................... 10 信息工程大学中心校区干教休息用房一期工程 聚苯板薄抹灰外墙外保温工程施工方案 河南省第一建筑工程集团有限责任公司 第1页 一.工程概况 信息工程大学干教休息用房一期工程1#、3#、5#、7#楼 6 层及以上外墙外保温采用聚苯板薄抹灰外墙外保温系统。5 层及以下外墙外保温采用机械固定聚苯板钢丝网架板外墙外保温系统。 二.外墙外保温施工工艺 (一)、施工依据: 国家有关过程施工规范和规定: 05YJ 系列图集 《外墙外保温工程技术规程》(JGJ144-2004) 《河南省居住建筑节能设计标准》(DNJ41/062-2005) 《建筑外墙保温技术导则》(RISN-TG001-2005) 《建筑工程施工质量验收统一标准》; 《建设工程安全生产管理条例》; 《建筑施工手册》 (二)、施工做法 对于本工程,采用聚苯板薄抹灰施工方法。在外墙外保温施工前先进行外墙粉刷,外墙粉刷范围为:外墙加气混凝土砌块部位,采用1:2 水泥砂浆粉刷20mm 厚。 1 .总则 1.1 本规程是以聚苯乙烯泡沫塑料为保温材料,耐碱玻纤 网格 布 为增 强 材料,外墙外保温专 用粘 接 砂浆和外墙外保温专 用罩 面 砂浆作 面 层的 建筑外墙外保温体 系的 施工标准和验收标准。该 外墙外保温体 系基 本构 造 见 表 1: 表 1 外墙...

1、当您付费下载文档后,您只拥有了使用权限,并不意味着购买了版权,文档只能用于自身使用,不得用于其他商业用途(如 [转卖]进行直接盈利或[编辑后售卖]进行间接盈利)。
2、本站所有内容均由合作方或网友上传,本站不对文档的完整性、权威性及其观点立场正确性做任何保证或承诺!文档内容仅供研究参考,付费前请自行鉴别。
3、如文档内容存在违规,或者侵犯商业秘密、侵犯著作权等,请点击“违规举报”。

碎片内容

外墙外保温施工方案(厚抹灰和薄抹灰)

确认删除?
VIP
微信客服
  • 扫码咨询
会员Q群
  • 会员专属群点击这里加入QQ群
客服邮箱
回到顶部