电脑桌面
添加小米粒文库到电脑桌面
安装后可以在桌面快捷访问

(机械制造行业)机械加工工艺基本知识VIP免费

(机械制造行业)机械加工工艺基本知识_第1页
1/8
(机械制造行业)机械加工工艺基本知识_第2页
2/8
(机械制造行业)机械加工工艺基本知识_第3页
3/8
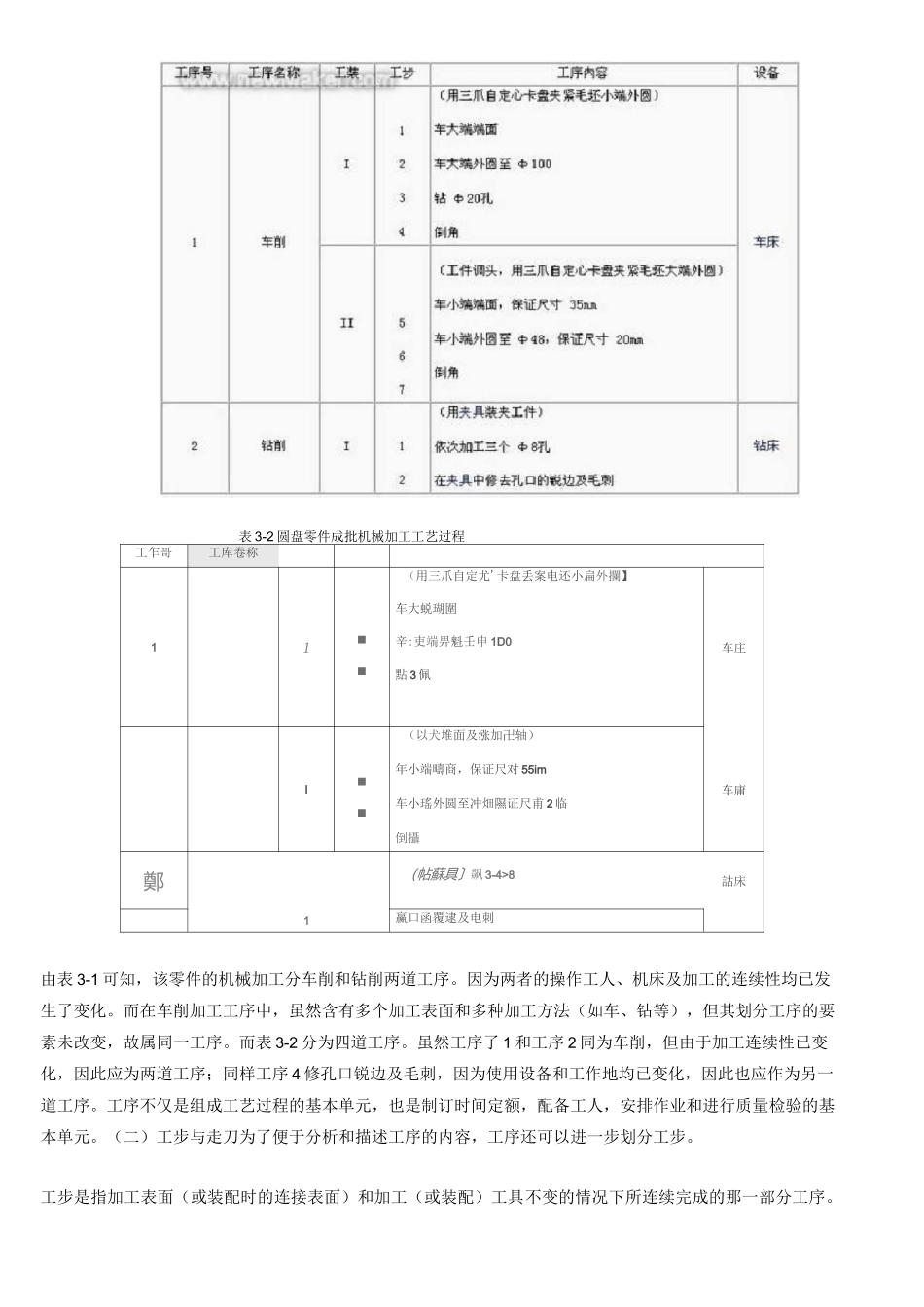
2c0o0oo圆盘零表 3-1 圆盘零件单件小批机械加工工艺过程机械加工工艺基本知识newmaker一、生产过程和工艺过程产品的生产过程是指把原材料变为成品的全过程。机械产品的生产过程一般包括:1 .生产与技术的准备如工艺设计和专用工艺装备的设计和制造、生产计划的编制、生产资料的准备等;2 .毛坯的制造如铸造、锻造、冲压等;3 .零件的加工切削加工、热处理、表面处理等;4 .产品的装配如总装、部装、调试检验和油漆等;5 .生产的服务如原材料、外购件和工具的供应、运输、保管等;在生产过程中改变生产对象的形状、尺寸、相对位置和性质等,使其成为成品或半成品的过程,称为工艺过程。如毛坯的制造、机械加工、热处理、装配等均为工艺过程。工艺过程中,若用机械加工的方法直接改变生产对象的形状、尺寸和表面质量,使之成为合格零件的工艺过程,称为机械加工工艺过程。同样,将加工好的零件装配成机器使之达到所要求的装配精度并获得预定技术性能的工艺过程,称为装配工艺过程。机械加工工艺过程和装配工艺过程是机械制造工艺学研究的两项主要内容。二、机械加工工艺过程的组成机械加工工艺过程是由一个或若干个顺序排列的工序组成的,而工序又可分为若干个安装、工位、工步和走刀。(一)工序工序是指一个或一组工人,在一个工作地对一个或同时对几个工件所连续完成的那一部分工艺内容。区分工序的主要依据,是工作地(或设备)是否变动和完成的那部分工艺内容是否连续。图 3-1 所示的圆盘零件,单件小批生产时其加工工艺过程如表 3-1 所示;成批生产时其加工工艺过程如表 3-2 所示。表 3-2 圆盘零件成批机械加工工艺过程工乍哥工库卷称11 :(用三爪自定尤'卡盘丢案电还小扁外攔】车大蜕瑚圍辛:吏端畀魁壬申 1D0點 3 佩车庄I :(以犬堆面及涨加卍轴)年小端疇商,保证尺对 55im车小瑤外圆至冲畑隰证尺甫 2 临倒攝车庸鄭(帖蘇具〕飙 3-4>8詁床1赢口函覆逮及电刺由表 3-1 可知,该零件的机械加工分车削和钻削两道工序。因为两者的操作工人、机床及加工的连续性均已发生了变化。而在车削加工工序中,虽然含有多个加工表面和多种加工方法(如车、钻等),但其划分工序的要素未改变,故属同一工序。而表 3-2 分为四道工序。虽然工序了 1 和工序 2 同为车削,但由于加工连续性已变化,因此应为两道工序;同样工序 4 修孔口锐边及毛刺,因为使用设备和工作地均已变化,因此也应作为另一道工序。工序不仅是组成...

1、当您付费下载文档后,您只拥有了使用权限,并不意味着购买了版权,文档只能用于自身使用,不得用于其他商业用途(如 [转卖]进行直接盈利或[编辑后售卖]进行间接盈利)。
2、本站所有内容均由合作方或网友上传,本站不对文档的完整性、权威性及其观点立场正确性做任何保证或承诺!文档内容仅供研究参考,付费前请自行鉴别。
3、如文档内容存在违规,或者侵犯商业秘密、侵犯著作权等,请点击“违规举报”。

碎片内容

(机械制造行业)机械加工工艺基本知识

您可能关注的文档

确认删除?
VIP
微信客服
  • 扫码咨询
会员Q群
  • 会员专属群点击这里加入QQ群
客服邮箱
回到顶部