电脑桌面
添加小米粒文库到电脑桌面
安装后可以在桌面快捷访问

外用电梯安装方案VIP免费

外用电梯安装方案_第1页
1/15
外用电梯安装方案_第2页
2/15
外用电梯安装方案_第3页
3/15
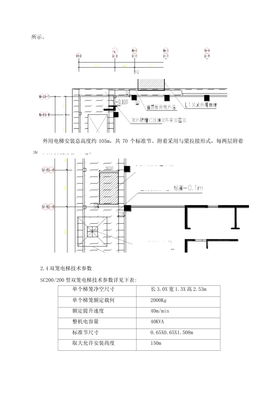
1. 编制依据 12.............................................................................工程概况 12.1 基本概况 12.2 建筑设计概况 12.3 外用电梯工程概况 12.4 双笼电梯技术参数 23.............................................................................电梯安装施工准备 33.1 前期准备 33.2 安装现场准备 33.3 物资准备 34.............................................................................基础处理 45.............................................................................电梯安装 75.1 安装流程 75.2 结构边缘局部处理 86.............................................................................安全措施 116.1 安全通道搭设 116.2 注意事项 117.............................................................................电梯调试、验收 127.1 基本调试 127.2 试运行工作 127.3 坠落试验 127.4 电梯验收时安装单位提供的资料 128.............................................................................电梯拆除 138.1 施工电梯的拆除方法 138.2 施工电梯的拆除安全要求 139.............................................................................电梯基础计算书 141.编制依据1)甲方提供的商业二期施工图纸及变更2)《建筑机械使用安全技术规程》(JGJ33-2012)3)《施工升降机安全规程》(GB10055-2007)4)《SCD200/200 施工升降机使用说明书》5)《施工现场机械设备检查技术规程》JGJ160-20086)《施工现场临时用电安全技术规程》JGJ46-20057)《建筑施工高处作业安全技术规范》JGJ80-918)商业二期施工组织设计2. 工程概况2.1 基本概况工程名称商业(二期)工程地址沈阳市皇姑区塔湾街与昆山西路交接处建设单位沈阳中海兴业房地产开发有限公司设计单位香港华艺设计顾问(深圳)有限公司监理单位沈阳新佳城工程管理有限公司施工单位中国建筑一局(集团)有限公司2.2 建筑设计概况总建筑面积124510.32m2地上建筑面积107998.08地下建筑面积16512.24建筑用途商场、办公占地面积12744.11地上层数3 层/25 层地下层数2 层±0.000 标咼43.4m建筑总高度商场 13.9m办公楼 99.95m2.3 外用电梯工程概况为方便商业二期工程地上施工用料的垂直运输,分别在 L1 和 L2 区域西侧各设置一个外用双笼施工升降机。此...

1、当您付费下载文档后,您只拥有了使用权限,并不意味着购买了版权,文档只能用于自身使用,不得用于其他商业用途(如 [转卖]进行直接盈利或[编辑后售卖]进行间接盈利)。
2、本站所有内容均由合作方或网友上传,本站不对文档的完整性、权威性及其观点立场正确性做任何保证或承诺!文档内容仅供研究参考,付费前请自行鉴别。
3、如文档内容存在违规,或者侵犯商业秘密、侵犯著作权等,请点击“违规举报”。

碎片内容

外用电梯安装方案

wxg+ 关注
实名认证
内容提供者

该用户很懒,什么也没介绍

确认删除?
VIP
微信客服
  • 扫码咨询
会员Q群
  • 会员专属群点击这里加入QQ群
客服邮箱
回到顶部