电脑桌面
添加小米粒文库到电脑桌面
安装后可以在桌面快捷访问

搅拌桩施工方案VIP免费

搅拌桩施工方案_第1页
1/6
搅拌桩施工方案_第2页
2/6
搅拌桩施工方案_第3页
3/6
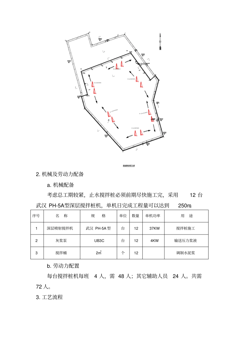
搅拌桩施工方案1. 搅拌桩概况本工程采用 Φ 550mm@400mm深层搅拌桩,止水帷幕周长685.5m,共约 3430 根搅拌桩,设计桩长15m, 总计工程量 51450m。施工工艺采用两个回次 , 即上下搅拌共4 次, 水泥浆的水灰比0.8, 每米桩长水泥用量为 77 公斤。施工分区段是根据的搅拌桩周长大致相等来进行划分: 1 区搅拌桩:包括H4-C4段;2 区搅拌桩:包括 C4-D段;3 区搅拌桩:包括 D-E 段;4 区搅拌桩:包括E-F 段; 5 区搅拌桩:包括F-H 段;6 区搅拌桩:包括 H-H4段;每个区段设置 2 台设备同时进行施工。投入2台搅拌桩机投入2台搅拌桩机投 入2台搅 拌桩机投入2台搅拌桩机投 入2台 搅 拌桩机投入2台搅拌桩机2. 机械及劳动力配备a. 机械配备考虑总工期较紧,止水搅拌桩必须前期尽快施工完,采用12 台武汉 PH-5A型深层搅拌桩机,单机日完成工程量可以达到250m。序号名称规格单位数量单机功率用途1 深层喷射搅拌机武汉 PH-5A 型台12 37KW 搅拌桩施工2 灰浆泵UB3C 台12 4KW 输送压力浆液3 搅拌桶2m3 个12 调制水泥浆b. 劳动力配置每台搅拌桩机每班4 人,需 48 人;其它辅助人员24 人。共需72 人。3. 工艺流程搅拌桩施工采用搅拌桩机钻孔,然后进行喷浆搅拌土体。 采用四喷四搅施工工艺,其工艺流程:定位浆液配置送浆钻进喷浆搅拌提升搅拌喷浆重复钻进喷浆重复提升搅拌移位4. 施工方法序号工艺名称施工方法1 定 位启动搅拌机,移到指定桩位,对中。同时应调整四只支腿的高低,使井架垂直度在桩的设计要求内。要求对中误差不宜超过5.0cm,搅拌轴垂直度偏差不小于 99%。2 浆液配制1)严格控制水灰比为0.8 ;2)水泥浆必须充分拌和均匀;3)为改善水泥和易性,可加入适量的外加剂。3 送 浆将制备好的水泥浆经筛过滤后,倒入贮浆桶, 开动灰浆泵, 将浆液送至搅拌头。4 钻进搅拌证实浆液从钻头喷出,启动桩机搅拌头向下旋转钻进搅拌,并连续喷入水泥浆液,以防堵塞钻头。5 提升搅拌喷浆将搅拌头自桩端反转匀速提升搅拌,并继续喷入水泥浆液,直至地面。浆液从钻头喷出并具有一定压力后,启动桩机搅拌头向上提升搅拌,并连续喷入水泥浆液。1)调整灰浆泵压力档次,使喷浆量满足设计要求。2)在设计桩顶标高时,应原地喷浆搅拌30s。6 重复 4、5 的步骤。7 移位成桩完毕,清理搅拌叶片上包裹的土块及喷浆口,桩机移至另一桩位施工。5. 质量控制要点及相应技术质量保证措施5.1 严格控制桩位和...

1、当您付费下载文档后,您只拥有了使用权限,并不意味着购买了版权,文档只能用于自身使用,不得用于其他商业用途(如 [转卖]进行直接盈利或[编辑后售卖]进行间接盈利)。
2、本站所有内容均由合作方或网友上传,本站不对文档的完整性、权威性及其观点立场正确性做任何保证或承诺!文档内容仅供研究参考,付费前请自行鉴别。
3、如文档内容存在违规,或者侵犯商业秘密、侵犯著作权等,请点击“违规举报”。

碎片内容

搅拌桩施工方案

确认删除?
VIP
微信客服
  • 扫码咨询
会员Q群
  • 会员专属群点击这里加入QQ群
客服邮箱
回到顶部