电脑桌面
添加小米粒文库到电脑桌面
安装后可以在桌面快捷访问

支架、平台、梯子安装检查记录表VIP免费

支架、平台、梯子安装检查记录表_第1页
1/1
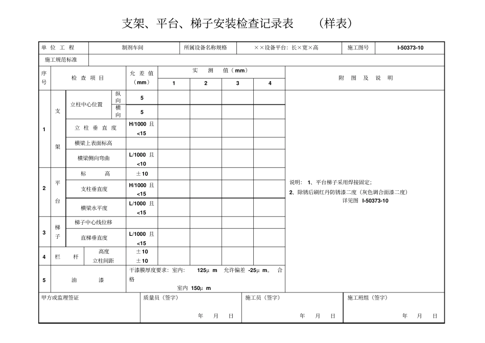
支架、平台、梯子安装检查记录表(样表)单 位 工 程制剂车间所属设备名称规格××设备平台:长×宽×高施工图号I-50373-10 施工规范标准序号检 查 项 目允 差 值(mm)实测值( mm)附图及说明1 2 3 4 1 支架立柱中心位置纵向5 说明: 1、平台梯子采用焊接固定;2、除锈后刷红丹防锈漆二度(灰色调合面漆二度)详见图 I-50373-10横向5 立 柱 垂 直 度H/1000 且<15 横梁上表面标高横梁侧向弯曲L/1000 且<10 2 平台标高±10 支柱垂直度H/1000 且<15 横梁水平度L/1000 且<15 3 梯子梯子中心线位移直梯垂直度L/1000 且<15 4 栏杆高度立柱间距±10 ±10 5 油漆干漆膜厚度要求:室内:125μ m 允许偏差 -25μ m。 合格室内 150μ m甲方或监理签证质量员(签字)年月日施工员(签字)年月日施工班组(签字)年月日

1、当您付费下载文档后,您只拥有了使用权限,并不意味着购买了版权,文档只能用于自身使用,不得用于其他商业用途(如 [转卖]进行直接盈利或[编辑后售卖]进行间接盈利)。
2、本站所有内容均由合作方或网友上传,本站不对文档的完整性、权威性及其观点立场正确性做任何保证或承诺!文档内容仅供研究参考,付费前请自行鉴别。
3、如文档内容存在违规,或者侵犯商业秘密、侵犯著作权等,请点击“违规举报”。

碎片内容

支架、平台、梯子安装检查记录表

文库响当当+ 关注
实名认证
内容提供者

该用户很懒,什么也没介绍

确认删除?
VIP
微信客服
  • 扫码咨询
会员Q群
  • 会员专属群点击这里加入QQ群
客服邮箱
回到顶部