电脑桌面
添加小米粒文库到电脑桌面
安装后可以在桌面快捷访问

2024年工地生活区临建方案VIP专享VIP免费

2024年工地生活区临建方案_第1页
1/11
2024年工地生活区临建方案_第2页
2/11
2024年工地生活区临建方案_第3页
3/11
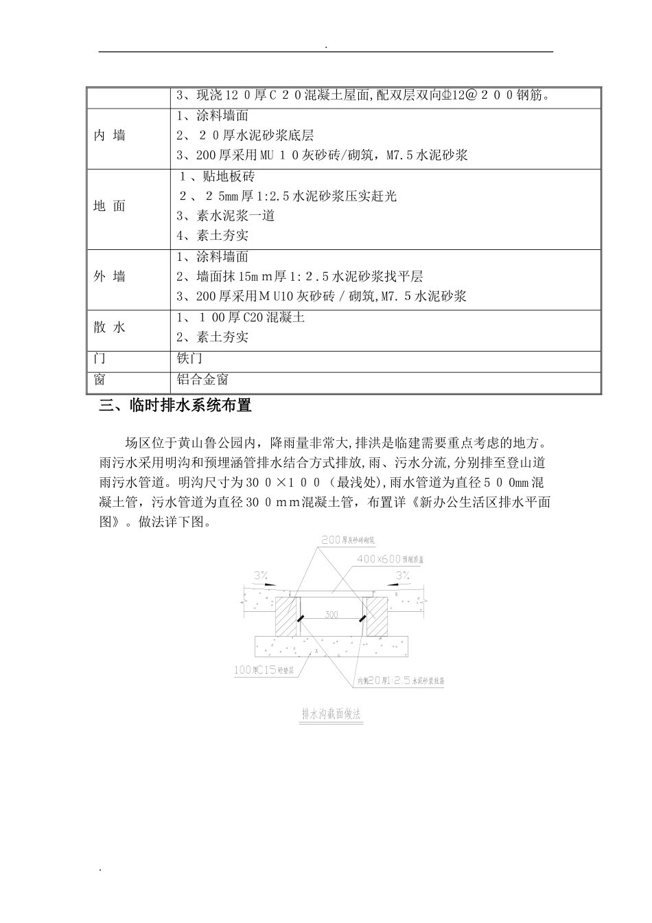
.一、工程概况南沙滨海花园七期一区项目施工总承包及总承包管理配合服务工程项目位于广州市南沙区。本项目由广州隽秀房地产开发有限公司投资建设,包括四栋150米高的LOFT公寓、两层底商及四栋商业独栋。项目占地面积3.12万㎡,总建筑面积为196210.50㎡,其中地面以上总建筑面积147578.50㎡,地下室(两层)面积48632㎡,地面以上四栋150米高的LOFT,面积120265.50㎡,两层底商及四栋商业独栋总面积27313㎡。拟建生活办公区选在基坑西侧,该区域为南沙滨海花园七期二区场地。场地内有大小4个池塘,经挖填平衡后可用于临时生活区使用。二、总体规划3.1总平面布置依据中建集团CI标准及《广州市建设工程安全文明施工标准化图集》做工地布置。生活区围墙采用2.1m高活动成品围墙,围墙做中建CI覆盖,在办公区设置一个主入口,按中建CI标准设置,大门位置详附图,均为有门楼式大门。宿舍计划购置。拟建生活区总面积为8015.74平方米,其中办公区3256.25m2,工人生活区4750.49m2。办公区包含1栋2层办公楼、1栋2层管理人员宿舍、1栋1层卫生间、1栋1层浴室,1栋一层食堂、1个保安亭,全部采用成品彩钢夹心板房。根据招标文件第十章,办公楼包含有2间甲方办公室,一间3K×3K,一间2K×3K;3间监理办公室,每间2K×3K;一间大会议室,3K×6K;两间小会议室,每间3K×3K;一间材料样板展示间,3K×3K;一间咨询办公室;2K×3K;四间分包办公室,每间2K×3K。管理人员宿舍提供一间现场监理宿舍,2K×3K。办公区含有15个以上车位。工人生活区含有5栋2层工人宿舍,1栋1层卫生间浴室,采用活动板房,1栋工人食堂,采用砖砌体。工人宿舍共有100间,尺寸为2K×4K,每间住8人,满足高峰时期800人住宿。办公楼、卫生间及食堂周围均沿设置排水沟与专区及市政排水系统连通,宽250mm,深300mm,侧壁120灰砂砖砌筑并抹20mm厚1:2水泥砂浆,底20mm(最薄处)厚1:2水泥砂浆4‰找坡。每隔50m设置一个消防栓,每栋板房楼梯转角处放置灭火器。根据现有板房配置情况和满足各分包单位人员高峰期800人生活居住所需,拟建1栋20K×3K(两层)管理人员宿舍,5栋20K×4K(三层)工人宿舍,其他..相应配套设施食堂、卫生间等齐全。为方便管理,管理人员及工人生活区分开布置,用一道围墙隔开,分别设置一个6m宽的大门通往施工现场。管理人员宿舍单间尺寸为3640×5460mm,每层10间,层高均为2.85米;工人宿舍单间尺寸及层高同管理人员宿舍,每层6间,板房二层及三层设置两道楼梯。板房四周墙体下浇筑300×300地梁,砼等级为C20,配筋为纵筋412,箍筋8@200。卫生间、冲凉房为板房设计,详平面布置图。现场在管理人员生活区和工人生活区各设置一座化粪池,定期请环保抽清,污水排入市政管道。管理人员生活区化粪池为5m3的玻璃钢成品化粪池,工人生活区化粪池为5m3的玻璃钢成品化粪池。工人生活区各设置一个食堂,定位及做法详附图。食堂各设置一个隔油池,做法同我司编制的《施工现场安全管理标准化图册》。生活区内场地全部进行硬化,围墙外部分进行种草、种树覆绿,以达到和周围环境的和谐过渡。停车场及通行道路采用素土夯实,500厚石渣两步夯实做稳定层,路面采用150厚C20混凝土,每6m做分割缝,向两侧放坡2%路两侧设排水沟。其他场地硬化采用素土夯实,再铺300厚石粉稳定层夯实,最后浇筑150厚C20混凝土,表面压光。3.2装修深度3.2.1板房临建如下:序号项目名称装修深度备注1厕所1、活动板房,百页窗2、地面满贴300×300防滑地砖3、蹲位间砌筑100厚1.0×1.2m(高)分隔墙,满贴白色瓷砖2警卫室1、活动板房2、地面水泥地面3宿舍1、活动板房,彩钢板门,塑钢窗2、水泥地面(1F)/塑胶地板(2F)3宿舍1、活动板房,彩钢板门,塑钢窗2、水泥地面(1F)/木地板(2F)4浴室1、活动板房,彩钢板门,塑钢窗2、地面满贴300×300防滑地砖3、喷淋位之间设置1.8米高夹芯板分隔墙3.2.2砌筑工程做法表屋面1、水泥砂浆找坡层2、聚氨酯屋面防水层..3、现浇120厚C20混凝土屋面,配双层双向12@200钢筋。内墙1、涂料墙面2、20厚水泥砂浆底层3、200厚采用MU10灰砂砖/砌筑,M7.5水泥砂浆地面1、贴地...

1、当您付费下载文档后,您只拥有了使用权限,并不意味着购买了版权,文档只能用于自身使用,不得用于其他商业用途(如 [转卖]进行直接盈利或[编辑后售卖]进行间接盈利)。
2、本站所有内容均由合作方或网友上传,本站不对文档的完整性、权威性及其观点立场正确性做任何保证或承诺!文档内容仅供研究参考,付费前请自行鉴别。
3、如文档内容存在违规,或者侵犯商业秘密、侵犯著作权等,请点击“违规举报”。

碎片内容

2024年工地生活区临建方案

您可能关注的文档

确认删除?
VIP
微信客服
  • 扫码咨询
会员Q群
  • 会员专属群点击这里加入QQ群
客服邮箱
回到顶部