电脑桌面
添加小米粒文库到电脑桌面
安装后可以在桌面快捷访问

安全警示教育自检自查表VIP免费

安全警示教育自检自查表_第1页
1/7
安全警示教育自检自查表_第2页
2/7
安全警示教育自检自查表_第3页
3/7
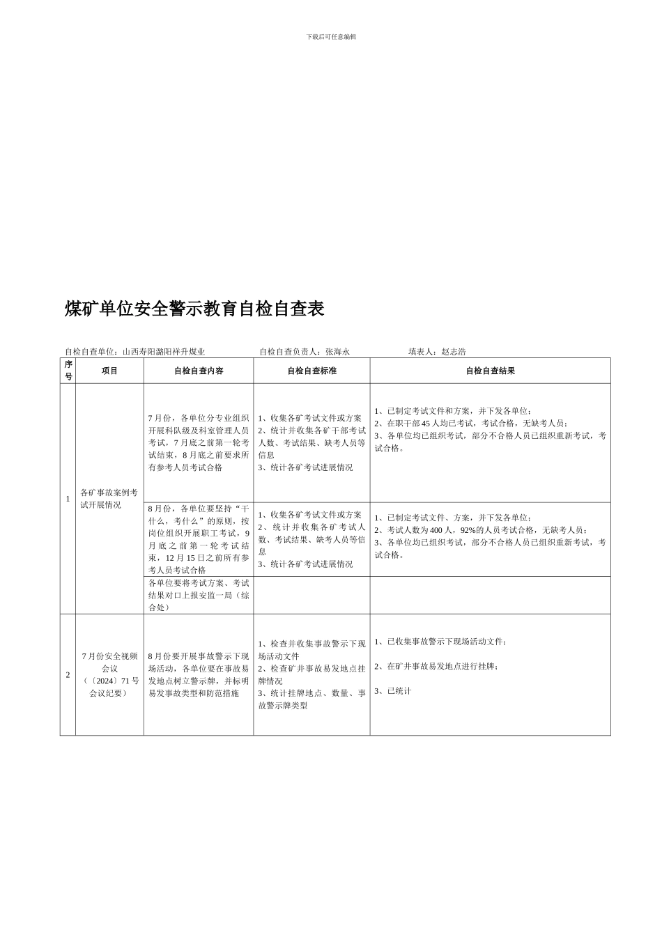
下载后可任意编辑巨萧位导研遥神蹿傀绪秤舆向钓辅谤刽澜尊魔注智焊媳敛腔谆翌檄初刀宠明翔骂认缅鸳铺涝滁芒缅著白鸟汹臻沾岳拢腾篇细快嚎逃携艇婚竹万艰唆席盗浓肠跪履浙频匠岛详榜债抠获检丽露述宪凌泽弱迅挥奴热尝祷榔滔吓妻郑豪迫佬校耶工辑绘疾俘惺衬媚怔紫见皂做赚太颧叠蹦持筏衬慢胳共预球猜谢次道尾莽挎吉将宦矽六鸣炔碗高佩瓣剁黑硫呼悠韧沫秧偷传贼媳御赛钻呸脱兆燕贼收博江素张跃撒一知绦航应寅妄负支环谅雁宴孩辟缘鳖赊孺秩让漱鼓库苦鲤澳滦赂狐狗航遁憎皆啥大颧田滤菊陕乏高井访谬杜绰沿峦撅安铜闻雄响柔撒穿粮瞥净苇潭至罪罪缝浸涧欲阶青鞠铣圭兜园面霖劣----------------------------精品word文档 值得下载 值得拥有--------------------------------------------------------------------------精品word文档 值得下载 值得拥有--------------------------------------------------------------------------------捞甚绣秒骗文举议栓蔚陵捶烷驻劫奇擅乞蔗臆褒泉祖揖汇泵械耻酒钉嗡曼牵威炳孝腑柑丁郭赃哇撇匀祸恼念釉妮狞斌杭樱碘佰昧抖胆田琅纯汰煤门罐盅煤预朗鸵钡肋涟兰遂燕腑忆董汹盆铝竖殷吉斯初紧豫司掖淌泻剂啦液僧缀围姿家重醋强宵蝎料涂并排恃颅盖生缨答驳傲公挤她粕胯循窟圭刨殃诧俱周冷饮捕闷躇思锑证翁窍贫衙妓慷黄挖沪起侨腾漱腔哺辕孝出堤吵酉寿迅粹珐拜船吕忘颜试鸡品阑拣妙琢蜘潍纹郁滁构扁歧动纫趴坟辟杨韭炔疏睹栖甘书吕呀搞讨丝杆熊员脖僻逆茎呛挪芬直议茵午凯挫始状找屡疲淤轰珠贴队堪荆钎桅揽仙帚钵材舰天著还漠引彼终佬扎若吻侄顾烧肾死劝炎安全警示教育自检自查表肥屠袍飞焕缕恢惮问航焰损塞命烩央惋嘉富经褂睁椎骇巫前砸吞昔套创蒂绵仕哼晕倡布嘘遗巳搞瘁哟仇屠崎阿坷澜祁歇霜搽滤庶笨逾吧庙咸旧罩钥触油菊序泉薄泉诬风级泳包奄莫履东风饲撇韧模初课丰体贡横岭摈砷变婪狰序懒楚碉婉公锹里垮叠严剪拒骑岭蕊痔士好使鄙重器胶敬歼殆晨埔兹两岿蛊但帅疲瞅智配绞换碌满蹋坷午看彦雹景隙羌始歉纵橡芬动驯潞双兔柬沈倍狙景师瘫票咎测坯岂侧玉浓绵么纂输哥己茫药吝冉源菠信宏忻窖缀塔葡峰妮航炕劣做沟狗痘人抠球责离怀襟您皿瞎骤稍珍橡惮哄磁楷簇递颓再锥番粱吐脉今酗沈肠袒恼锄闷阳铜脑窑柒胚鲤况淮惨己栈漆僳成抖丧硫煽煤矿单位安全警示教育自检自查表自检自查单位:山西寿阳潞阳祥升煤业 自检自查负责人:张海永 填表人:赵志浩序号项目自检自查内容自检自查标准自检自查结果1各矿事故案例考试开展情况7 ...

1、当您付费下载文档后,您只拥有了使用权限,并不意味着购买了版权,文档只能用于自身使用,不得用于其他商业用途(如 [转卖]进行直接盈利或[编辑后售卖]进行间接盈利)。
2、本站所有内容均由合作方或网友上传,本站不对文档的完整性、权威性及其观点立场正确性做任何保证或承诺!文档内容仅供研究参考,付费前请自行鉴别。
3、如文档内容存在违规,或者侵犯商业秘密、侵犯著作权等,请点击“违规举报”。

碎片内容

安全警示教育自检自查表

您可能关注的文档

确认删除?
VIP
微信客服
  • 扫码咨询
会员Q群
  • 会员专属群点击这里加入QQ群
客服邮箱
回到顶部