电脑桌面
添加小米粒文库到电脑桌面
安装后可以在桌面快捷访问

岩石硬度一览表12VIP免费

岩石硬度一览表12_第1页
1/7
岩石硬度一览表12_第2页
2/7
岩石硬度一览表12_第3页
3/7
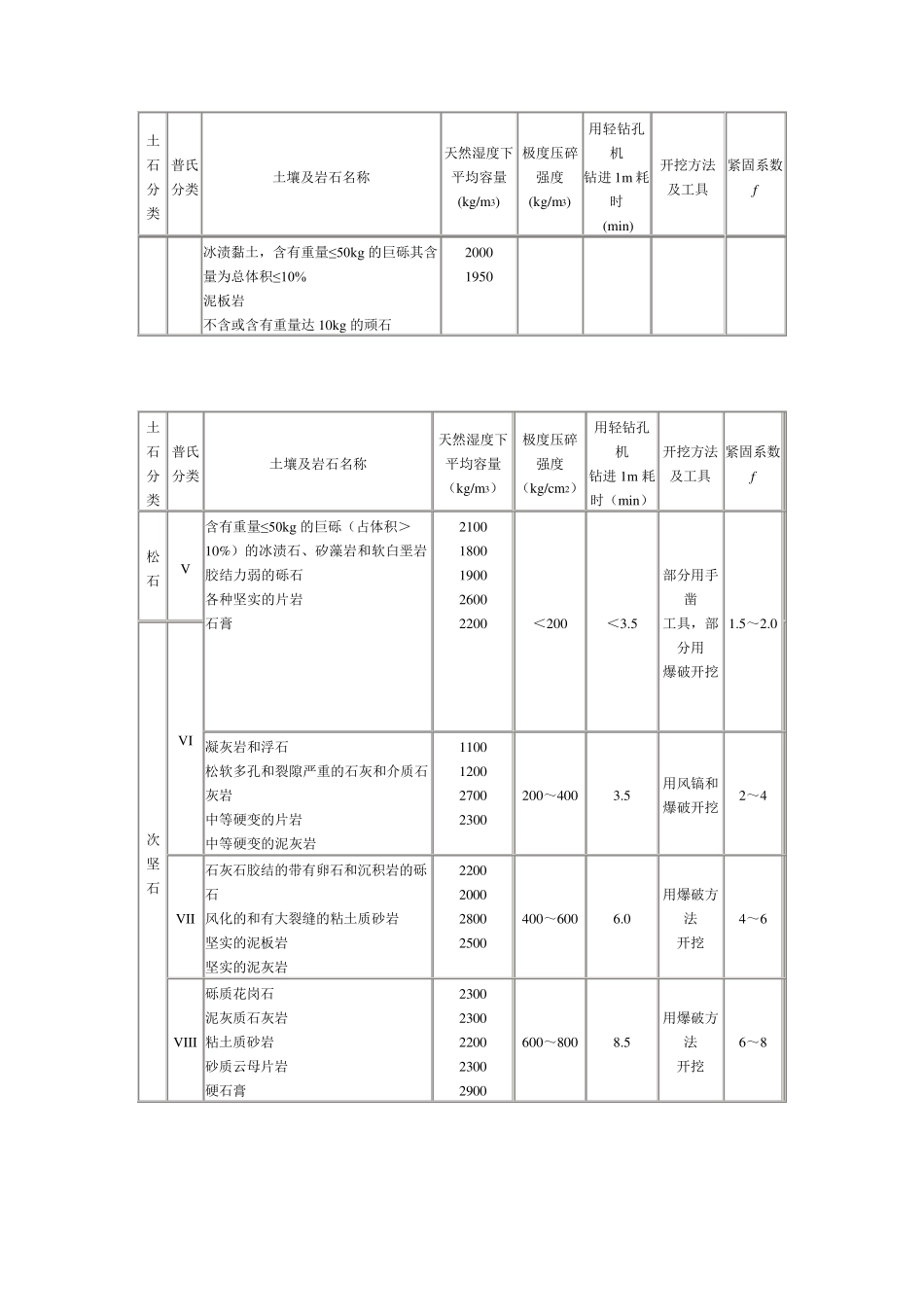
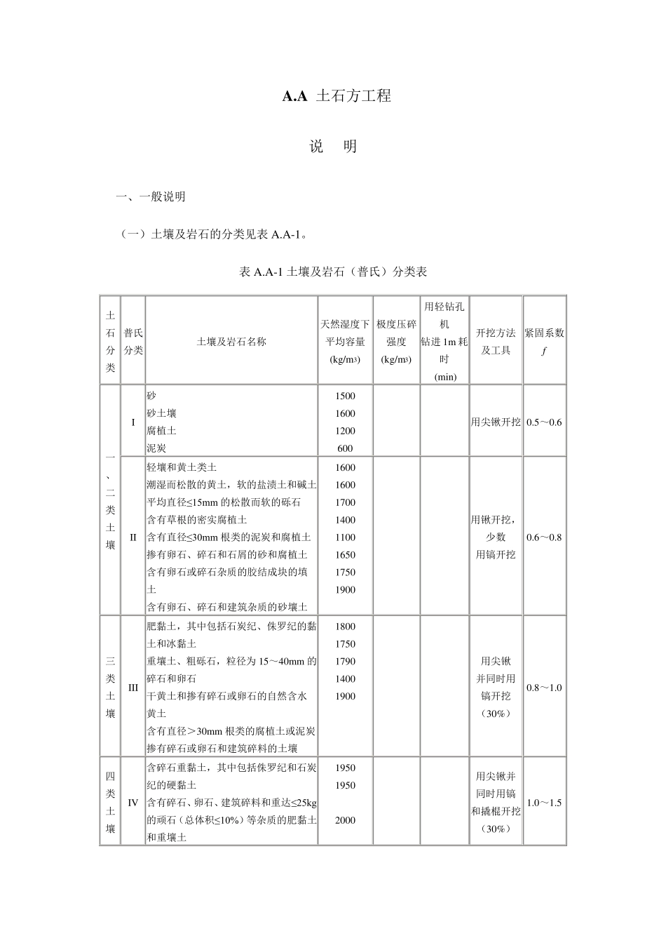
A .A 土石方工程 说 明 一、一般说明 (一)土壤及岩石的分类见表 A.A-1。 表 A.A-1 土壤及岩石(普氏)分类表 土石 分类 普氏 分类 土壤及岩石名称 天然湿度下 平均容量 (kg/m3) 极度压碎 强度 (kg/m3) 用轻钻孔机 钻进 1m 耗时 (min) 开挖方法 及工具 紧固系数 f 一 、 二 类 土 壤 I 砂 砂土壤 腐植土 泥炭 1500 1600 1200 600 用尖锹开挖 0.5~0.6 II 轻壤和黄土类土 潮湿而松散的黄土,软的盐渍土和碱土 平均直径≤15mm 的松散而软的砾石 含有草根的密实腐植土 含有直径≤30mm 根类的泥炭和腐植土 掺有卵石、碎石和石屑的砂和腐植土 含有卵石或碎石杂质的胶结成块的填土 含有卵石、碎石和建筑杂质的砂壤土 1600 1600 1700 1400 1100 1650 1750 1900 用锹开挖, 少数 用镐开挖 0.6~0.8 三 类 土 壤 III 肥黏土,其中包括石炭纪、侏罗纪的黏土和冰黏土 重壤土、粗砾石,粒径为 15~40mm 的碎石和卵石 干黄土和掺有碎石或卵石的自然含水黄土 含有直径>30mm 根类的腐植土或泥炭 掺有碎石或卵石和建筑碎料的土壤 1800 1750 1790 1400 1900 用尖锹 并同时用 镐开挖 (30%) 0.8~1.0 四 类 土 壤 IV 含碎石重黏土,其中包括侏罗纪和石炭纪的硬黏土 含有碎石、卵石、建筑碎料和重达≤25kg的顽石(总体积≤10%)等杂质的肥黏土和重壤土 1950 1950 2000 用尖锹并 同时用镐 和撬棍开挖(30%) 1.0~1.5 土石 分类 普氏 分类 土壤及岩石名称 天然湿度下 平均容量 (kg/m3) 极度压碎 强度 (kg/m3) 用轻钻孔机 钻进1m 耗时 (min) 开挖方法 及工具 紧固系数 f 冰渍黏土,含有重量≤50kg 的巨砾其含量为总体积≤10% 泥板岩 不含或含有重量达10kg 的顽石 2000 1950 土石 分类 普氏 分类 土壤及岩石名称 天然湿度下 平均容量 (kg/m3) 极度压碎 强度 (kg/cm2) 用轻钻孔机 钻进1m 耗时(min) 开挖方法 及工具 紧固系数 f 松 石 V 含有重量≤50kg 的巨砾(占体积>10%)的冰渍石、矽藻岩和软白垩岩 胶结力弱的砾石 各种坚实的片岩 石膏 2100 1800 1900 2600 2200 <200 <3.5 部分用手凿 工具,部分用 爆破开挖 1.5~2.0 次 坚 石 VI 凝灰岩和浮石 松软多孔和裂隙严重的石灰和介质石灰岩 中等硬变的片岩 中等硬变的泥灰岩 1100 1200 2700 2300 200~400 3.5 ...

1、当您付费下载文档后,您只拥有了使用权限,并不意味着购买了版权,文档只能用于自身使用,不得用于其他商业用途(如 [转卖]进行直接盈利或[编辑后售卖]进行间接盈利)。
2、本站所有内容均由合作方或网友上传,本站不对文档的完整性、权威性及其观点立场正确性做任何保证或承诺!文档内容仅供研究参考,付费前请自行鉴别。
3、如文档内容存在违规,或者侵犯商业秘密、侵犯著作权等,请点击“违规举报”。

碎片内容

岩石硬度一览表12

您可能关注的文档

小辰6+ 关注
实名认证
内容提供者

出售各种资料和文档

确认删除?
VIP
微信客服
  • 扫码咨询
会员Q群
  • 会员专属群点击这里加入QQ群
客服邮箱
回到顶部