电脑桌面
添加小米粒文库到电脑桌面
安装后可以在桌面快捷访问

带式运输机传动装置设计VIP免费

带式运输机传动装置设计_第1页
1/24
带式运输机传动装置设计_第2页
2/24
带式运输机传动装置设计_第3页
3/24
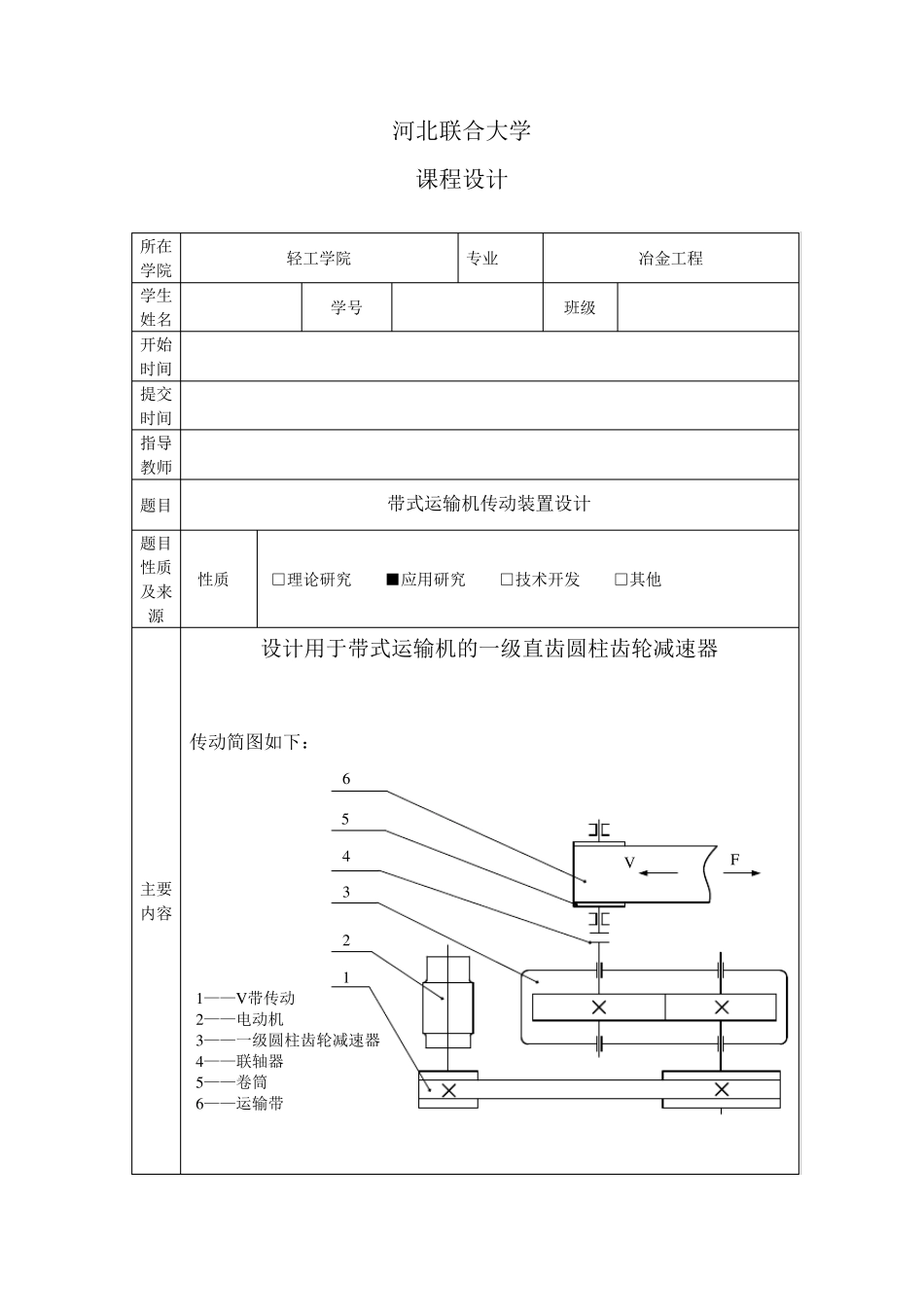
目 录 一、精密机械课程设计任务书.……………………………….2 二、精密机械课程设计说明书……………………………… 2 1 传动方案拟定…………….……………………………….2 2 电动机的选择……………………………………….…….2 3 计算总传动比及分配各级的传动比……………….…….4 4 运动参数及动力参数计算………………………….…….5 5 传动零件的设计计算………………………………….….6 6 轴的设计计算………………………………………….....12 7 滚动轴承的选择及校核计算………………………….…18 8 键联接的选择及计算………..……………………………22 9 设计小结…………………………………………………..23 10 参考资料目录……………………………………………..23 三、设计图纸…………………………………………26 河北联合大学 课程设计 所在学院 轻工学院 专业 冶金工程 学生姓名 学号 班级 开始时间 提交时间 指导教师 题目 带式运输机传动装置设计 题目性质 及来源 性质 □理论研究 ■应用研究 □技术开发 □其他 主要内容 设计用于带式运输机的一级直齿圆柱齿轮减速器 传动简图如下: 612345VF1——V 带传动2——电动机3——一级圆柱齿轮减速器4——联轴器5——卷筒6——运输带 原始数据: 数据编号 1 2 3 4 5 运输带工作拉力F/N 1100 1150 1200 1250 1300 运输带工作速度V/(m/s) 卷筒直径D/mm 250 260 270 240 250 数据编号 6 7 8 9 10 运输带工作拉力F/N 1350 1400 1450 1500 1600 运输带工作速度V/(m/s) 卷筒直径D/mm 260 250 260 280 300 工作条件:一班制,连续单向运转。载荷平稳,室内工作,有粉尘。 使用期限:10 年 动力来源:三相交流电(220V/380V) 运输带速度允许误差:±5%。 备注 设计计算说明书 一、传动方案拟定 设计单级圆柱齿轮减速器和一级带传动 (1) 工作条件:使用年限8 年,工作为单班工作制,载荷平稳,环境清洁。 (2) 原始数据:输送带拉力F=1200N;带1 速V=s; 滚筒直径D=270mm;滚筒长度L=500mm。 二、电动机选择 1、电动机类型的选择: Y 系列三相异步电动机 2、电动机功率选择: (1)传动装置的总功率: η总=η带×η2轴承×η齿轮×η联轴器×η滚筒 =×××× = (2)电机所需的工作功率: P工作=FV/(1000η总) =1200×(1000×) = 3、确定电动机转...

1、当您付费下载文档后,您只拥有了使用权限,并不意味着购买了版权,文档只能用于自身使用,不得用于其他商业用途(如 [转卖]进行直接盈利或[编辑后售卖]进行间接盈利)。
2、本站所有内容均由合作方或网友上传,本站不对文档的完整性、权威性及其观点立场正确性做任何保证或承诺!文档内容仅供研究参考,付费前请自行鉴别。
3、如文档内容存在违规,或者侵犯商业秘密、侵犯著作权等,请点击“违规举报”。

碎片内容

带式运输机传动装置设计

您可能关注的文档

确认删除?
VIP
微信客服
  • 扫码咨询
会员Q群
  • 会员专属群点击这里加入QQ群
客服邮箱
回到顶部