电脑桌面
添加小米粒文库到电脑桌面
安装后可以在桌面快捷访问

常见的高频变压器骨架图纸VIP免费

常见的高频变压器骨架图纸_第1页
1/20
常见的高频变压器骨架图纸_第2页
2/20
常见的高频变压器骨架图纸_第3页
3/20
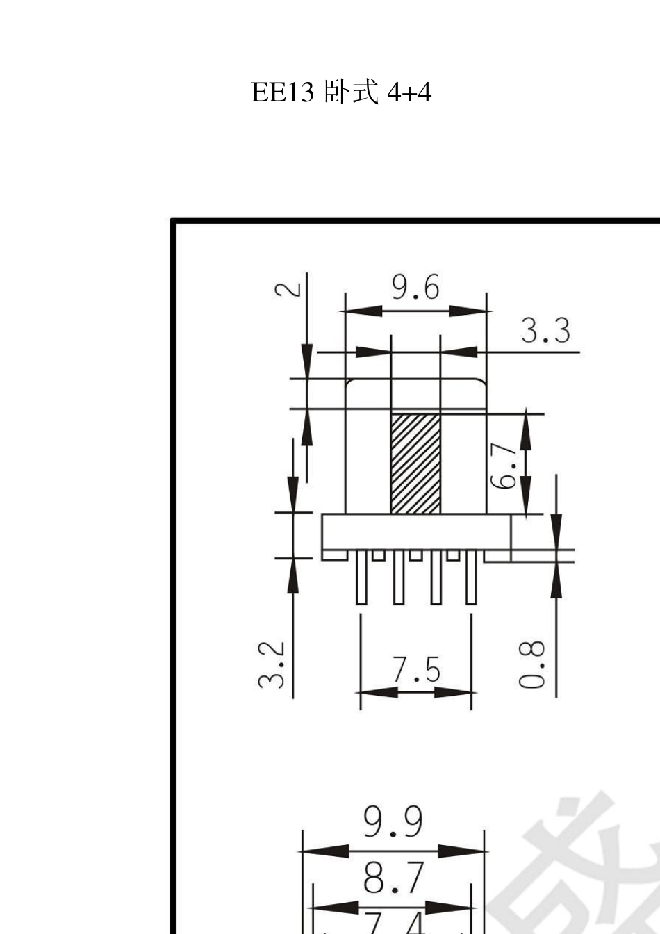
海宁市鼎盛电子元件厂 专业生产变压器骨架:EE10、EE13、EE16、EE19、EE20、EE22、EE25、EE28、U U 型骨架:U U 9.8、U U 10.5、U U 16、EFD 型骨架EFD20、EFD25 电木骨架,立式 PQ 2016、PQ 2020、PQ 3230、PQ 2620、 EF20 骨架等等。 U U 9.8 EE13 卧式 4+4 EF20 卧式 4+4 EPC13 U U 10.5 PQ 2620 PQ 2625 PQ 3220 EE1002 EE1901 EE16 卧式 4+4 EE16 卧式 5+5 EE25 立式4+4 EE22 立式5+5 EF20 卧式 5+5 PQ 2016 立式6+8 PQ 2020 立式6+8 PQ 2620 PQ 2625 海宁市鼎盛电子元件厂——骨架产品目录 序号 型号 规格 排距(mm) 针距(mm) 针经(mm) 针长±0.2mm 1 EE10 卧式 4+4 10.5 2.5 0.6 3.0 2 EE10 立式 4+4 8.0 2.5 0.5 4.0/5.0 3 EE12.5 立式 5+5 7.2 2.5 0.6 3.8 4 EE12.7 立式 5+5 8.5 2.5 0.6 4.0 5 EE13 卧式 4+4 10.0 2.5 0.6 3.5/4.0 6 EE13 立式 5+5 8.5 2.5 0.6 4.0 7 EE13 加宽 卧式 5+4 15.5 2.5-3.0 0.6 3.5 8 EE16 卧式 5+5 13.0 2.5 0.6 4.0 9 EE16 卧式 4+4 11.0 3.0 0.6 4.0 10 EE16 立式 3+3 9.0 3.0 0.6 4.7 11 EE19 卧式 5+5 12.5 3.0 0.7 4.0 12 EE19 立式 3+3 11.0 5.0 0.7 5.0 13 EE19 立式 4+3 挡板 11.0 4.0 0.7 4.1 14 EE22 立式 5+5 挡板 10.1 4.0 0.8 3.6 15 EE25 立式 4+4 12.0 5.0 0.8 4.5 16 EE28 立式 5+5 17.5 5.0 0.8 4.0 17 EFD20 卧式 4+4 17.5 5.0 0.7 4.0 18 EFD25 卧式 5+5 22.5 5.0 0.7 4.8 19 UU9.8 卧式 2+2 8.0 7.0 0.6 3.6 20 UU10.5 卧式 2+2 13.0 10.0 0.8 4.0 21 EF20 卧式 4+4 15.0 5.0 0.7 4.7 22 EF20 卧式 5+5 15.2 3.8 0.6 4.0 23 PQ2016 立式 6+8 20.5 2.5-3.8 0.6 4.0 24 PQ2020 立式 6+8 20.5 2.5-3.8 0.6 4.0 25 PQ2620 立式 6+6 25.5 3.8 0.8 4.0 26 PQ2622.5 立式 6+6 25.5 3.8 0.8 4.0 27 PQ2625 立式 6+6 25.5 3.8 0.8 4.0 28 PQ3220 立式 6+6 30.5 5.0 0.8 4.0 29 PQ3225 立式 6+6 30.1 5.0 0.8 4.0 30 PQ3230 立式 6+6 30.0 5.0 0.8 4.0 31 EPC13 卧式 5+5 10.5 2.5 0.5*0.5 3.5

1、当您付费下载文档后,您只拥有了使用权限,并不意味着购买了版权,文档只能用于自身使用,不得用于其他商业用途(如 [转卖]进行直接盈利或[编辑后售卖]进行间接盈利)。
2、本站所有内容均由合作方或网友上传,本站不对文档的完整性、权威性及其观点立场正确性做任何保证或承诺!文档内容仅供研究参考,付费前请自行鉴别。
3、如文档内容存在违规,或者侵犯商业秘密、侵犯著作权等,请点击“违规举报”。

碎片内容

常见的高频变压器骨架图纸

小辰4+ 关注
实名认证
内容提供者

出售各种资料和文档

确认删除?
VIP
微信客服
  • 扫码咨询
会员Q群
  • 会员专属群点击这里加入QQ群
客服邮箱
回到顶部