电脑桌面
添加小米粒文库到电脑桌面
安装后可以在桌面快捷访问

幕墙工程检验批划分方案VIP专享VIP免费

幕墙工程检验批划分方案_第1页
1/10
幕墙工程检验批划分方案_第2页
2/10
幕墙工程检验批划分方案_第3页
3/10
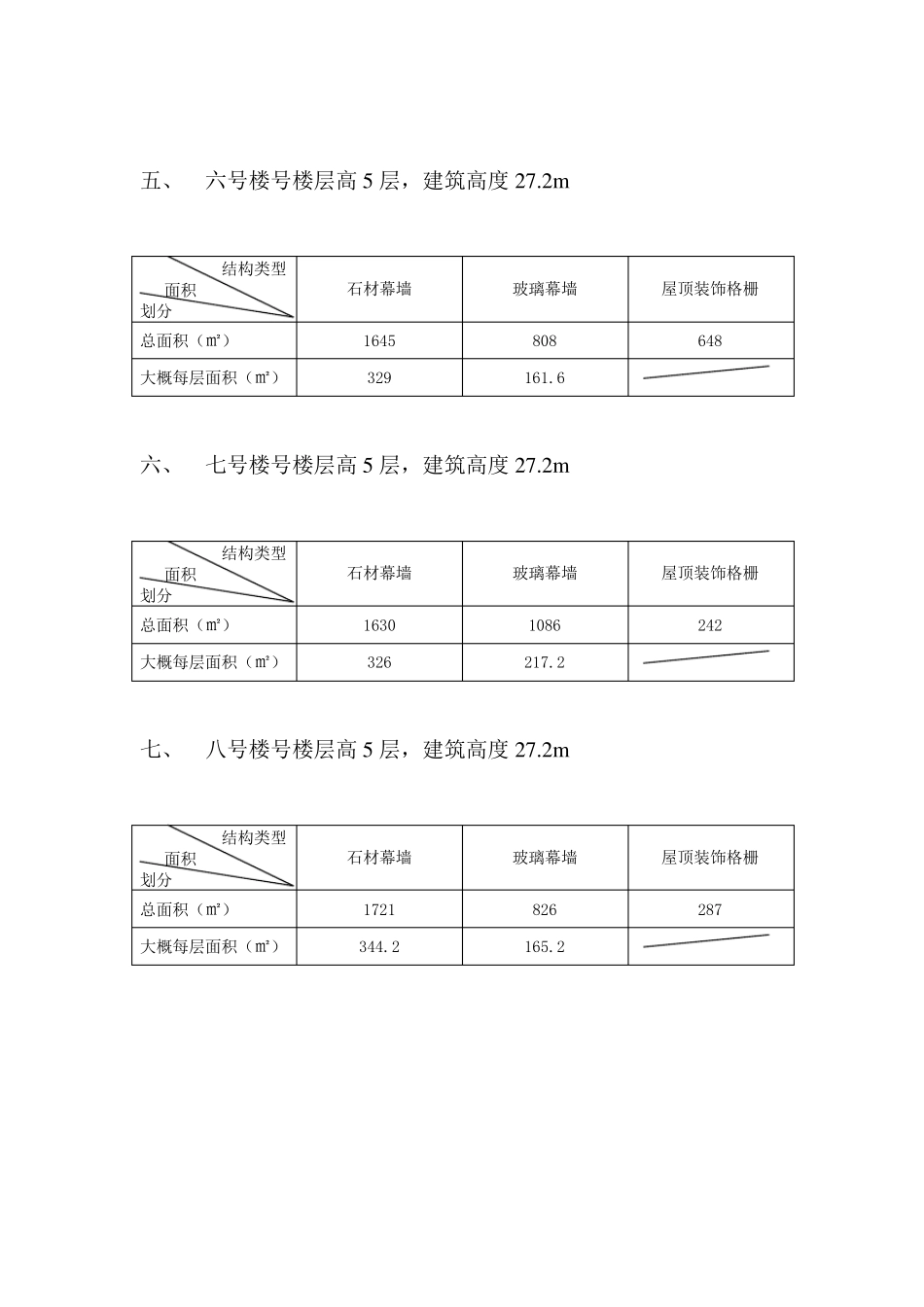
旭辉虹桥国际广场幕墙工程检验批划分方案 第一节 工程概况 一、 工程名称:旭辉虹桥国际广场幕墙工程。 二、 建设地点:上海市长宁区协和路、通协路 三、 建设单位:上海旭创置业有限公司 四、 建筑设计单位:上海陆家嘴规划建筑设计有限公司 五、 监理单位:上海申邑工程咨询有限公司 六、 总包单位:上海新置建筑工程有限公司 七、 结构类型及层数:框架结构,1、2 号楼层高 6 层,建筑高度35.6m 。3、5、6、7、8 号楼层高 5 层,建筑高度 27.2 m ,其中 3号楼建筑高度 27.8m 八、 施工范围:合同书规定的 1、2、3、5、6、7、8#楼外立面玻璃幕墙、石材幕墙、地弹门、自动旋转门、铝板幕墙、铝装饰线条、钢装饰线条、屋顶装饰格栅、雨蓬等。 其主要工程如下: 1) 玻璃幕墙(含地弹门、自动旋转门、铝板幕墙) 9469 m 2; 2) 石材幕墙 17200m 2; 3) 屋顶装饰格栅 1800m 2; 第二节 楼号幕墙面积分布表 一、 一号楼号楼层高 6 层,建筑高度 35.6m 结构类型 面积 划分 石材幕墙 玻璃幕墙 屋顶装饰格栅 总面积(㎡) 4701 2878 552 大概每层面积(㎡) 783.5 480 二、 二号楼号楼层高 6 层,建筑高度 35.6m 结构类型 面积 划分 石材幕墙 玻璃幕墙 屋顶装饰格栅 总面积(㎡) 4647 2432 519 大概每层面积(㎡) 774.5 405 三、 三号楼号楼层高 5 层,建筑高度 27.8m 结构类型 面积 划分 石材幕墙 玻璃幕墙 屋顶装饰格栅 总面积(㎡) 2318 1608 373 大概每层面积(㎡) 463.6 321.6 四、 五号楼号楼层高 5 层,建筑高度 27.2m 结构类型 面积 划分 石材幕墙 玻璃幕墙 屋顶装饰格栅 总面积(㎡) 1820 808 648 大概每层面积(㎡) 364 161.6 五、 六号楼号楼层高 5 层,建筑高度 27.2m 结构类型 面积 划分 石材幕墙 玻璃幕墙 屋顶装饰格栅 总面积(㎡) 1645 808 648 大概每层面积(㎡) 329 161.6 六、 七号楼号楼层高 5 层,建筑高度 27.2m 结构类型 面积 划分 石材幕墙 玻璃幕墙 屋顶装饰格栅 总面积(㎡) 1630 1086 242 大概每层面积(㎡) 326 217.2 七、 八号楼号楼层高 5 层,建筑高度 27.2m 结构类型 面积 划分 石材幕墙 玻璃幕墙 屋顶装饰格栅 总面积(㎡) 1721 826 287 大概每层面积(㎡) 344.2 165.2 第三节 检验批划分 一、 检验批划分标准 幕墙...

1、当您付费下载文档后,您只拥有了使用权限,并不意味着购买了版权,文档只能用于自身使用,不得用于其他商业用途(如 [转卖]进行直接盈利或[编辑后售卖]进行间接盈利)。
2、本站所有内容均由合作方或网友上传,本站不对文档的完整性、权威性及其观点立场正确性做任何保证或承诺!文档内容仅供研究参考,付费前请自行鉴别。
3、如文档内容存在违规,或者侵犯商业秘密、侵犯著作权等,请点击“违规举报”。

碎片内容

幕墙工程检验批划分方案

确认删除?
VIP
微信客服
  • 扫码咨询
会员Q群
  • 会员专属群点击这里加入QQ群
客服邮箱
回到顶部