电脑桌面
添加小米粒文库到电脑桌面
安装后可以在桌面快捷访问

数控技术试题及答案VIP免费

数控技术试题及答案_第1页
1/9
数控技术试题及答案_第2页
2/9
数控技术试题及答案_第3页
3/9
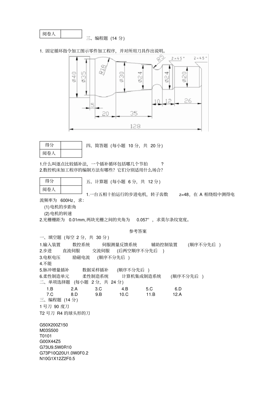
数控技术试卷一、填空题 (每空 2 分,共 30 分 ) 1.数控机床的基本组成包括___________、 ____________、___________、__________、加工程序及机床本体。2.CNC 系统中常用的插补方法中,脉冲插补法适用于以_________电机作为驱动元件的数据系统;数字增量插补法(数据采样插补法)一般用于 _________和 _________电机作为驱动元件的数控系统。3.直流主轴电动机的控制系统可分为两部分:_________控制部分和 _________控制部分。4.进给伺服系统若仅采用比例型位置控制,跟随误差是_________完全消除的。5.目前应用的插补算法分为两类,一类为 __________,另一类为 __________. 6.FMC代 表 __________________ , FMS代 表 __________________ , CIMS代 表__________________。二、单项选择题(在每小题的四个备选答案中,选出一个正确答案,并将正确答案的序号填在题干的括号内。每小题2 分,共 24 分) 1.数控机床有不同的运动形式,需要考虑工件与刀具相对运动关系及坐标系方向,编写程序时,采用()的原则编写程序。A. 刀具固定不动,工件移动B. 工件固定不动,刀具移动C.分析机床运动关系后再根据实际情况定D. 由机床说明书说明2.( )是无法用准备功能字G 来规定或指定的。A. 主轴旋转方向B.直线插补C.刀具补偿D.增量尺寸3.在确定数控机床坐标系时,首先要指定的是( ) A.X 轴B.Y 轴C.Z 轴D.回转运动的轴4.根据加工零件图样选定的编制零件程序的原点是()A 机床原点B 编程原点C 加工原点D 刀具原点5.下列刀具中, ()的刀位点是刀头底面的中心。A. 车刀B.镗刀C. 立铣刀D. 球头铣刀6.滚珠丝杠副的设计计算和验算,一般不包括( )方面。A. 强度B.刚度C.稳定性D.抗振性7.光栅利用 ( ),使得它能测得比栅距还小的位移量。A. 莫尔条纹的作用B.数显表C.细分技术D.高分辨指示光栅8.当交流伺服电机正在旋转时,如果控制信号消失,则电机将会( )。A. 以原转速继续转动B.转速逐渐加大C.转速逐渐减小D.立即停止转动9.数控机床伺服系统是以( )为直接控制目标的自动控制系统。A. 机械运动速度B.机械位移C.切削力D.机械运动精度10.脉冲比较伺服系统中,可逆计数器的作用是( )。A. 计算位置指令脉冲个数B. 计算位置反馈脉冲个数C.计算位置指令脉冲个数与位置反馈脉冲个数之差D. 计算位置指令脉冲个数与位置反馈脉冲个数之和11.数控机床坐标轴的重复定位误差应为各测点重复定位误差中的( )。A. 平均...

1、当您付费下载文档后,您只拥有了使用权限,并不意味着购买了版权,文档只能用于自身使用,不得用于其他商业用途(如 [转卖]进行直接盈利或[编辑后售卖]进行间接盈利)。
2、本站所有内容均由合作方或网友上传,本站不对文档的完整性、权威性及其观点立场正确性做任何保证或承诺!文档内容仅供研究参考,付费前请自行鉴别。
3、如文档内容存在违规,或者侵犯商业秘密、侵犯著作权等,请点击“违规举报”。

碎片内容

数控技术试题及答案

您可能关注的文档

确认删除?
VIP
微信客服
  • 扫码咨询
会员Q群
  • 会员专属群点击这里加入QQ群
客服邮箱
回到顶部