电脑桌面
添加小米粒文库到电脑桌面
安装后可以在桌面快捷访问

拆除施工方案VIP免费

拆除施工方案_第1页
1/8
拆除施工方案_第2页
2/8
拆除施工方案_第3页
3/8
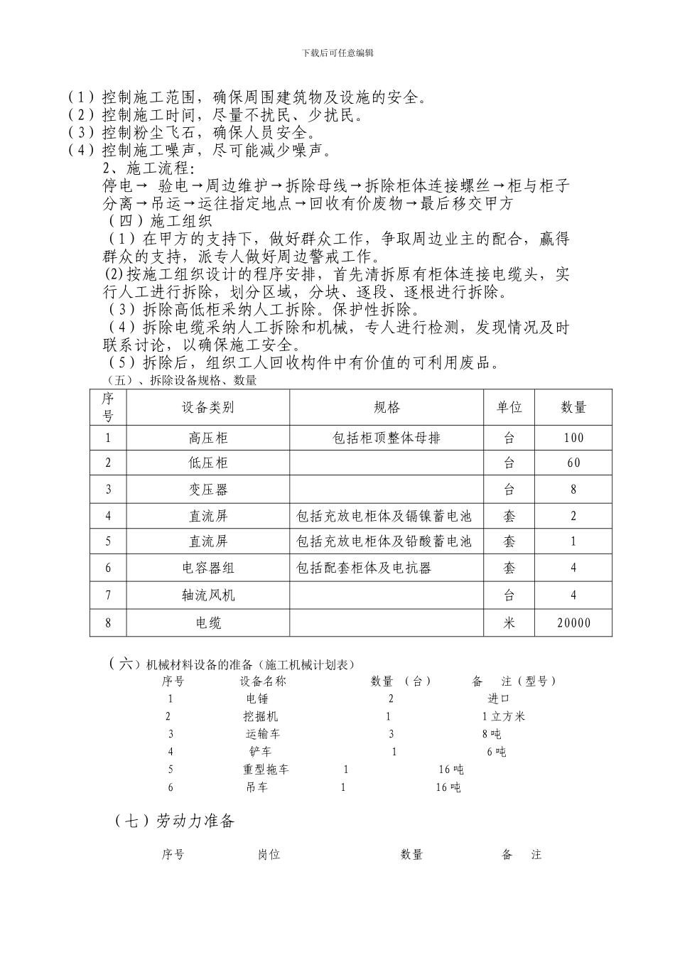
下载后可任意编辑第四节 现场拆除施工具体方案一、 工程概况(1)工程名称:转炉工序等区域电气设备拆除(2)施工单位:甘肃铜城建设公司(3)拆除对象:2#变电所、3#变电所、4#变电所、45 系统变电所、Tn-15变、小制氧、综合利用、350 风机房等不同区域的高压柜、低压柜、电容器等,电缆包括高低压各种动力、控制电缆。 二、 施工组织设计的编制原则从实际出发,在确保人身和财产安全的前提下,选择经济、合理、扰民小的拆除方案,进行科学的组织,以实现安全、经济、速度快、扰民小的目标。做到保护性拆除,具体施工时按甲方要求拆除。三、 施工组织设计的编制依据被拆除电力设备及电缆的依据是甲方提出的地点和设备的数量,竣工图或设计图(包括结构、建筑、水、电、设备及外管线),施工现场勘察的来的资料和信息,拆除工程有关的施工验收法律规范,安全技术法律规范,安全操作规程和国家、省有关安全技术规定,以及单位的技术装备条件。四、 施工前准备及主要施工设备(一)技术准备工作(1)首先熟悉被拆建筑物的竣工图纸,弄清楚建筑物的结构情况、建筑情况、水电及设备管道情况,地下隐蔽设施情况。施工场地负责人要根据施工组织设计和安全技术规程向参加拆除的工作人员进行详细的交底。(2)对施工员进行安全技术交底,加强安全意识。对工人做好安全教育,组织工人学习安全操作规程。(3)踏看施工现场,熟悉周围环境、场地、道路、水电设备管路、建筑物情况等。(二)现场准备(1)清理施工现场,保证运输道路畅通。(2)施工前,先清除拆除倒塌范围内的物资、设备;要求甲方办理好电气工作票,停电、验电、装设接地线、装设遮拦。将电线、燃气道、水道、供热设备等干线与该建筑物的支线切断或迁移;检查周围危旧房,必要时进行临时加固;向周围群众出安民公告,在拆除危险区周围设禁区围栏、警戒标志,派专人监护,禁止非拆除人员进入施工现场(3)对于生产、使用、储存化学危险品的建筑物内电器设备拆除,要经过消防、安全部门参加审核,制定保证安全的预案,经过批准实施。(4)搭设临时防护设施,避开拆除时的灰尘飞扬影响生产的正常进行。(5)在拆除危险区设置警戒区标志。(6)接引好施工用临时电源、现场照明不能使用被拆建筑物内的配电设施,应另外敷设。保证施工时电畅通。(三)施工方案1、控制目标下载后可任意编辑(1)控制施工范围,确保周围建筑物及设施的安全。(2)控制施工时间,尽量不扰民、少扰民。(3)控...

1、当您付费下载文档后,您只拥有了使用权限,并不意味着购买了版权,文档只能用于自身使用,不得用于其他商业用途(如 [转卖]进行直接盈利或[编辑后售卖]进行间接盈利)。
2、本站所有内容均由合作方或网友上传,本站不对文档的完整性、权威性及其观点立场正确性做任何保证或承诺!文档内容仅供研究参考,付费前请自行鉴别。
3、如文档内容存在违规,或者侵犯商业秘密、侵犯著作权等,请点击“违规举报”。

碎片内容

拆除施工方案

您可能关注的文档

确认删除?
VIP
微信客服
  • 扫码咨询
会员Q群
  • 会员专属群点击这里加入QQ群
客服邮箱
回到顶部