电脑桌面
添加小米粒文库到电脑桌面
安装后可以在桌面快捷访问

最新防雷设施检测报告范本VIP免费

最新防雷设施检测报告范本_第1页
1/6
最新防雷设施检测报告范本_第2页
2/6
最新防雷设施检测报告范本_第3页
3/6
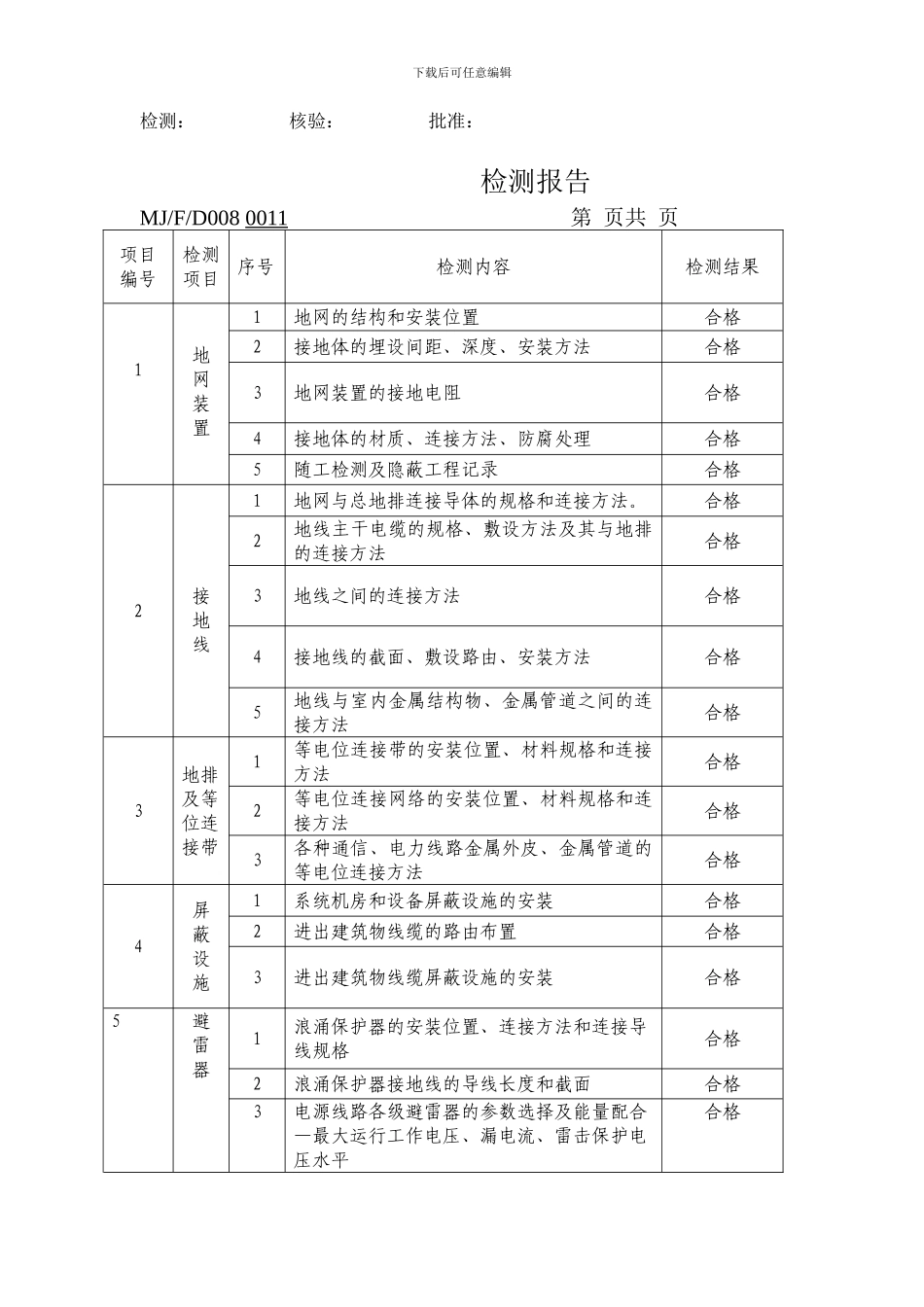
下载后可任意编辑 MJ/F/D010 00 11 建筑物防雷设施检测报告 (副本)被检单位: 聊城市新雅涂料有限公司建筑名称:机房、办公室报告日期:2024 年 12 月 12 日 检测中心下载后可任意编辑 检测中心建筑物电气消防安全检测报告MJ/F/D008 0011 第 1 页共 8 页被检单位聊城市新雅涂料有限公司单位电话0635-8177018工程名称普通厂房初检日期2024-12-12工程地址聊城市凤凰工业园经一路南首复检日期检测依据1、GB-50057(2000)《建筑物防雷设计法律规范》2、GB50343-2024《建筑物电子信息系统防雷技术法律规范》检测条件在受检装置进入正常运行时,检测时无影响和干扰正常检测因素气温检测内容1、地网装置 2、接地线 3、地排及等电位连接带4、屏蔽设施 5、避雷器检测结论我中心对你单位建筑物防雷设施进行了检测。结论如下:1、地网装置检测项目共 5 项,其中 7 项符合法律规范相关条款要求,其余 9 项本工程未涉及。2、接地线检测项目共 5 项,其中 28 项符合法律规范相关条款要求,其余 17 项本工程未涉及。3、地排及等电位连接带检测项目共 3 项,其中 7 项符合法律规范相关条款要求,其余 9项本工程未涉及。4、屏蔽设施检测项目共 3 项,其中 4 项符合法律规范相关条款要求,其余 6 项本工程未涉及。5、避雷器检测项目共 4 项,其中 4 项符合法律规范相关条款要求,其余 7 项本工程未涉及。(检测报告专用章)填发日期:216-12-12注:本检测报告仅对受检时的建筑防雷设施负责。有效期一年。下载后可任意编辑检测: 核验: 批准:检测报告MJ/F/D008 0011 第 页共 页项目编号检测项目序号检测内容检测结果1地网装置1地网的结构和安装位置合格2接地体的埋设间距、深度、安装方法合格3地网装置的接地电阻合格4接地体的材质、连接方法、防腐处理合格5随工检测及隐蔽工程记录合格2接地线1地网与总地排连接导体的规格和连接方法。合格2地线主干电缆的规格、敷设方法及其与地排的连接方法合格3地线之间的连接方法合格4接地线的截面、敷设路由、安装方法合格5地线与室内金属结构物、金属管道之间的连接方法合格3地排及等位连接带1等电位连接带的安装位置、材料规格和连接方法合格2等电位连接网络的安装位置、材料规格和连接方法合格3各种通信、电力线路金属外皮、金属管道的等电位连接方法合格4屏蔽设施1系统机房和设备屏蔽设施的安装合格2进出建筑物线缆的路由布置合格3进出建筑物线缆屏蔽设施的安装...

1、当您付费下载文档后,您只拥有了使用权限,并不意味着购买了版权,文档只能用于自身使用,不得用于其他商业用途(如 [转卖]进行直接盈利或[编辑后售卖]进行间接盈利)。
2、本站所有内容均由合作方或网友上传,本站不对文档的完整性、权威性及其观点立场正确性做任何保证或承诺!文档内容仅供研究参考,付费前请自行鉴别。
3、如文档内容存在违规,或者侵犯商业秘密、侵犯著作权等,请点击“违规举报”。

碎片内容

最新防雷设施检测报告范本

领读文化+ 关注
实名认证
内容提供者

传播文化,铸就未来

确认删除?
VIP
微信客服
  • 扫码咨询
会员Q群
  • 会员专属群点击这里加入QQ群
客服邮箱
回到顶部