电脑桌面
添加小米粒文库到电脑桌面
安装后可以在桌面快捷访问

柴油机技术协议VIP免费

柴油机技术协议_第1页
1/9
柴油机技术协议_第2页
2/9
柴油机技术协议_第3页
3/9
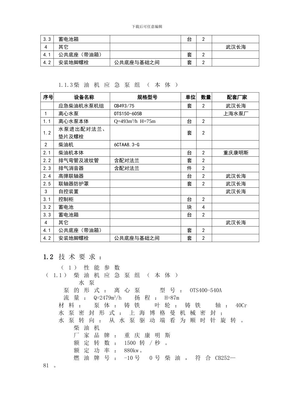
下载后可任意编辑唐 山 东 海 钢 铁 有 限 公 司柴 油 机 水 泵 机 组技 术 协 议武 汉 长 海 高 新 技 术 有 限 公 司2024 年 6 月 30 日下载后可任意编辑一 、 技 术 要 求 :1.1 设 备 规 格1.1.1柴 油 机 应 急 泵 组 ( 本 体 ) 序号设备名称规格型号单位数量配套厂家应急柴油机水泵机组CB2479/87套2武汉长海1离心水泵OTS400-540A上海水泵厂1.1离心水泵本体Q=2479m3/h H=87m台21.2水泵进出配对法兰、垫片及螺栓套22柴油机KTA38-P1300重庆康明斯2.1柴油机本体台22.2排气弯管及波纹管含配对法兰套22.3排气消音器含配对法兰件22.4高弹联轴器台2武汉长海2.5联轴器防护罩套2武汉长海3自控装置武汉长海3.1控制柜台23.2蓄电池块43.3蓄电池箱台24其它台武汉长海4.1公共底座(带油箱)套24.2安装地脚螺栓公共底座与基础之间套21.1.2柴 油 机 应 急 泵 组 ( 高 压 )序号设备名称规格型号单位数量配套厂家应急柴油机水泵机组CB1708/91套2武汉长海1离心水泵OTS300-560A上海水泵厂1.1离心水泵本体Q=1708m3/h H=91m 台21.2水泵进出配对法兰、垫片及螺栓套22柴油机KTA38-P980重庆康明斯2.1柴油机本体台22.2排气弯管及波纹管含配对法兰套22.3排气消音器含配对法兰件22.4高弹联轴器台2武汉长海2.5联轴器防护罩套2武汉长海3自控装置武汉长海3.1控制柜台23.2蓄电池块4下载后可任意编辑3.3蓄电池箱台24其它武汉长海4.1公共底座(带油箱)套24.2安装地脚螺栓公共底座与基础之间套21.1.3柴 油 机 应 急 泵 组 ( 本 体 ) 序号设备名称规格型号单位数量配套厂家应急柴油机水泵机组CB493/75套2武汉长海1离心水泵OTS150-605B上海水泵厂1.1离心水泵本体Q=493m3/h H=75m 台21.2水泵进出配对法兰、垫片及螺栓套22柴油机6CTAA8.3-G2.1柴油机本体台2重庆康明斯2.2排气弯管及波纹管含配对法兰套22.3排气消音器含配对法兰件22.4高弹联轴器台2武汉长海2.5联轴器防护罩套2武汉长海3自控装置武汉长海3.1控制柜台23.2蓄电池块43.3蓄电池箱台24其它武汉长海4.1公共底座(带油箱)套24.2安装地脚螺栓公共底座与基础之间套21.2 技 术 要 求 :( 1 ) 性 能 参 数( 1.1 ) 柴 油 机 应 急 泵 组 ( 本 体 )水 泵 泵 的 形 式 : 离 心 泵 型 号 : OTS400-540A 流 量 : Q=2479m3/h 扬 程 : H=87m材 料 : 泵 体 : 铸 铁 叶 轮 :...

1、当您付费下载文档后,您只拥有了使用权限,并不意味着购买了版权,文档只能用于自身使用,不得用于其他商业用途(如 [转卖]进行直接盈利或[编辑后售卖]进行间接盈利)。
2、本站所有内容均由合作方或网友上传,本站不对文档的完整性、权威性及其观点立场正确性做任何保证或承诺!文档内容仅供研究参考,付费前请自行鉴别。
3、如文档内容存在违规,或者侵犯商业秘密、侵犯著作权等,请点击“违规举报”。

碎片内容

柴油机技术协议

确认删除?
VIP
微信客服
  • 扫码咨询
会员Q群
  • 会员专属群点击这里加入QQ群
客服邮箱
回到顶部