电脑桌面
添加小米粒文库到电脑桌面
安装后可以在桌面快捷访问

样品管理制度VIP免费

样品管理制度_第1页
1/6
样品管理制度_第2页
2/6
样品管理制度_第3页
3/6
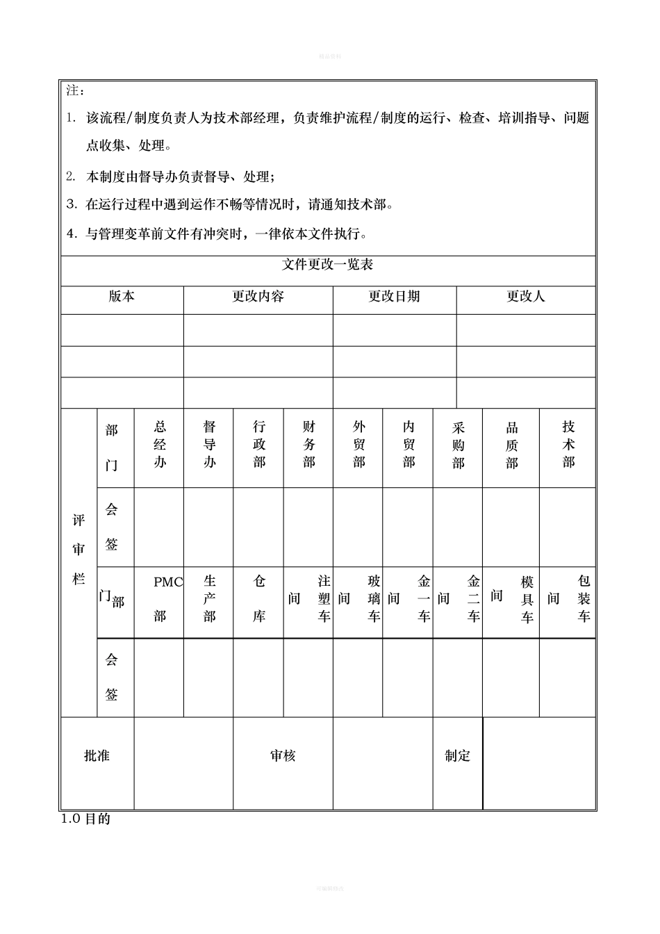
精品资料 可编辑修改 1.0 目的 注: 1. 该流程/制度负责人为技术部经理,负责维护流程/制度的运行、检查、培训指导、问题点收集、处理。 2. 本制度由督导办负责督导、处理; 3. 在运行过程中遇到运作不畅等情况时,请通知技术部。 4. 与管理变革前文件有冲突时,一律依本文件执行。 文件更改一览表 版本 更改内容 更改日期 更改人 评 审 栏 部 门 总经办 督导办 行政部 财务部 外贸部 内贸部 采购部 品质部 技术部 会 签 部 门 PMC部 生产部 仓 库 注塑车间 玻璃车间 金一车间 金二车间 模具车间 包装车间 会 签 批准 审核 制定 精品资料 可编辑修改 1.1 为使本公司新制作、修改后的模具与顾客标准产品新要求所制作出的样品,符合营销部〔客户〕之需求。 1.2 标准样板制作与确认流程,加强样板管理。 2.0 适用范围 2.1 所有构成产品结构之外购物料(包括外发加工品)样品。 2.2 自制之产品样品。 3.0 职责 3.1 业务部:负责将顾客之相关资讯(图纸/技术要求与品质标准、法规法令等)以【样品制作申请单】书面形式详细知会技术部,【样品制作申请单】须销售总监或〔副〕总经理签字确后才能打样。 3.2 技术部: 负责分解顾客之相关资讯与需求。 负责主导试模(包括新制作与修改后之模具)、样品确认和验证。 负责主导新开制作与修改后模具之材质结构、设计技术、闭合度、生产过程中之操作可性行等验证工作。 副总经理负责过程监控样品的整体进度。 负责将样品交业务部送顾客成认。 负责制作产品样品确认书。 负责将经客户确认〔注:本公司自主开发之新品经总经理确认〕合格的样品分发至品质部和生产部,并用【样品领借用、分发登记表】详细记录之。 3.2.8:负责新开模具制作和修改之工作,对延期交付模具负责跟踪,以及催促其完成。 3.3 采购部:负责外购物料(包括外发加工品)配件之询价比价及采购,对未及时安排跟踪造成样品未按时交付负责。 3.4 生产部:负责配合技术部对新制作与修改后模具之按【试模打样通知单】要求试模、样品制作,对因未及时安排造成样品未及时交付负责。负责生产过程中之模具日常保养。 3.5 品质部:负责配合技术部试模(含新制作与修改后模具)与样品制作过程之品质验证与试验。 精品资料 可编辑修改 3.6 常务副总或副总经理负责按【试模打样通知单】要求安排车间生产,对未及时安排车间打样负责,并 通知 PMC 部调整生产方案与安排。 4.0 内...

1、当您付费下载文档后,您只拥有了使用权限,并不意味着购买了版权,文档只能用于自身使用,不得用于其他商业用途(如 [转卖]进行直接盈利或[编辑后售卖]进行间接盈利)。
2、本站所有内容均由合作方或网友上传,本站不对文档的完整性、权威性及其观点立场正确性做任何保证或承诺!文档内容仅供研究参考,付费前请自行鉴别。
3、如文档内容存在违规,或者侵犯商业秘密、侵犯著作权等,请点击“违规举报”。

碎片内容

样品管理制度

确认删除?
VIP
微信客服
  • 扫码咨询
会员Q群
  • 会员专属群点击这里加入QQ群
客服邮箱
回到顶部