电脑桌面
添加小米粒文库到电脑桌面
安装后可以在桌面快捷访问

新建加油站项目环评报告表VIP免费

新建加油站项目环评报告表_第1页
1/50
新建加油站项目环评报告表_第2页
2/50
新建加油站项目环评报告表_第3页
3/50
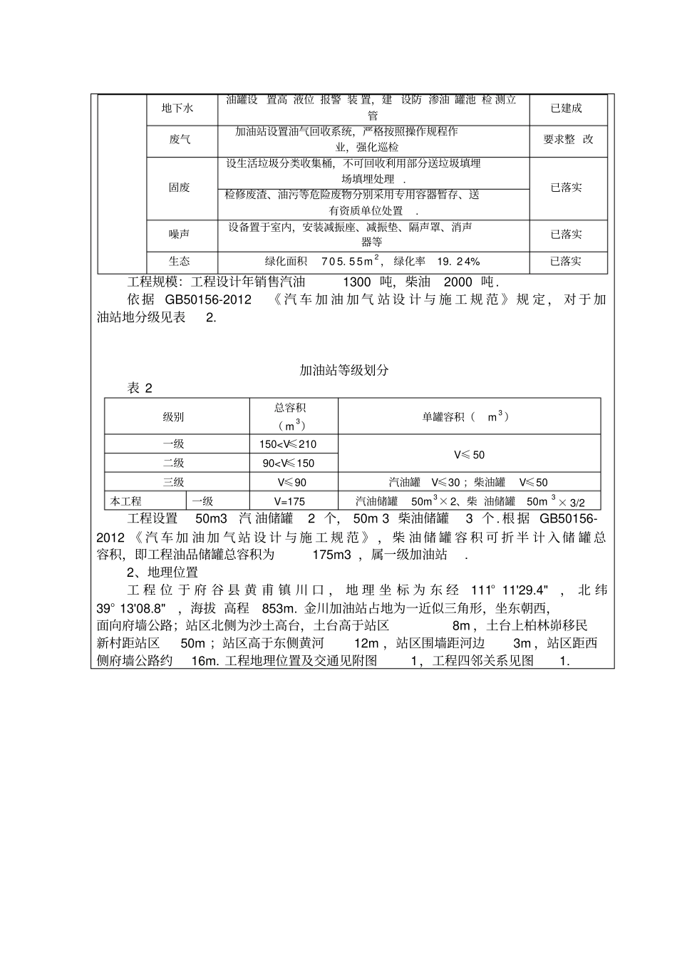
建设工程基本情况工程名称府谷县金川加油站新建加油站工程建设单位府谷县金川加油站法人代表联系人通信地址府谷县金川加油站联系电话传真/ 邮编建设地点府谷县黄甫镇川口立项审批部门府谷县发展改革局批准文号府发改发(2014 )161 号建设性质新建 □√改扩建 □ 技改 □行业类别及代码F5264 机动车燃料零售占地面积(亩)4.6 绿化面积(平方M )705.55 工程总投资(万元)300 其中:环保投资(万元)42 环保投资占总投资比例14 评价费(万元)预计投产日期1、工程内容及规模随 着 府 谷 县 地 经 济 增 长 速 度 加 快 , 区 内 机 动 车 保 有 量 地 增 加 , 年 燃 油 消耗 量 不 断 攀 升 , 周 边 加 油 站 场 地 规 模 已 不 能 满 足 当 地 需 要 , 急 需 扩 大 ; 另外, 我 国成 品 油市 场 开放 , 相关 政 策地 配 套出 台 ,市 场 垄断 性 格局 急 需改 善 .为 此 , 府 谷 县 金 川 加 油 站 在 权 衡 各 因 素 地 情 况 下 , 在 府 谷 县 黄 甫 镇 川 口 建 设金川 加 油站 . 工程 建 设对 于 促进 本 地区 创 建优 良 地投 资 环境 加 快经 济 发展 , 保障能源供应安全以及改善人民生活环境具有重要意义.本工程于2014年 5 月29 日开工建设,委托评价时工程已基本建成,本次评价属补办环评. 工程内容:工程新建储油罐区(50m3 埋地汽油储罐2 个、 50m3 埋地柴油储罐3 个)、加油区(4 台税控加油机和一座832 m2 加油棚)站房及相关辅助设施 .工程组成见表1.工程组成表表 1 类别内 容备 注主体工程储罐区地埋 50m3 汽油储罐2 座,地埋50m3 柴油储罐3座,防 渗罐池1 座, 防 渗罐池 采用 防渗 钢筋 混 凝土整体浇 筑, 且根 据油 罐 地数量 设置 隔池5 座 . 防 渗罐池地 内表 面应 衬玻 璃 钢或其 他材 料防 渗层 , 防渗罐池内 地空 间采 用中 性 沙回填 .防渗 罐池地 各隔 池内均需设 检测 立管 ,检 测 立管为 耐油 、耐 腐蚀 材 质 .检测立管 与池 内罐 顶标 高 以下范 围应 为过 滤管 段 . 过滤管段 应能 允许 池内 任 何层面 地渗 漏液 体进 入 检测管,并 应能 阻止 泥沙 侵 入 .已建成加油区加油罩棚 (钢网架结构,建筑面积:832m 2)、税控加油机4 台已...

1、当您付费下载文档后,您只拥有了使用权限,并不意味着购买了版权,文档只能用于自身使用,不得用于其他商业用途(如 [转卖]进行直接盈利或[编辑后售卖]进行间接盈利)。
2、本站所有内容均由合作方或网友上传,本站不对文档的完整性、权威性及其观点立场正确性做任何保证或承诺!文档内容仅供研究参考,付费前请自行鉴别。
3、如文档内容存在违规,或者侵犯商业秘密、侵犯著作权等,请点击“违规举报”。

碎片内容

新建加油站项目环评报告表

您可能关注的文档

确认删除?
VIP
微信客服
  • 扫码咨询
会员Q群
  • 会员专属群点击这里加入QQ群
客服邮箱
回到顶部