电脑桌面
添加小米粒文库到电脑桌面
安装后可以在桌面快捷访问

电厂保温技术协议VIP免费

电厂保温技术协议_第1页
1/9
电厂保温技术协议_第2页
2/9
电厂保温技术协议_第3页
3/9
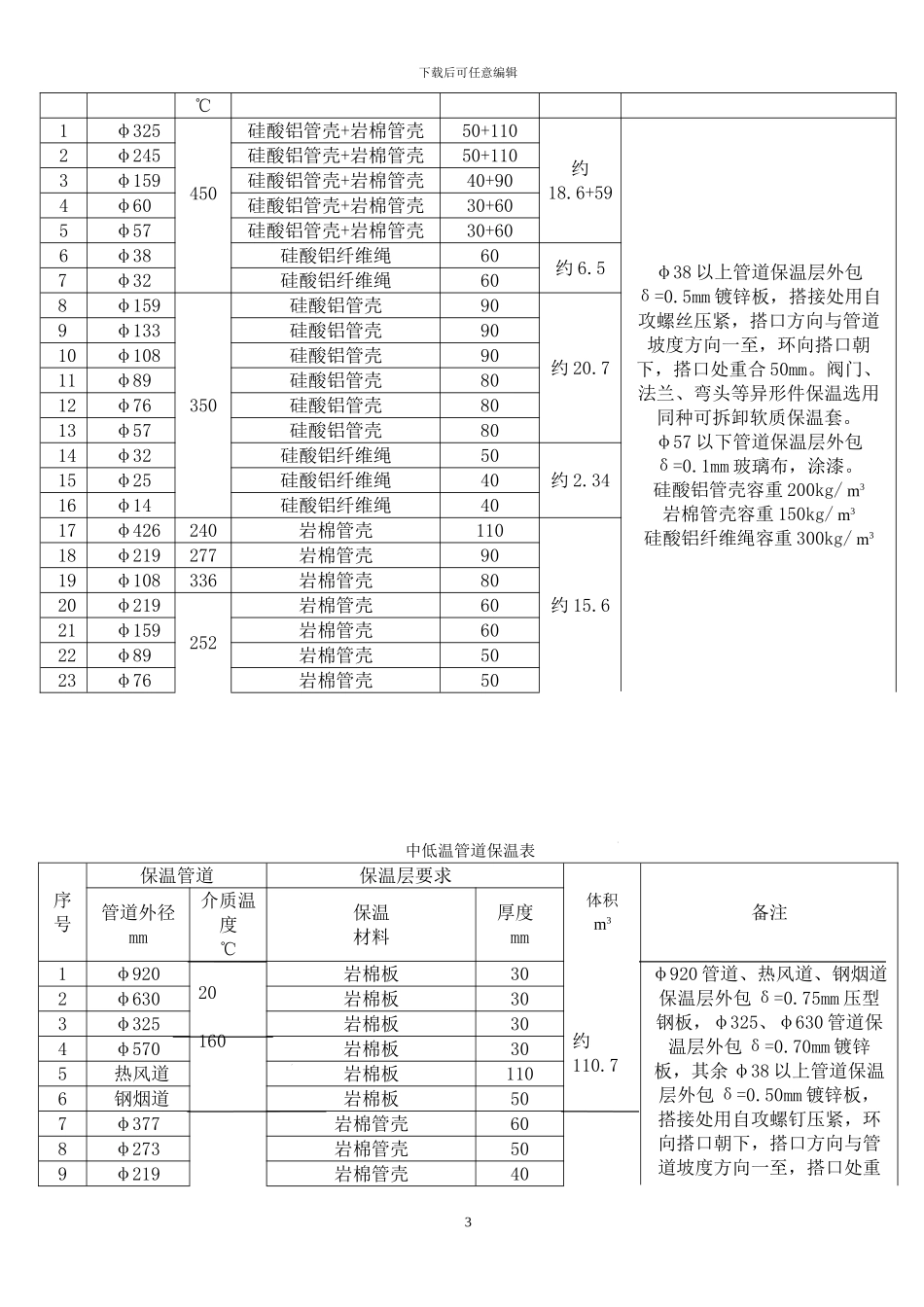
下载后可任意编辑部分设备&管道保温工程供货&施工技术协议1下载后可任意编辑 总 则 根据双方意向,电厂部分设备&管道保温工程材料的供应及施工等事项,经双方充分协商,买受方同意出卖方承担该项工程的材料供应、方案论证、运输、现场卸车、施工的业务,除合同有关条款之外,就材料供应及施工中的技术问题经双方授权代表进一步协商,签订如下协议。一 特别声明:1.本技术协议中出卖方的施工质量及施工进度必须完全满足买受方电厂项目生产的实际需要。2.出卖方对买受方提出的要求进行认真地审核,对其中存在的问题或疑问要及时提出,以便甲、乙双方汇同设计院及时做好变更。假如出卖方没有提出疑义,则视为对技术参数的认可,将来设备&管道保温工程发生问题,由出卖方全部承担责任。3.技术协议中所疏忽遗漏和错误的地方,无论是哪一方责任所造成,也无论在何时发现必须以书面形式及时提出更正意见,由甲、乙双方和设计院三方共同协商,确立解决方案,双方制订协议补充附件(协议补充附件与本协议具有同等的法律效力),合同依照双方最终协议执行。4.本技术要求提出的是最低限度的技术要求,并未对一切技术细节做出规定,也未充分引述有关标准和法律规范的条文。出卖方应保证设备&管道保温工程的施工质量符合本技术协议和有关最新工业标准的优质产品。5. 设备&管道保温工程出卖方保证根据买受方提供的图纸&相关技术要求和相应的国家标准执行。6.设备&管道保温技术通则:本技术协议要求的设备&工艺管网的保温工程旨在减少设备、管道及其附件在工作过程中的散热损失,延迟介质凝聚,保持设备及管道的生产能力与安全,节约能源,提高工作效益,降低环境温度,改善劳动条件,防止操作人员烫伤。二 安装环境:环境温度:年平均气温:12.6℃;极端最高气温:42.5℃;极端最低气温:-23℃;当地大气压:年平均气压:100000Pa;安装位置:室外;安装区域防爆等级:Ⅰ区。三、工程范围:出卖方承担买受方 2×15MW 电厂项目部分设备&管道保温材料的供应(见材料表)及施工等工程。设备&管道的保温工程的材料选用和施工方法必须执行设计要求,详见相关图纸,最终以实际收量为准。本标书招标设备&管道保温工程的参考规格、技术参数见下表:高温管道保温表序号保温管道保温层要求体积m3备注管道外径 mm介质温度保温材料厚度 mm2下载后可任意编辑℃1φ325450硅酸铝管壳+岩棉管壳50+110约18.6+59φ38 以上管道保温层外包δ=0.5mm 镀锌板,搭接处用...

1、当您付费下载文档后,您只拥有了使用权限,并不意味着购买了版权,文档只能用于自身使用,不得用于其他商业用途(如 [转卖]进行直接盈利或[编辑后售卖]进行间接盈利)。
2、本站所有内容均由合作方或网友上传,本站不对文档的完整性、权威性及其观点立场正确性做任何保证或承诺!文档内容仅供研究参考,付费前请自行鉴别。
3、如文档内容存在违规,或者侵犯商业秘密、侵犯著作权等,请点击“违规举报”。

碎片内容

电厂保温技术协议

您可能关注的文档

文森传品+ 关注
实名认证
内容提供者

一家传播文化教育的小店,资料丰富,随意挑选。

确认删除?
VIP
微信客服
  • 扫码咨询
会员Q群
  • 会员专属群点击这里加入QQ群
客服邮箱
回到顶部