电脑桌面
添加小米粒文库到电脑桌面
安装后可以在桌面快捷访问

监控采购合同范本--VIP免费

监控采购合同范本--_第1页
1/2
监控采购合同范本--_第2页
2/2
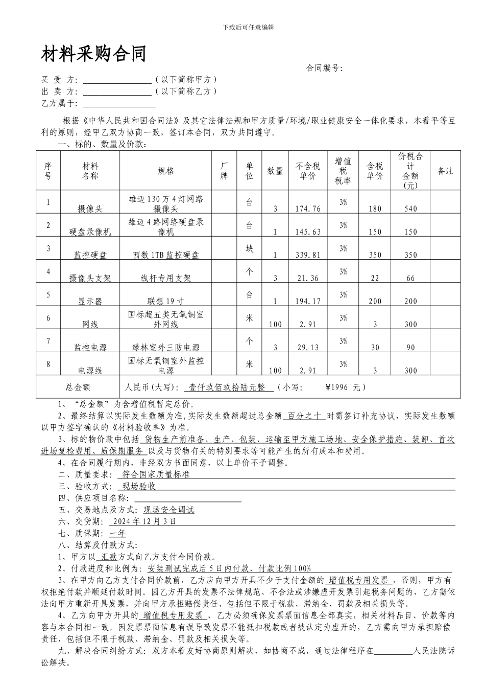
下载后可任意编辑材料采购合同 合同编号: 买 受 方: (以下简称甲方) 出 卖 方: (以下简称乙方) 乙方属于: 根据《中华人民共和国合同法》及其它法律法规和甲方质量/环境/职业健康安全一体化要求,本着平等互利的原则,经甲乙双方协商一致,签订本合同,双方共同遵守。一、标的、数量及价款:序号材料名称规格厂牌单位数量不含税单价增值税税率含税单价价税合计金额(元)备注1摄像头雄迈 130 万 4 灯网路摄像头台3174.763%1805402硬盘录像机雄迈 4 路网络硬盘录像机台1145.633%1501503监控硬盘西数 1TB 监控硬盘块1339.813%3503504摄像头支架线杆专用支架个321.363%22665显示器联想 19 寸台1194.173%2002006网线国标超五类无氧铜室外网线米1002.913%33007监控电源绿林室外三防电源个329.133%30908电源线国标无氧铜室外监控电源米1002.913%3300总金额人民币(大写): 壹仟玖佰玖拾陆元整 (小写: 1996 ¥元)1、“总金额”为含增值税暂定总价。2、最终结算以实际发生数额为准,实际发生数额超过总金额 百分之十 时需签订补充协议,实际发生数额以甲方签字确认的《材料验收单》为准。3、标的物价款中包括 货物生产前准备、生产、包装、运输至甲方施工场地、安全保护措施、装卸、首次进场复检费用、质保期服务 以及与货物有关的特别要求等可能产生的所有成本和费用。4、在合同履行期内,非经双方书面同意,以上单价不予调整。二、质量要求: 符合国家质量标准 三、验收方式: 现场验收 四、供应项目名称: 五、交易地点及方式:现场安全调试 六、交货期: 2024 年 12 月 3 日 七、质保期:一年 八、结算及付款方式:1、甲方以 汇款方式向乙方支付合同价款。2、付款进度和比例为:安装测试完成后 5 日内付款,付款比例 100% 3、在甲方向乙方支付合同价款前,乙方应向甲方开具不少于支付金额的 增值税专用发票 ,否则,甲方有权拒绝付款并顺延付款时间。因乙方开具的发票不法律规范、不合法或涉嫌虚开发票引起税务问题的,乙方需依法向甲方重新开具发票,并向甲方承担赔偿责任,包括但不限于税款、滞纳金、罚款及相关损失等。4、乙方向甲方开具的 增值税专用发票 ,乙方必须确保发票票面信息全部真实,相关材料品目、价款等内容与本合同相一致。因发票票面信息有误导致发票不能抵扣税款或者被认定为虚开的,乙方需向甲方承担赔偿责任,包括但不限于税款、滞纳金、罚款及相关损失等。九、解决合...

1、当您付费下载文档后,您只拥有了使用权限,并不意味着购买了版权,文档只能用于自身使用,不得用于其他商业用途(如 [转卖]进行直接盈利或[编辑后售卖]进行间接盈利)。
2、本站所有内容均由合作方或网友上传,本站不对文档的完整性、权威性及其观点立场正确性做任何保证或承诺!文档内容仅供研究参考,付费前请自行鉴别。
3、如文档内容存在违规,或者侵犯商业秘密、侵犯著作权等,请点击“违规举报”。

碎片内容

监控采购合同范本--

确认删除?
VIP
微信客服
  • 扫码咨询
会员Q群
  • 会员专属群点击这里加入QQ群
客服邮箱
回到顶部