电脑桌面
添加小米粒文库到电脑桌面
安装后可以在桌面快捷访问

变电站接地施工方案VIP免费

变电站接地施工方案_第1页
1/10
变电站接地施工方案_第2页
2/10
变电站接地施工方案_第3页
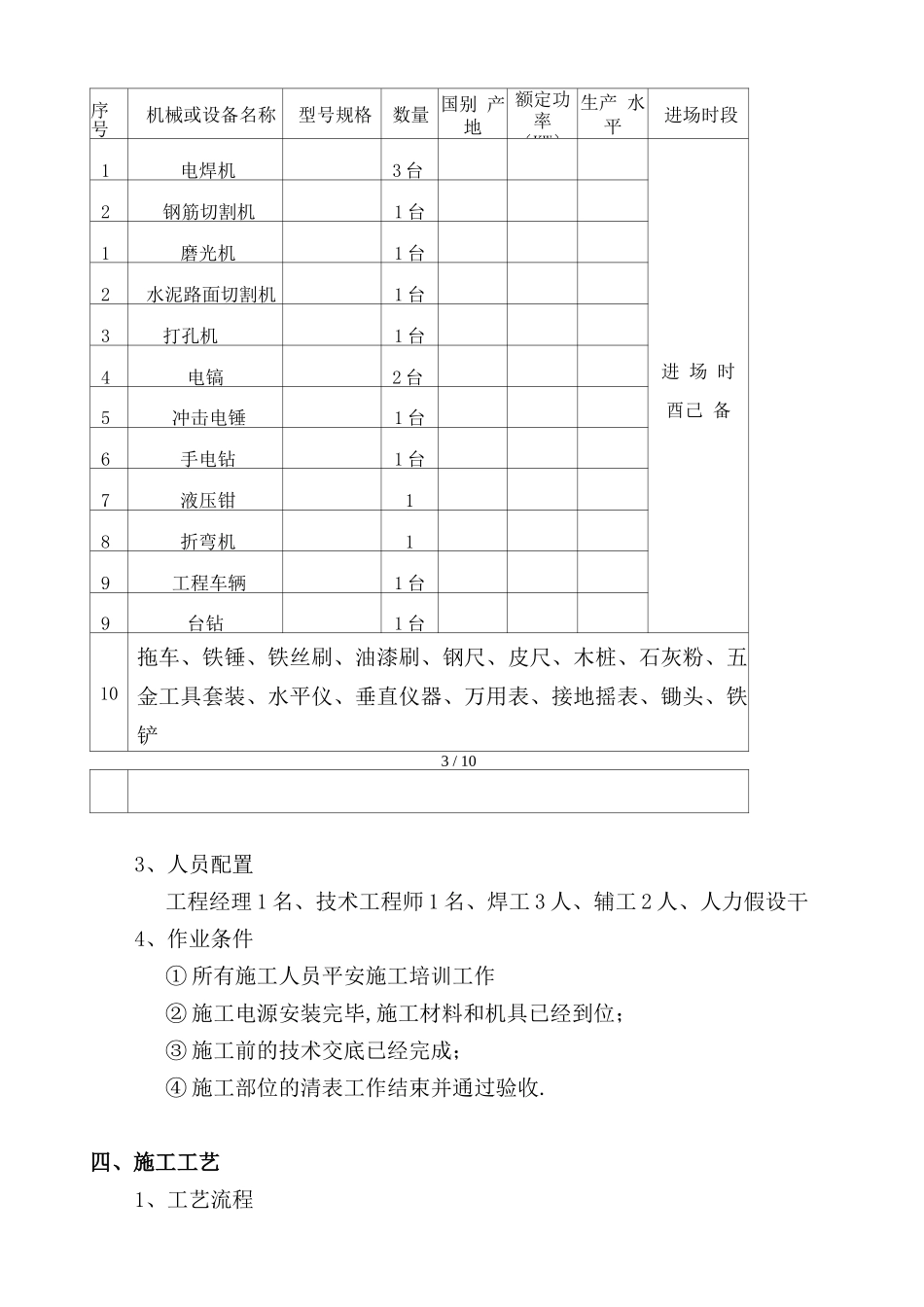
3/10
金沙县供电局 H0kV 变电站接 地 改 造 施 工 方案长沙赛瑞电子技术2021 年 05 月 05 日1 / 10全站接地施工方案一、工程简介金沙县变电站土壤电阻率约^^00Q.M 〔待详定〕.建站运行近二十年, 接地网已经老化,本站近两年遭受屡次雷击,一般是由于地网老化,电阻抬 升,造成泄流不畅,二是局部接地引下线连接点锈断或接触不牢固,导致泄 流不畅,造成设备雷击损坏.全站接地装置采用水平接地体为主的复合接地 装置,水平接地体布置采用等间距布置方法.二、接地施工要求1、本变电站主接地网采用等间距网络布置,网格尺寸为 5 米,按图纸 标注尺寸施工,如遇土建根底需要避开时,因本变电站属于正在运行的变电 站,且建筑物较多,可根据变电站内部设备及建筑物整体布局情况做适当调 整.2、新地网的铺设采用等距 5 米网格铺设〔跨步电势平安范围〕,水平接 地材料采用 60*6mm 规格热镀锌扁钢,垂直接地材料采用① 50mm*2000 镀锌钢 管.垂直接地体间距为 5 米.3、本变电站土壤电阻率较高,因此,接地系统采用水平接地网的方式, 再采用防腐离子接地体用于高土壤电阻率的避雷针集中垂直接地极.施工后 接地电阻应<1.50..4、水平接地体埋深 1.0m,垂直接地极长 2.0m,接地网暂时不外引、不 立体扩网、不使用降阻材料.变电站接地改造完成后对接地电阻进行测量, 假设不满足接地设计要求再采用特殊的降阻方法在接地网外围进行降阻改造. 集中接地装置的垂直接地极相互间距为 5 米,假设施工时不能满足,该集中接 地装置可与主接地网连接,单避雷针及避雷线接点至主变压器 35kV 及以下 设备与接地网连接点之间,沿接地体的长度不得小于 15m.避雷针集中接地 装置的水平接地极半径为 4m,垂直接地极长 5m,相互间距约为 5m.5、平场时,将所内地表耕植土收集,待平场后,用于接地装置的敷设.2 / 106、接地装置安装施工时参照各个接地点详细的图示标准进行施工.三、施工准备1、材料准备〔详细数据待详细勘测、工程施工范围的详细确定和甲方 具体要求〕接地扁钢 60*6mm4000 米镀锌钢管① 50*2000mm 400 根辅助材料〔抱箍、电力金具、油漆、电缆、铜材、〕2、主要施工机具准备序号机械或设备名称型号规格数量 国别 产地额定功 率〔KW〕生产 水平进场时段1电焊机3 台进 场 时 酉己 备2钢筋切割机1 台1磨光机1 台2水泥路面切割机1 台3打孔机1 台4电镐2 台5冲击电锤1 台6手电钻1 台7液压钳18折弯机19工程车辆1 台9台钻1 ...

1、当您付费下载文档后,您只拥有了使用权限,并不意味着购买了版权,文档只能用于自身使用,不得用于其他商业用途(如 [转卖]进行直接盈利或[编辑后售卖]进行间接盈利)。
2、本站所有内容均由合作方或网友上传,本站不对文档的完整性、权威性及其观点立场正确性做任何保证或承诺!文档内容仅供研究参考,付费前请自行鉴别。
3、如文档内容存在违规,或者侵犯商业秘密、侵犯著作权等,请点击“违规举报”。

碎片内容

变电站接地施工方案

精品文库+ 关注
实名认证
内容提供者

该用户很懒,什么也没介绍

确认删除?
VIP
微信客服
  • 扫码咨询
会员Q群
  • 会员专属群点击这里加入QQ群
客服邮箱
回到顶部