电脑桌面
添加小米粒文库到电脑桌面
安装后可以在桌面快捷访问

大屏幕施工准备及运行环境要求VIP专享VIP免费

大屏幕施工准备及运行环境要求_第1页
1/8
大屏幕施工准备及运行环境要求_第2页
2/8
大屏幕施工准备及运行环境要求_第3页
3/8
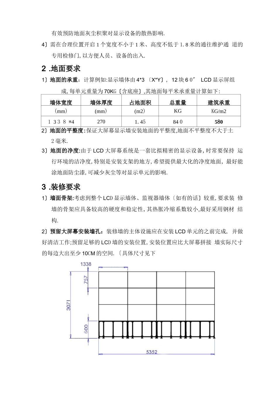
大屏幕施工准备及运行环境要求1 .维护通道要求1〕大屏幕显示墙的背后应预留 1200MM 左右的工程实施及维护通道〔如遇场地 过小,应保证最小 1000MM 左右的通道〕:2〕如果大屏幕显示系统维修通道后面的墙是玻璃墙,请用加厚型遮光布做窗帘, 用于遮光、隔热,预防阳光的直射.3〕大屏幕显示墙与维修通道的地面最好能使用静电地板或涂刷地面防尘漆,能有效预防地面灰尘积聚对显示设备的散热影响.4〕需在合理位置开启 1 个宽度不小于 1 米、高度不低于 1.8 米的通往维护通 道的专用检修门,以方便人员、设备的出入.2 .地面要求1〕地面的承重:计算例如:显示墙体由 4*3 〔X*Y〕, 12 块 6 0〞 LCD 显示屏组成,每单元重量为 70KG〔含底座〕,其地面每平米承重量计算如下:墙体宽度墙体厚度占地面积总重量建筑承重(mm)(mm)(m2)KGKG/m21 3 3 8 *42701.4584 05802〕地面的平整度:保证大屏幕显示墙安装地面的平整度,地面不平整度不大于土2 毫米.3〕地面的净度:由于 LCD 大屏幕系统是一套比拟精密的显示设备,时常要保持 运行环境的洁净度,特别是安装支架的地方,希望提供最大化的净度地面, 最好能涂地面防尘漆,可减少灰尘等对显示单元的影响.3 .装修要求1〕墙面骨架:考虑到整个 LCD 显示墙体、监视器墙体〔如有的话〕较重,要求装 修墙的骨架应具备较高的硬度和稳定性,其热胀冷缩系数较小,最好采用钢材 结构.2〕预留大屏幕安装墙孔:装修墙的主体设施应在安装 LCD 单元的之前完成, 并做好清洁工作;预留足够的 LCD 墙的安装位置,安装位置应比大屏幕拼接 墙实际尺寸的每边大出至少 10CM 的空间.〔具体尺寸见下13383〕收边处理:大屏幕拼接墙安装完成后,由现场装修公司对 LCD 显示墙和装修 墙的接口处进行收边处理.由于该收边工作而形成的 LCD 显示墙的边框, 在颜色方面应考虑与装修墙、LCD 显示墙保持一致.为了突出显示屏,可以 采用其它较浅色调〔注:建议不要采用反光类材料以免影响拼接墙整体显示效 果〕.4〕天花处理:天花宜采用外表哑光材料,乳白、银灰或浅灰色均可.墙面饰板宜 采用哑光明快色调材料,适当部位配以吸音材料.5〕静电地板:机房地面最好使用防静电地板,或其它不反光的地面材料.大屏幕 正下方不使用防静电地板,LCD 显示墙单元底座需直接安装和固定在承重混 凝土地面上.4 .供电系统要求1〕用户方应在离大屏幕拼接墙较近位置上提供系统的接入电源,空气开关需具 备短路,过流及失压保护装置.为保证...

1、当您付费下载文档后,您只拥有了使用权限,并不意味着购买了版权,文档只能用于自身使用,不得用于其他商业用途(如 [转卖]进行直接盈利或[编辑后售卖]进行间接盈利)。
2、本站所有内容均由合作方或网友上传,本站不对文档的完整性、权威性及其观点立场正确性做任何保证或承诺!文档内容仅供研究参考,付费前请自行鉴别。
3、如文档内容存在违规,或者侵犯商业秘密、侵犯著作权等,请点击“违规举报”。

碎片内容

大屏幕施工准备及运行环境要求

确认删除?
VIP
微信客服
  • 扫码咨询
会员Q群
  • 会员专属群点击这里加入QQ群
客服邮箱
回到顶部