电脑桌面
添加小米粒文库到电脑桌面
安装后可以在桌面快捷访问

施工现场危险源及应对措施VIP免费

施工现场危险源及应对措施_第1页
1/11
施工现场危险源及应对措施_第2页
2/11
施工现场危险源及应对措施_第3页
3/11
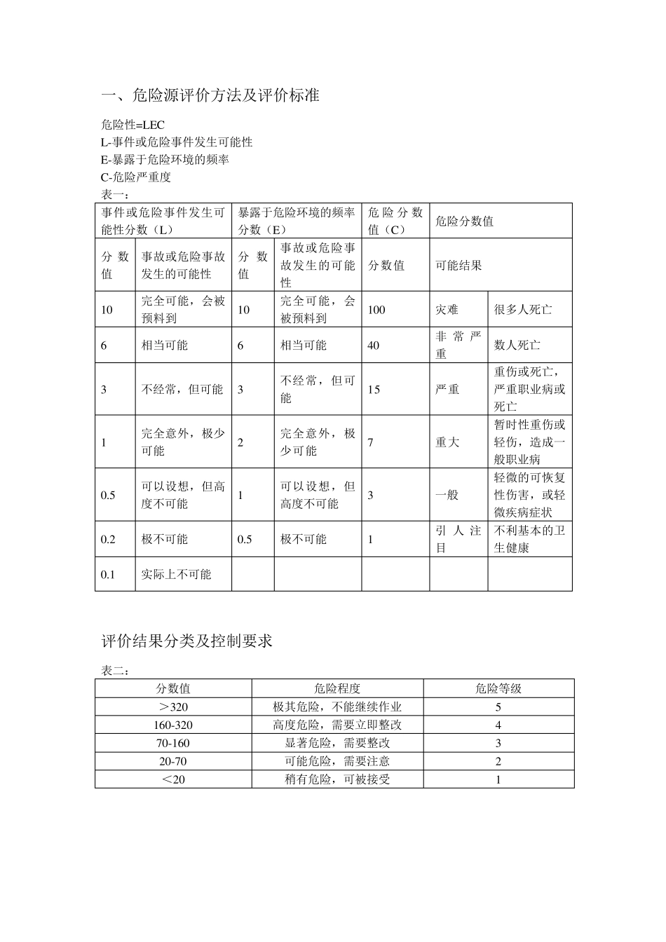
目录 一、危险源评价方法及评价标准 ................................................................................................... 2 二、临时用电方面存在的危险源及应对措施 ............................................................................... 3 三、高空作业存在的安全隐患及应对措施 ................................................................................... 4 四、起重吊装作业存在的危险源及应对措施 ............................................................................... 5 五、水上作业存在的危险源及应对措施 ....................................................................................... 6 六、机械设备存在的危险源及应对措施 ....................................................................................... 7 七、大小临建存在的危险源及控制措施 ....................................................................................... 8 八、交通运输存在的危险源及控制措施 ....................................................................................... 8 九、动火作业存在的危险源及控制措施 ....................................................................................... 9 十、特殊环境作业存在的危险源及控制措施 ............................................................................. 1 0 十一、船舶作业存在的危险源及应对措施 ................................................................................. 1 0 一、危险源评价方法及评价标准 危险性=LEC L-事件或危险事件发生可能性 E-暴露于危险环境的频率 C-危险严重度 表一: 事件或危险事件发生可能性分数(L) 暴露于危险环境的频率分数(E) 危 险 分 数值(C) 危险分数值 分 数值 事故或危险事故发生的可能性 分 数值 事故或危险事故发生的可能性 分数值 可能结果 10 完全可能,会被预料到 10 完全可能,会被预料到 100 灾难 很多人死亡 6 相当可能 6 相当可能 40 非 常 严重 数人死亡 3 不经常,但可能 3 不经常,但可能 15 严重 重伤或死亡,严重职业病或死亡 1 完全意外,极少可能 2 完全意外,极少可能 7 重大 暂时性重伤或轻伤,...

1、当您付费下载文档后,您只拥有了使用权限,并不意味着购买了版权,文档只能用于自身使用,不得用于其他商业用途(如 [转卖]进行直接盈利或[编辑后售卖]进行间接盈利)。
2、本站所有内容均由合作方或网友上传,本站不对文档的完整性、权威性及其观点立场正确性做任何保证或承诺!文档内容仅供研究参考,付费前请自行鉴别。
3、如文档内容存在违规,或者侵犯商业秘密、侵犯著作权等,请点击“违规举报”。

碎片内容

施工现场危险源及应对措施

您可能关注的文档

确认删除?
VIP
微信客服
  • 扫码咨询
会员Q群
  • 会员专属群点击这里加入QQ群
客服邮箱
回到顶部