电脑桌面
添加小米粒文库到电脑桌面
安装后可以在桌面快捷访问

施工用水量计算VIP免费

施工用水量计算_第1页
1/8
施工用水量计算_第2页
2/8
施工用水量计算_第3页
3/8
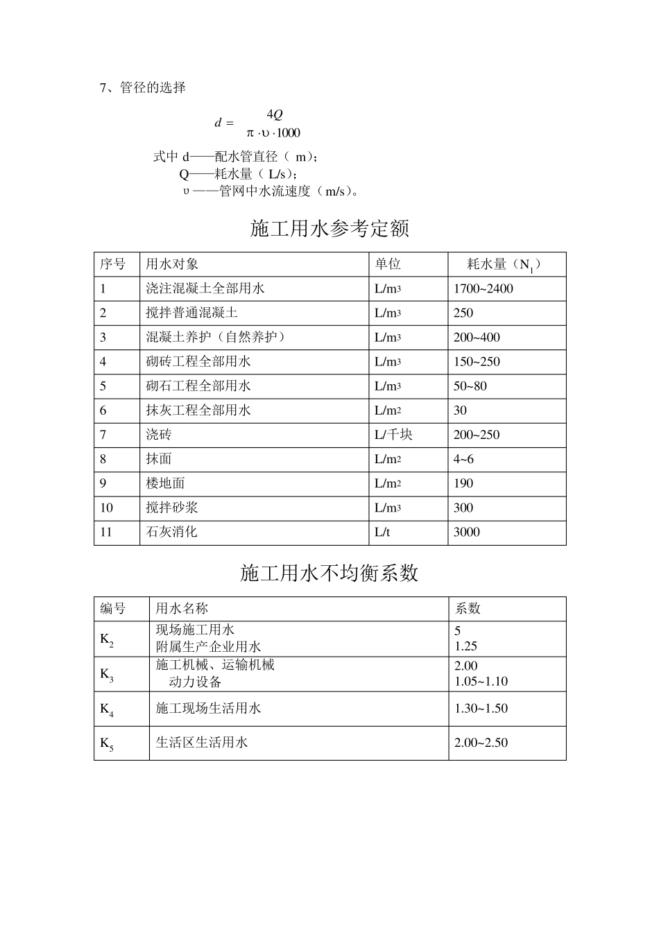
施工用水量计算 1、现场施工用水量可按下式计算: 36008211111KtTNQKq 式中q1——施工用水量(L/s); K1——未预计的施工用水系数(1.05~ 1.15); Q1——年(季)度工程量(以实物计量单位表示); N1——施工用水定额; T1——年(季)度有效作业日(d); t——每天工作班数(班); K2——用水不均衡系数; 2、施工机械用水可按下式计算: 3600832212KNQKq 式中q2——机械用水量(L/s); K1——未预计施工用水系数(1.05~ 1.15); Q2——同一种机械台数(台); N2——施工机械台班用水定额; K3——施工机械用水不均衡系数; 3、施工现场生活用水量可按下式计算: 360084313 tKNPq 式中q3——施工现场生活用水量(L/s); P1——施工现场高峰人数(人); N3——施工现场用水定额(一般为 20~ 60L/人.班); K4——施工现场不均衡系数; t——每天工作班数。 4、生活区声用水量可按下式计算: 3600245424KNPq 式中q4——生活区生活用水(L/s); P2——生活区居民人数(人); N4——生活区昼夜全部生活用水定额,每一居民每昼夜为 100~ 120L; K5——生活区用水不均衡系数。 5、消防用水量 6、总用水量(Q)计算: (1)当(q1+q2+q3+q4)≤q5 时,则 Q=q5+(q1+q2+q3+q4)/2 (2)当(q1+q2+q3+q4)>q5 时,则 Q= q1+q2+q3+q4 7、管径的选择 10004Qd 式中d——配水管直径(m); Q——耗水量(L/s); υ——管网中水流速度(m/s)。 施工用水参考定额 序号 用水对象 单位 耗水量(N1) 1 浇注混凝土全部用水 L/m3 1700~ 2400 2 搅拌普通混凝土 L/m3 250 3 混凝土养护(自然养护) L/m3 200~ 400 4 砌砖工程全部用水 L/m3 150~ 250 5 砌石工程全部用水 L/m3 50~ 80 6 抹灰工程全部用水 L/m2 30 7 浇砖 L/千块 200~ 250 8 抹面 L/m2 4~ 6 9 楼地面 L/m2 190 10 搅拌砂浆 L/m3 300 11 石灰消化 L/t 3000 施工用水不均衡系数 编号 用水名称 系数 K2 现场施工用水 附属生产企业用水 5 1.25 K3 施工机械、运输机械 动力设备 2.00 1.05~ 1.10 K4 施工现场生活用水 1.30~ 1.50 K5 生活区生活用水 2.00~ 2.50 机械用用水参考定额 序号 用水机械名称 单位 耗水量(L) 备 注 1 挖土机 M3.台班 200~ 300 以斗容量m3 计 2 起重机 t.台班 ...

1、当您付费下载文档后,您只拥有了使用权限,并不意味着购买了版权,文档只能用于自身使用,不得用于其他商业用途(如 [转卖]进行直接盈利或[编辑后售卖]进行间接盈利)。
2、本站所有内容均由合作方或网友上传,本站不对文档的完整性、权威性及其观点立场正确性做任何保证或承诺!文档内容仅供研究参考,付费前请自行鉴别。
3、如文档内容存在违规,或者侵犯商业秘密、侵犯著作权等,请点击“违规举报”。

碎片内容

施工用水量计算

确认删除?
VIP
微信客服
  • 扫码咨询
会员Q群
  • 会员专属群点击这里加入QQ群
客服邮箱
回到顶部