电脑桌面
添加小米粒文库到电脑桌面
安装后可以在桌面快捷访问

施工电梯加固方案VIP免费

施工电梯加固方案_第1页
1/8
施工电梯加固方案_第2页
2/8
施工电梯加固方案_第3页
3/8
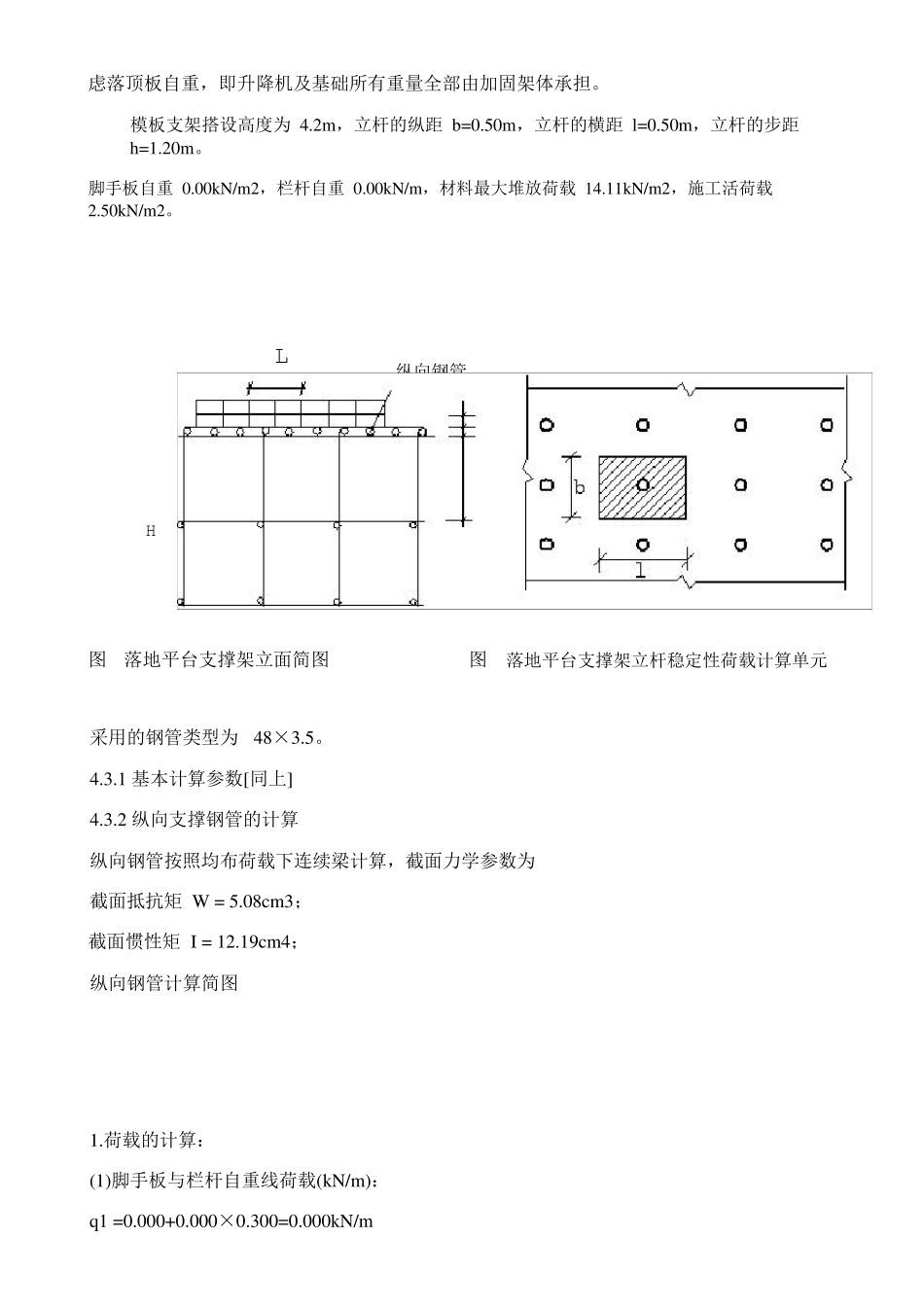
施 工 电 梯 位 于 地 下 室 顶 板 加 固 方 案 一 、 工 程 概 况 工 程 名 称 工 程 地 址 建 设 单 位 监 理 单 位 设 计 单 位 勘 察 单 位 施 工 单 位 检 测 单 位 监 督 机 构 使 用 年 限 结 构 设 计 使 用 年 限 50 年 因 施 工 现 场 环 境 所 致 , 本 工 程 施 工 电 梯 拟 安 装 在 地 下 室 顶 板 上 , 根 据 施 工 现 场 , 施 工 升降 机 基 础 只 能 设 置 在 地 下 车 库 顶 板 上 , 由 于 施 工 升 降 机 安 装 高 度 大 , 使 用 时 间 长 , 砌 体 封 闭和 装 饰 阶 段 使 用 频 繁 , 综 合 分 析 , 对 施 工 升 降 机 基 础 部 位 进 行 加 固 处 理 。 施 工 升 降 机 基 础 采 用 C16@200 双 层 双 向 布 置 , 300 厚 。 地 下 室 顶 板 混 凝 土 强 度 设 计 等 级C30, 由 于 此 基 础 位 于 地 下 室 顶 板 上 面 , 故 对 施 工 电 梯 基 础 结 构 层 内 进 行 加 固 。 二 、 加 固 方 案 采 用 加 固 方 案 如 下 : 采 用 模 板 支 撑 体 系 进 行 加 固 , 模 板 支 架 搭 设 高 度 为 地 下 车 库 防 水 底板 上 平 至 车 库 顶 板 板 底 , 搭 设 尺 寸 为 : 搭 设 高 度 负 一 层 3.5m, 立 杆的纵距 b=0.5m, 立杆的横距 l=0.5m, 立 杆的步距 h=1.20m 。 搭 设 范围为 施 工 电 梯 基 础 外边各出 2m 即不小于 8m ×10.2m 范围内 。 采 用 的钢管类型为 φ48×3.5。 1)必须设 置 双 向 顶 杆一 道、 双 向 腰杆三道和 双 向 扫地 杆一 道: 在 立 柱底 距地 面 200m m 高 处 , 沿纵横水 平 方 向 应按纵下 横上 的程 序 设 扫地 杆。 可 调 支 托 底 部 的立 柱顶 端 应沿纵横向 设 置 一 道纵横水 平 拉 杆。 扫地 杆与 顶 部 水 平 拉 杆之 间 的间 距. 在 满 足 模 板 设 计 所 确 定 的水 平 拉 杆步距 1.2m 要 求条 件 下 . 进 行 平 均 分 配 确 定 步距后 . 在 每 一 步距处 纵横向 应各设 一 道水 平 剪 刀...

1、当您付费下载文档后,您只拥有了使用权限,并不意味着购买了版权,文档只能用于自身使用,不得用于其他商业用途(如 [转卖]进行直接盈利或[编辑后售卖]进行间接盈利)。
2、本站所有内容均由合作方或网友上传,本站不对文档的完整性、权威性及其观点立场正确性做任何保证或承诺!文档内容仅供研究参考,付费前请自行鉴别。
3、如文档内容存在违规,或者侵犯商业秘密、侵犯著作权等,请点击“违规举报”。

碎片内容

施工电梯加固方案

确认删除?
VIP
微信客服
  • 扫码咨询
会员Q群
  • 会员专属群点击这里加入QQ群
客服邮箱
回到顶部