电脑桌面
添加小米粒文库到电脑桌面
安装后可以在桌面快捷访问

灌注桩基础桩位偏差表VIP免费

灌注桩基础桩位偏差表_第1页
1/17
灌注桩基础桩位偏差表_第2页
2/17
灌注桩基础桩位偏差表_第3页
3/17
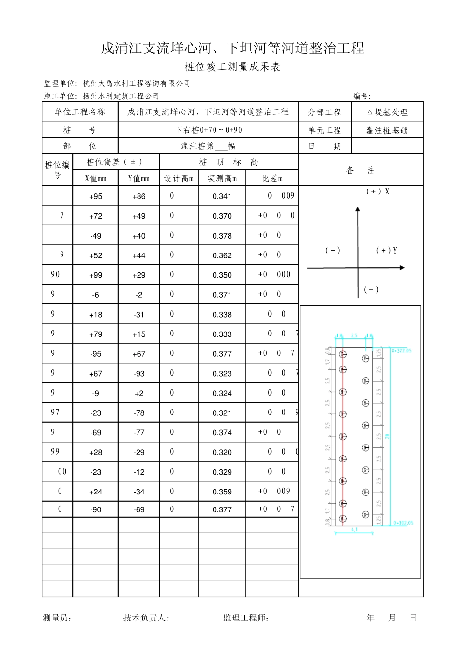
分部工程△堤基处理单元工程灌注桩基础日 期X值mmY值mm设计高m实测高m比差m52#+3 4-3 00.350 .3 7 8+0.028 (+)X53#-1 8+4 00.350 .3 7 1+0.02154#-6-5 60.350 .3 5 0+0.00055#-5 8+20.350 .3 5 9+0.00956#-7-4 80.350 .3 4 1-0.00957#-5 7+1 60.350 .3 3 6-0.014 (-)58#+8 5-6 40.350 .3 4 9-0.00159#-6 2-9 40.350 .3 3 9-0.01160#-6 0-2 00.350 .3 5 8+0.00861#-6 1+3 20.350 .3 2 5-0.02562#+5 1-00.350 .3 7 7+0.02763#-7 8-4 10.350 .3 3 3-0.01764#-1 2-00.350 .3 6 5+0.01565#+3 9-7 10.350 .3 2 6-0.02466#+8 9+70.350 .3 3 0-0.02067#+8 1+9 50.350 .3 4 8-0.00268#+2 6+30.350 .3 3 4-0.016桩 号下右桩0+30~0+50备 注(-) (+)Y部 位灌注桩第 4 幅桩位编号桩位偏差(±)桩 顶 标 高戍浦江支流垟心河、下坦河等河道整治工程桩位竣工测量成果表监理单位:杭州大禹水利工程咨询有限公司施工单位:扬州水利建筑工程公司 编号:单位工程名称戍浦江支流垟心河、下坦河等河道整治工程测量员: 技术负责人: 监理工程师:年 月 日分部工程△堤基处理单元工程灌注桩基础日 期X值mmY值mm设计高m实测高m比差m69#-0+4 00.350 .3 4 1-0.009 (+)X70#+3 3+5 80.350 .3 4 6-0.00471#+7 6-80.350 .3 3 7-0.01372#+4 8-3 40.350 .3 6 8+0.01873#+2 5+8 80.350 .3 7 3+0.02374#-9 2+7 00.350 .3 2 6-0.024 (-)75#+2 2-80.350 .3 6 9+0.01976#+6 9+2 90.350 .3 2 2-0.02877#-1 2-4 20.350 .3 4 1-0.00978#-5 7-3 40.350 .3 7 5+0.02579#-1 3-8 90.350 .3 3 9-0.01180#+3 9+1 10.350 .3 7 7+0.02781#+1 0 0+8 20.350 .3 7 2+0.02282#-3 8+5 80.350 .3 2 9-0.02183#-8 5+7 20.350 .3 4 0-0.01084#-8 9+8 50.350 .3 7 3+0.02385#+8 3-7 60.350 .3 6 0+0.010桩 号下右桩0+50~0+70备 注(-) (+)Y部 位灌注桩第 5 幅桩位编号桩位偏差(±)桩 顶 标 高戍浦江支流垟心河、下坦河等河道整治工程桩位竣工测量成果表监理单位:杭州大禹水利工程咨询有限公司施工单位:扬州水利建筑工程公司 编号:单位工程名称戍浦江支流垟心河、下坦河等河道整治工程测量员: 技术负责人: 监理工程师:年 月 日分部工程△堤基处理单元工程灌注桩基础日 期X值mmY值mm...

1、当您付费下载文档后,您只拥有了使用权限,并不意味着购买了版权,文档只能用于自身使用,不得用于其他商业用途(如 [转卖]进行直接盈利或[编辑后售卖]进行间接盈利)。
2、本站所有内容均由合作方或网友上传,本站不对文档的完整性、权威性及其观点立场正确性做任何保证或承诺!文档内容仅供研究参考,付费前请自行鉴别。
3、如文档内容存在违规,或者侵犯商业秘密、侵犯著作权等,请点击“违规举报”。

碎片内容

灌注桩基础桩位偏差表

您可能关注的文档

确认删除?
VIP
微信客服
  • 扫码咨询
会员Q群
  • 会员专属群点击这里加入QQ群
客服邮箱
回到顶部