电脑桌面
添加小米粒文库到电脑桌面
安装后可以在桌面快捷访问

火力发电行业风险分级管控清单及风险点、危险源统计表(B1作业活动风险分级管控清单运行车间)VIP免费

火力发电行业风险分级管控清单及风险点、危险源统计表(B1作业活动风险分级管控清单运行车间)_第1页
1/19
火力发电行业风险分级管控清单及风险点、危险源统计表(B1作业活动风险分级管控清单运行车间)_第2页
2/19
火力发电行业风险分级管控清单及风险点、危险源统计表(B1作业活动风险分级管控清单运行车间)_第3页
3/19
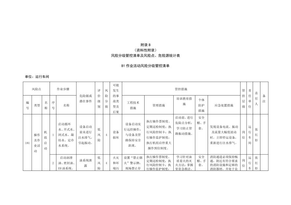
附录B (资料性附录) 风险分级管控清单及风险点、危险源统计表 B1 作业活动风险分级管控清单 单位:运行车间 风 险 点 作 业 步 骤 危 险 源 或潜 在 事 件 评价级别 风险分级 可 能发 生的 事故 类型 及后 果 管 控 措 施 管控层级 责任单位 责任人 备注 编号 类 型 名称 序号 名 称 工 程 技 术 措 施 管 理 措 施 培 训 教 育 措施 个 体防 护措 施 应 急 处 置 措 施 181 操 作及 作业 活动 机组启动 1 启 动 循 环水 、 开 式 水 、闭 式 水 、 凝结 水 、 定 冷水 系 统 。 设 备 启 动前 未 进 行注 水 排 气 ,引 起 振 动 。 低风险 4 设 备损 坏 设 备 启 动 实行 远 控 操 作 ;与 设 备 及 管路 保 持 安 全距 离 。 执 行 操 作 票 制 度 、定 期 巡 检 制 度 ; 执行 风 险 控 制 卡 ; 执行 操 作 监 护 制 度 ;执 行 机 组 启 停 重 大操 作 到 位 制 度 。 启 动 前 , 进 行危 险 点 分 析 ;学 习 防 止 管路 振 动 措 施 。 安 全帽 、 手套。 发 现设 备 电流、 振 动及 流量大 幅度 波动时, 立即停 运设 备 ,重 新进 行 注 水 排 气 。 岗位 运行车间 张红炬 2 启 动 润滑油、 密封油、EH 油系 统 。 油系 统 泄露 低风险 4 火灾和环境污设 置 “禁止 烟火” 警 示 牌 ;现场 禁止 存执 行 操 作 票 制 度 、定 期 巡 检 制 度 ; 执行 风 险 控 制 卡 ; 执行 操 作 监 护 制 度 ;学 习 针 对 油质 着 火的 灭火方 法 ; 掌 握窒 息 急 救 法 、安 全帽 、 手套。 消 防 通 道 必 须 保 持 畅通 , 附 近 有 符 合 要 求的 消 防 设 施 和足 够 的消 防 器 材 , 并 处 于 良岗位 运行车张红炬 染 放易燃易爆物品或堆积杂物;油系统水平管道上阀门不得立式安装;进入燃油区域,穿不产生静电的工作服及无铁钉工作鞋,使用铜制工具。 执行机组启停重大操作到位制度;执行设备启动检查卡,确保油系统管路畅通;检查各透平油管,法兰盘等连接处是否有渗油、漏油现象。 心肺复苏法等,掌握防护用品的使用方法,会使用现场消防器材;操作前进行危险点分析和预控措施的...

1、当您付费下载文档后,您只拥有了使用权限,并不意味着购买了版权,文档只能用于自身使用,不得用于其他商业用途(如 [转卖]进行直接盈利或[编辑后售卖]进行间接盈利)。
2、本站所有内容均由合作方或网友上传,本站不对文档的完整性、权威性及其观点立场正确性做任何保证或承诺!文档内容仅供研究参考,付费前请自行鉴别。
3、如文档内容存在违规,或者侵犯商业秘密、侵犯著作权等,请点击“违规举报”。

碎片内容

火力发电行业风险分级管控清单及风险点、危险源统计表(B1作业活动风险分级管控清单运行车间)

您可能关注的文档

小辰6+ 关注
实名认证
内容提供者

出售各种资料和文档

确认删除?
VIP
微信客服
  • 扫码咨询
会员Q群
  • 会员专属群点击这里加入QQ群
客服邮箱
回到顶部