电脑桌面
添加小米粒文库到电脑桌面
安装后可以在桌面快捷访问

灰库施工方案VIP免费

灰库施工方案_第1页
1/25
灰库施工方案_第2页
2/25
灰库施工方案_第3页
3/25
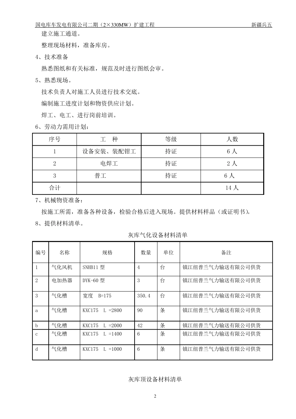
国电库车发电有限公司二期(2×330MW)扩建工程 新疆兵五 1 灰库设备安装施工方案 一、编制依据: 1、灰库施工图纸 65-FA00693S-C0401、C0402、C0403、K0601、 2、《电力建设施工质量验收及评定规程》DL/T5210.2-2009 3、《电力建设安全工作规程》DL5009.1-2002(火力发电厂部分) 4、《建筑施工手册》第四版 5、《建筑施工高处作业安全技术规定》JGJ80-91 6、已批准的《灰库施工组织设计》 7、《电力建设施工及验收技术规范》DL/T5047-95 8、《火力发电厂焊接技术规程》DL/T869-2004 9、《钢结构工程施工及验收规范》GB50205-2001 10、电力建设施工及验收技术规范(管道篇)DL5031-94 二、工程概况: 1、国电库车发电有限公司二期(2×330MW)扩建工程位于库车县城西北约 7km,库车至独山子的 217 国道与乌鲁木齐至喀什的 314 国道分别沿南北和东西方向交汇于厂区东北约 1.5km处。南疆铁路平行于 314 国道从厂区南部 3km 处穿过。国电库车发电有限公司二期(2×330MW)扩建工程位于库车县城西北约 7km,库车至独山子的 217 国道与乌鲁木齐至喀什的 314 国道分别沿南北和东西方向交汇于厂区东北约 1.5km 处。南疆铁路平行于 314 国道从厂区南部 3km处穿过。 2、灰库主体尺寸:长×宽×高=38×13×36.65m,,筒壁厚为350 ㎜。建筑物总高度为 36.65 m,沿高度方向结构分为5.75m, 11.75m,29m,35.75m 四层;为钢筋混凝土现浇框架梁板。结构:钢筋混凝土筒体结构。主体结构已封顶。该系统采用一级输送方式将电除尘器的飞 灰输送至粗 、细 灰库3 座 混凝土灰库,其 中2 座 粗 灰库,1 座 细 灰库。每 座 贮 灰库下 均 设三 个 卸料 口 :一路安装 一台 湿 式搅 拌 机 把 干 灰加 适 量水 后 ,用汽 车运 送到 灰场 进 行碾 压 堆 放 ;一路安装 一台 干 灰散 装 机 装 车,将干 灰运 至综 合 利 用点 ;一路预 留 备 用接口 。 3、设备 安装 时 间 开 始 为2012 年 5 月 1 日 至 2012 年 5 月 30 日 结束 。 三 、施工准备 : 1、设备 安装 、钳 工小 组 小 组之 间 做 到 明 确 分工,相 互 协 作,穿插 施工,提 高工作效 率 。 2、施工准备 3、现场 准备 国电库车发电有限公司二期(2×330MW)扩建工程 新疆兵五 2 建立施工通道。 整理现场材料,准备库房。 4、技术准备 熟悉图纸和有关...

1、当您付费下载文档后,您只拥有了使用权限,并不意味着购买了版权,文档只能用于自身使用,不得用于其他商业用途(如 [转卖]进行直接盈利或[编辑后售卖]进行间接盈利)。
2、本站所有内容均由合作方或网友上传,本站不对文档的完整性、权威性及其观点立场正确性做任何保证或承诺!文档内容仅供研究参考,付费前请自行鉴别。
3、如文档内容存在违规,或者侵犯商业秘密、侵犯著作权等,请点击“违规举报”。

碎片内容

灰库施工方案

小辰6+ 关注
实名认证
内容提供者

出售各种资料和文档

确认删除?
VIP
微信客服
  • 扫码咨询
会员Q群
  • 会员专属群点击这里加入QQ群
客服邮箱
回到顶部