电脑桌面
添加小米粒文库到电脑桌面
安装后可以在桌面快捷访问

烟道安装作业指导书VIP免费

烟道安装作业指导书_第1页
1/8
烟道安装作业指导书_第2页
2/8
烟道安装作业指导书_第3页
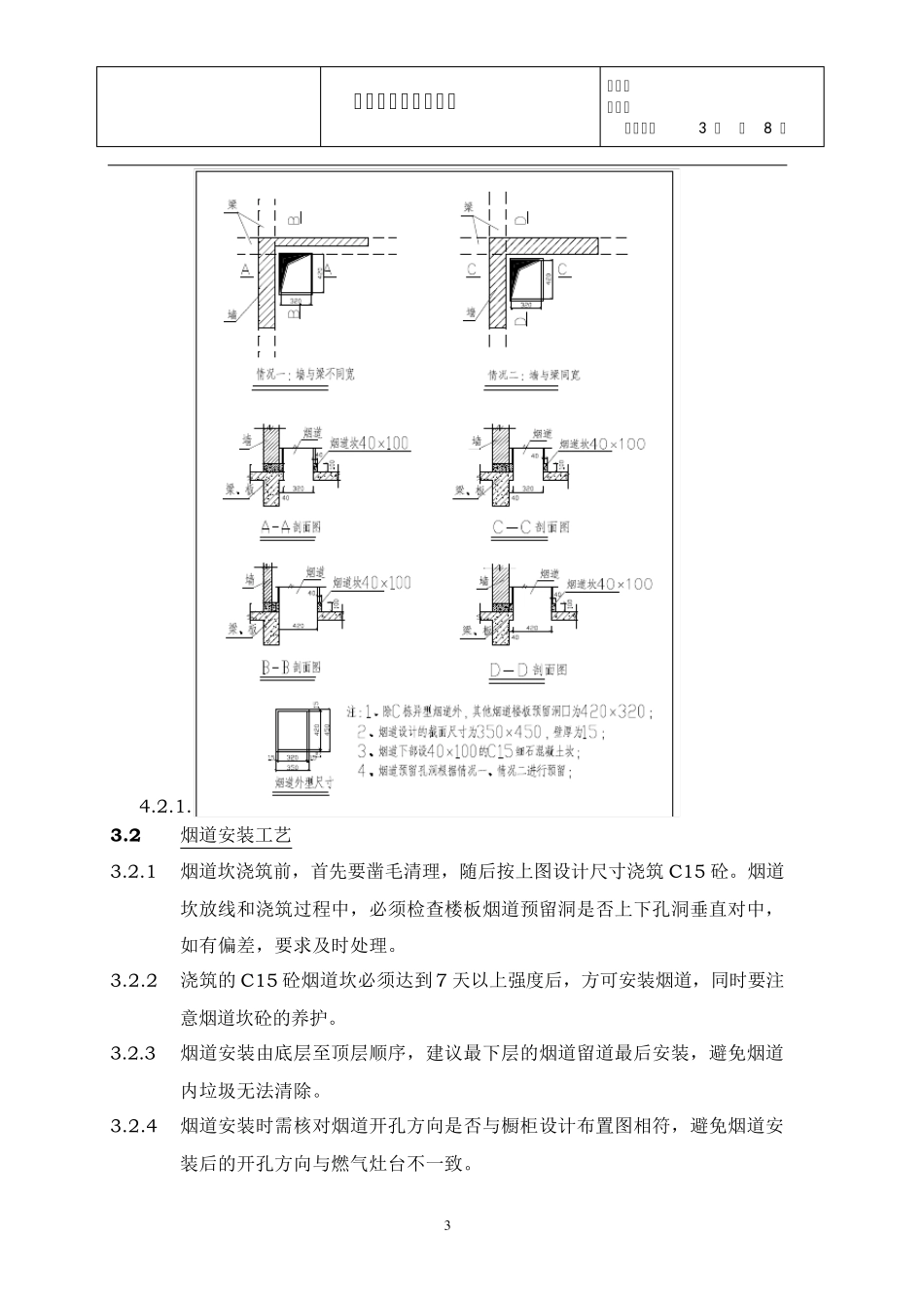
3/8
烟道安装作业指导书 编号: 版号: 页码:第 1 页 共 8 页 1 烟道安装作业指导书 修改记录: 序号 修改内容 日期 编制 修改 审核 1 2 3 为加强室内烟道安装质量控制,同时协调总包和烟道安装单位的工作配合,特制定此烟道安装工程施工管理制度。 1. 适用范围 适用于垂直集中排烟系统的单孔烟道安装工程。 2. 施工材料准备 2.1 烟道加工生产的品种、规格、强度等级等技术指标应符合设计要求,外观表面不允许有裂缝,言道截面尺寸偏差在±5mm。 2.2 烟道要求保证 15 天以上的自然养护期。 2.3 烟道进场后,要求每500 条材料送检一组,烟道轴向抗压强度≥38KN。 2.4 进入施工现场的烟道上应标识有具体生产日期和工程项目名称。 2.5 烟道止逆阀,它具有止逆、油雾分离等功效,但同一排气道中严禁采用其他止逆阀代用,否则会造成排气道内的烟气倒灌。 2.6 风帽:首先要考虑风帽的防绣。材料选用优先考虑不锈钢或铝合金等不锈材料;其次还要考虑风帽本身必须具备的强度、制作成品偏心等问题。 3. 烟道体系安装设计 3.1 烟道设计原理 烟道安装质量易出现问题 改进措施 以往烟道安装是从楼板预留洞口中烟道安装前,由总包负责预先在地面浇筑烟道 烟道安装作业指导书 编号: 版号: 页码:第 2 页 共 8 页 2 烟道安装质量易出现问题 改进措施 往上层层叠加支撑,当三十多层的烟道叠加后,容易造成累计沉降,最终的沉降量比较大,这样造成烟道壁开裂 坎,并且烟道坎浇筑高度要严格按设计要求施工,具体见下图 烟道材料制作高度控制误差大 H=h-a-20 H:烟道材料制作高度 h:楼层净高 a:烟道坎高度 20:烟道安装时扣减高度 烟道贴砖后空鼓 烟道安装完成后,在烟道外壁甩浆养护后,按墙体抹灰质量控制方式,在烟道外壁抹灰(由于烟道与墙体位置不易挂钢丝网,可省略),随后在抹灰面层上铺贴厨房墙砖 烟道漏烟的几种可能: 1、 烟道上、下口水泥砂浆塞缝未塞实; 2、 烟道上口的里口塞缝未塞实; 3、 烟道止逆阀安装未牢固,有缝隙; 4、 烟道本身发生质量裂缝等问题; 根据烟道漏烟的几种问题,我们在烟道质量过程中着重控制如下: 1、 验收时要重点检查上、下口砂浆和上口的里口塞缝; 2、 验收时要重点检查上口的里口塞缝; 3、 烟道全部要求进行抹灰施工; 4、 烟道进场时,对其外观进行检查,当烟道管体裂缝时,要求退场; 烟道安装作业指导书 编号: 版...

1、当您付费下载文档后,您只拥有了使用权限,并不意味着购买了版权,文档只能用于自身使用,不得用于其他商业用途(如 [转卖]进行直接盈利或[编辑后售卖]进行间接盈利)。
2、本站所有内容均由合作方或网友上传,本站不对文档的完整性、权威性及其观点立场正确性做任何保证或承诺!文档内容仅供研究参考,付费前请自行鉴别。
3、如文档内容存在违规,或者侵犯商业秘密、侵犯著作权等,请点击“违规举报”。

碎片内容

烟道安装作业指导书

小辰5+ 关注
实名认证
内容提供者

出售各种资料和文档

确认删除?
VIP
微信客服
  • 扫码咨询
会员Q群
  • 会员专属群点击这里加入QQ群
客服邮箱
回到顶部