电脑桌面
添加小米粒文库到电脑桌面
安装后可以在桌面快捷访问

()钢管落地式卸料平台施工方案VIP免费

()钢管落地式卸料平台施工方案_第1页
1/20
()钢管落地式卸料平台施工方案_第2页
2/20
()钢管落地式卸料平台施工方案_第3页
3/20
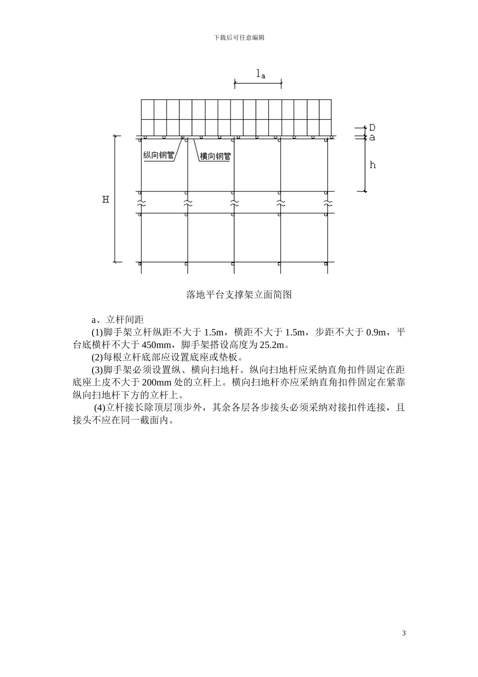
南京医科大学康达学院 药学楼/护理学楼落地式卸料平台施工方案 编制人: 审核人: 批准人: 江苏玉龙建设工程有限公司2012 年 4 月 16 日卸料平台专项施工方案下载后可任意编辑一、工程概况本工程结构形式为框架结构,地上 5 层,局部地下 1 层;建筑总高度25m,外排架采纳落地式钢管脚手架,卸料平台采纳落地式钢管脚手架搭设形式。二、编制依据《建筑施工计算手册》江正荣著 中国建筑工业出版社;《建筑施工手册》第四版 中国建筑工业出版社;《钢结构设计法律规范》GB50017-2024 中国建筑工业出版社;《建筑施工脚手架有用手册(含垂直运输设施)》中国建筑工业出版社;《建筑结构荷载法律规范》GB50009-2001 中国建筑工业出版社;《建筑施工扣件式钢管脚手架安全技术法律规范》JGJ130-2024 中国建筑工业出版社;《建筑地基基础设计法律规范》GB50007-2024 中国建筑工业出版社;《建筑施工安全检查标准》JGJ59-2024 中国建筑工业出版社;三、卸料平台方案选择及布置1、本工程采纳钢管落地式脚手架,考虑周转材料及砌体、抹灰等施工需要,拟搭设落地式卸料平台。四、卸料平台的搭设 (一)、材料准备采纳 ø 48×3.5 钢管及扣件;5×10 木枋、1.8㎝厚木胶板;(二)、卸料平台的搭设要求1、严格执行安全技术交底制度。安全技术交底工作,是施工负责人向作业人员进行职责落实的法律要求,要严肃仔细的进行,不能流于形式,并履行签字手续。安全技术交底主要包括两方面的内容:一是在施工方案的基础上进行的,根据施工方案的要求,对施工方案进行细化和补充;二是要将操作者的安全注意事项讲明,保证操作者的人身安全。2、落实安全生产责任制,强化安全检查 。项目、班组必须专人负责对卸料平台的搭设、拆卸进行跟踪、督促、检查。3、各种材料必须满足国家及行业要求,必须是合格产品,符合卸料平台施工方案中对材料的要求。4、卸料平台限重 1 吨,严禁超载运行。挂限重牌,并固定责任人。(三)、卸料平台的搭设1、钢管落地卸料平台落地卸料平台搭设的工艺流程为:材料配备→定位设置通长脚手板、底座→纵向扫地杆→立杆→横向扫地杆→水平横杆→水平纵杆→剪刀撑→连墙件→铺脚手板→扎防护栏杆→扎安全网。以下时落地平台的构造要求:2剪刀撑下载后可任意编辑落地平台支撑架立面简图a、立杆间距(1)脚手架立杆纵距不大于 1.5m,横距不大于 1.5m,步距不大于 0.9m,平台底横杆不大于 450mm,脚手架搭设高度为 2...

1、当您付费下载文档后,您只拥有了使用权限,并不意味着购买了版权,文档只能用于自身使用,不得用于其他商业用途(如 [转卖]进行直接盈利或[编辑后售卖]进行间接盈利)。
2、本站所有内容均由合作方或网友上传,本站不对文档的完整性、权威性及其观点立场正确性做任何保证或承诺!文档内容仅供研究参考,付费前请自行鉴别。
3、如文档内容存在违规,或者侵犯商业秘密、侵犯著作权等,请点击“违规举报”。

碎片内容

()钢管落地式卸料平台施工方案

您可能关注的文档

确认删除?
VIP
微信客服
  • 扫码咨询
会员Q群
  • 会员专属群点击这里加入QQ群
客服邮箱
回到顶部