电脑桌面
添加小米粒文库到电脑桌面
安装后可以在桌面快捷访问

110kV主变压器间隔保护施工作业指导书DLJB-ZW-10VIP免费

110kV主变压器间隔保护施工作业指导书DLJB-ZW-10_第1页
1/21
110kV主变压器间隔保护施工作业指导书DLJB-ZW-10_第2页
2/21
110kV主变压器间隔保护施工作业指导书DLJB-ZW-10_第3页
3/21
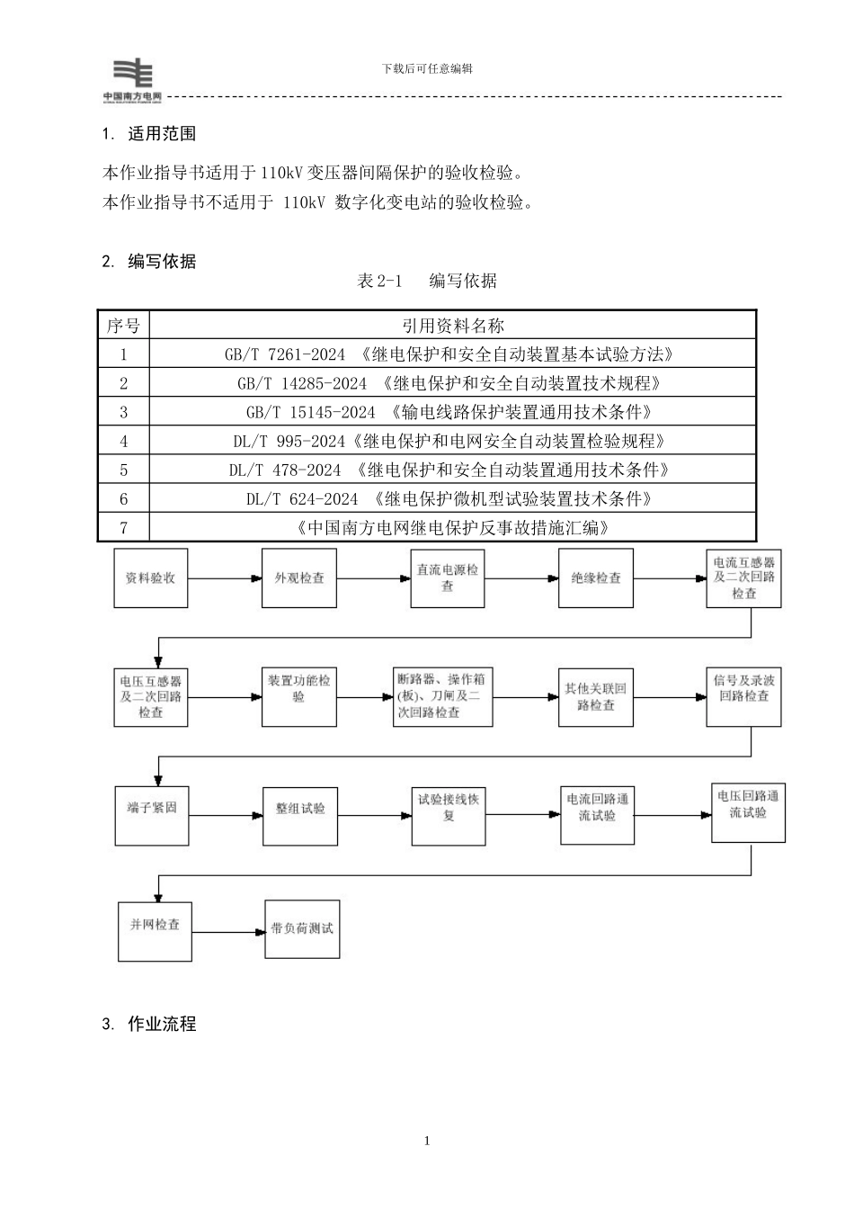
下载后可任意编辑110kV 主变压器间隔保护施工作业指导书编码:DLJB-ZW-10批 准:审 核:编 写: 中山市城区电气工程有限公司2013 年 08 月 01 日目 录下载后可任意编辑1. 适用范围...............................................................................................................................12. 编写依据...............................................................................................................................13. 作业流程...............................................................................................................................24. 安全风险辨析与预控...........................................................................................................25. 作业准备...............................................................................................................................46 .作业方法及质量控制措施...................................................................................................67 .质量控制措施及检验标准.................................................................................................19下载后可任意编辑1. 适用范围本作业指导书适用于 110kV 变压器间隔保护的验收检验。本作业指导书不适用于 110kV 数字化变电站的验收检验。2. 编写依据表 2-1 编写依据序号引用资料名称1GB/T 7261-2024 《继电保护和安全自动装置基本试验方法》2GB/T 14285-2024 《继电保护和安全自动装置技术规程》3GB/T 15145-2024 《输电线路保护装置通用技术条件》4DL/T 995-2024《继电保护和电网安全自动装置检验规程》5DL/T 478-2024 《继电保护和安全自动装置通用技术条件》6DL/T 624-2024 《继电保护微机型试验装置技术条件》 7《中国南方电网继电保护反事故措施汇编》3. 作业流程1下载后可任意编辑图 3-1 作业流程图4. 安全风险辨析与预控4.1 110kV 主变间隔保护施工作业前,施工项目部根据该项目作业任务、施工条件,参照《电网建设施工安全基准风险指南》(下简称《指南》)开展针对性安全风险评估工作,形成该任务的风险分析表。4.2 按《指南》中与 110kV 主变间隔保护施工相关联的《电网建设安全施工作业票》(编码:DLJB-ZW-10-0...

1、当您付费下载文档后,您只拥有了使用权限,并不意味着购买了版权,文档只能用于自身使用,不得用于其他商业用途(如 [转卖]进行直接盈利或[编辑后售卖]进行间接盈利)。
2、本站所有内容均由合作方或网友上传,本站不对文档的完整性、权威性及其观点立场正确性做任何保证或承诺!文档内容仅供研究参考,付费前请自行鉴别。
3、如文档内容存在违规,或者侵犯商业秘密、侵犯著作权等,请点击“违规举报”。

碎片内容

110kV主变压器间隔保护施工作业指导书DLJB-ZW-10

您可能关注的文档

确认删除?
VIP
微信客服
  • 扫码咨询
会员Q群
  • 会员专属群点击这里加入QQ群
客服邮箱
回到顶部