电脑桌面
添加小米粒文库到电脑桌面
安装后可以在桌面快捷访问

纸箱技术规格书VIP免费

纸箱技术规格书_第1页
1/6
纸箱技术规格书_第2页
2/6
纸箱技术规格书_第3页
3/6
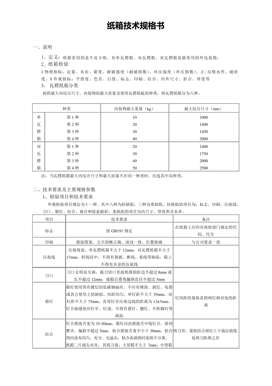
纸 箱 技 术 规 格 书 一、说明 1、定义:纸箱常用的是牛皮卡纸,有单瓦楞箱、双瓦楞箱。双瓦楞箱是最常用的外包装箱。 2、纸箱检验 A 物理指标:定量、水份、紧度、耐破强度(耐破指数)、环压强度(环压指数)、正/反吸水性、耐折度。B 外观指标:平滑度、色差、白度、标志、印刷、结合、内外尺寸、折合、厚度等 3、 瓦楞纸箱分类 按照最大内综合尺寸,内装物的最大质量及使用瓦楞纸板的种类,将瓦楞纸箱分为八种。 种类 内装物最大重量(kg) 最大综合尺寸(mm) 单 瓦 楞 箱 第 1 种 第 2 种 第 3 种 第 4 种 10 20 30 40 1000 1400 1450 2000 双 瓦 楞 箱 第 1 种 第 2 种 第 3 种 第 4 种 20 30 40 50 1400 1750 2000 2500 注:当瓦楞纸箱最大内综合尺寸和最大质量不在同一种类时,应选其中高种类。 二、技术要求及主要规格参数 1、检验项目和技术要求 外观检验项目规定为十一种。其中八种为轻缺陷,三种为重缺陷。轻缺陷的项目为:标志、印刷、压痕线、刀口、箱钉、结合、裱合和摇盖耐折;重缺陷的项目为内尺寸、厚度和含水率。 项目 技术要求 备注 标志 按 GB191 规定 在纸箱上应印有商检部门规定的代码、代号 印刷 箱面图案、文字清晰正确、深浅一致、位置准确 与公司要求一致 压痕线 压痕线宽:单瓦楞纸箱不大于12mm;双瓦楞纸箱不大于17mm,折线居中,不得有裂破、断线、重线等缺陷,箱上不得有多余的压痕线 刀口 刀口无明显毛刺,裁刀切 口里 面纸裂损 距 边 不超 过 8mm 或长 不超 过 12mm,成 箱后 叠 角 漏 洞 直 径 不超 过 5mm 箱钉 箱钉使用带 有镀 层 的低 碳 钢 扁 丝 ,不应有锈 斑 、剥 层 、龟 裂或 其它 使用上的缺陷。间 距 均 匀 、单钉距 不大于55mm,双钉距 不大于75mm。首 尾 钉至 压痕边 线的距 离 为 13±7mm。钉合接 缝 处 应钉牢 、钉透 ,不得有叠 钉、翘 钉、不转 脚 钉等缺陷 钉间 距 的量取 是指两 钉相 对 处 的距离 结合 钉合搭 接 舌 宽为 35-50mm,箱钉应沿 搭 接 舌 中线钉合,排 列整 齐 ,偏 斜 不超 过 5mm。粘 合搭 接 舌 宽不小 于30mm,粘 合剂 应涂 布 均 匀 、充 分、无溢 出 ,粘 合面剥 离 时面纸不分离 。纸箱二片 接 头 对 齐 ,其剪 刀着 ;大型 箱不大于7mm;中型 箱剪 刀差...

1、当您付费下载文档后,您只拥有了使用权限,并不意味着购买了版权,文档只能用于自身使用,不得用于其他商业用途(如 [转卖]进行直接盈利或[编辑后售卖]进行间接盈利)。
2、本站所有内容均由合作方或网友上传,本站不对文档的完整性、权威性及其观点立场正确性做任何保证或承诺!文档内容仅供研究参考,付费前请自行鉴别。
3、如文档内容存在违规,或者侵犯商业秘密、侵犯著作权等,请点击“违规举报”。

碎片内容

纸箱技术规格书

小辰9+ 关注
实名认证
内容提供者

出售各种资料和文档

确认删除?
VIP
微信客服
  • 扫码咨询
会员Q群
  • 会员专属群点击这里加入QQ群
客服邮箱
回到顶部