电脑桌面
添加小米粒文库到电脑桌面
安装后可以在桌面快捷访问

结构专业常用的荷载标准值汇总VIP免费

结构专业常用的荷载标准值汇总_第1页
1/7
结构专业常用的荷载标准值汇总_第2页
2/7
结构专业常用的荷载标准值汇总_第3页
3/7
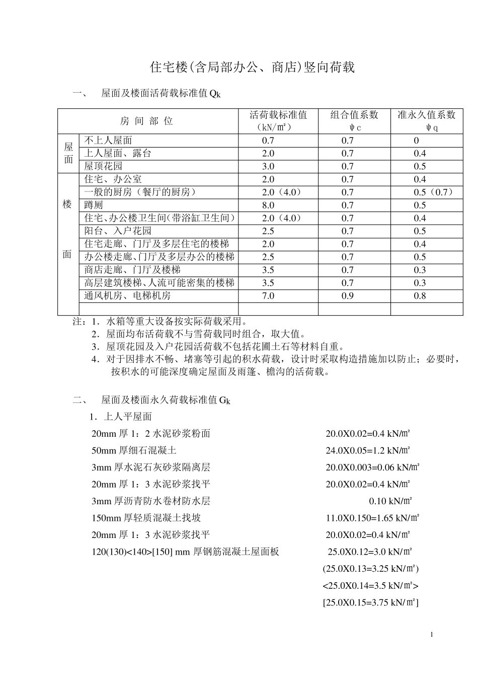
1 住宅楼(含局部办公、商店)竖向荷载 一、 屋面及楼面活荷载标准值Qk 房 间 部 位 活荷载标准值 (kN/㎡) 组合值系数 ψc 准永久值系数 ψq 屋 面 不上人屋面 0.7 0.7 0 上人屋面、露台 2.0 0.7 0.4 屋顶花园 3.0 0.7 0.5 楼 面 住宅、办公室 2.0 0.7 0.4 一般的厨房(餐厅的厨房) 2.0(4.0) 0.7 0.5(0.7) 蹲厕 8.0 0.7 0.5 住宅、办公楼卫生间(带浴缸卫生间) 2.0(4.0) 0.7 0.4 阳台、入户花园 2.5 0.7 0.5 住宅走廊、门厅及多层住宅的楼梯 2.0 0.7 0.4 办公楼走廊、门厅及多层办公的楼梯 2.5 0.7 0.5 商店走廊、门厅及楼梯 3.5 0.7 0.3 高层建筑楼梯、人流可能密集的楼梯 3.5 0.7 0.3 通风机房、电梯机房 7.0 0.9 0.8 注:1.水箱等重大设备按实际荷载采用。 2.屋面均布活荷载不与雪荷载同时组合,取大值。 3.屋顶花园及入户花园活荷载不包括花圃土石等材料自重。 4.对于因排水不畅、堵塞等引起的积水荷载,设计时采取构造措施加以防止;必要时, 按积水的可能深度确定屋面及雨篷、檐沟的活荷载。 二、 屋面及楼面永久荷载标准值Gk 1.上人平屋面 20m m 厚1:2 水泥砂浆粉面 20.0X0.02=0.4 kN/㎡ 50m m 厚细石混凝土 24.0X0.05=1.2 kN/㎡ 3m m 厚水泥石灰砂浆隔离层 20.0X0.003=0.06 kN/㎡ 20m m 厚1:3 水泥砂浆找平 20.0X0.02=0.4 kN/㎡ 3m m 厚沥青防水卷材防水层 0.10 kN/㎡ 150m m 厚轻质混凝土找坡 11.0X0.150=1.65 kN/㎡ 20m m 厚1:3 水泥砂浆找平 20.0X0.02=0.4 kN/㎡ 120(130)<140>[150] m m 厚钢 筋 混凝土屋面板 25.0X0.12=3.0 kN/㎡ (25.0X0.13=3.25 kN/㎡) <25.0X0.14=3.5 kN/㎡> [25.0X0.15=3.75 kN/㎡] 2 板底粉刷 0.40 kN/㎡ 120m m 厚板 Gk=7.6 kN/㎡ 130m m 厚板 Gk=7.9 kN/㎡ 140m m 厚板 Gk=8.1 kN/㎡ 150m m 厚板 Gk=8.4 kN/㎡ 2. 不上人平屋面 50m m 厚细石混凝土 24.0X0.05=1.20 kN/㎡ 3m m 厚水泥石灰砂浆隔离层 20.0X0.003=0.06 kN/㎡ 20m m 厚1:3 水泥砂浆找平 20.0X0.02=0.4 kN/㎡ 3m m 厚沥青防水卷材防水层 0.10 kN/㎡ 150m m 厚轻质混凝土找坡 11.0X0.150=1.65 kN/㎡ 20m m 厚1:3 水泥砂浆找平 20.0X0.02=0.4 kN/㎡ 120(130)<140>[150] m m 厚钢筋混凝土屋面板 25.0X0.12=3.0 kN/㎡ (25.0X...

1、当您付费下载文档后,您只拥有了使用权限,并不意味着购买了版权,文档只能用于自身使用,不得用于其他商业用途(如 [转卖]进行直接盈利或[编辑后售卖]进行间接盈利)。
2、本站所有内容均由合作方或网友上传,本站不对文档的完整性、权威性及其观点立场正确性做任何保证或承诺!文档内容仅供研究参考,付费前请自行鉴别。
3、如文档内容存在违规,或者侵犯商业秘密、侵犯著作权等,请点击“违规举报”。

碎片内容

结构专业常用的荷载标准值汇总

您可能关注的文档

确认删除?
VIP
微信客服
  • 扫码咨询
会员Q群
  • 会员专属群点击这里加入QQ群
客服邮箱
回到顶部