电脑桌面
添加小米粒文库到电脑桌面
安装后可以在桌面快捷访问

结构力学公式大全VIP免费

结构力学公式大全_第1页
1/38
结构力学公式大全_第2页
2/38
结构力学公式大全_第3页
3/38
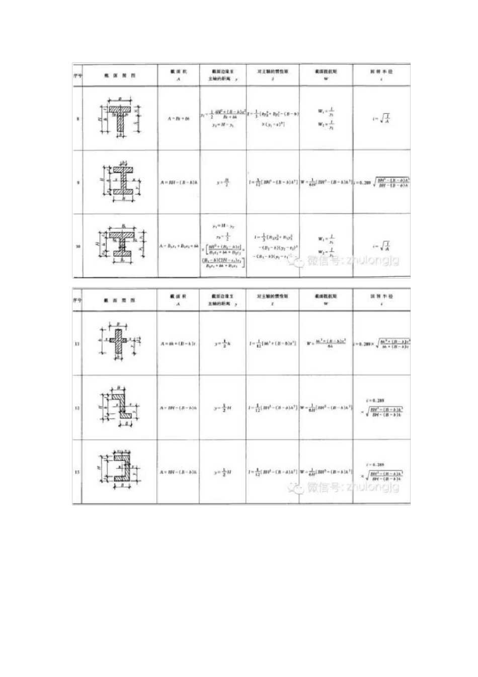
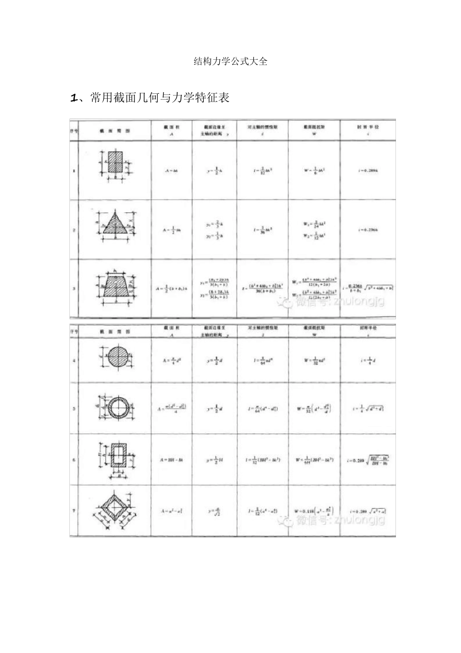
结构力学公式大全 1、常用截面几何与力学特征表 注 : 1. I 称 为 截 面 对 主 轴 ( 形 心 轴 ) 的 截 面 惯 性 矩 ( mm4) 。 基 本 计 算 公 式 如下 : 2. W 称 为 截 面 抵 抗 矩 ( mm3) , 它 表 示 截 面 抵 抗 弯 曲 变 形 能 力 的 大 小 , 基 本计 算 公 式 如 下 : 3. i 称 截 面 回 转 半 径 ( mm) , 其 基 本 计 算 公 式 如 下 : 4. 上 列 各 式 中 , A 为 截 面 面 积 ( mm2) , y 为 截 面 边 缘 到 主 轴 ( 形 心 轴 ) 的 距离 ( mm) , I 为 对 主 轴 ( 形 心 轴 ) 的 惯 性 矩 。 5. 上 列 各 项 几 何 及 力 学 特 征 , 主 要 用 于 验 算 构 件 截 面 的 承 载 力 和 刚 度 。 2、单跨梁的 内力 及 变 形 表 2.1 简 支 梁 的 反 力 、剪力 、弯矩、挠度 2.2 悬 臂 梁 的 反 力 、剪力 、弯矩和挠度 2.3 一 端 简 支 另 一 端 固 定 梁 的 反 力 、剪力 、弯矩和挠度 2.4 两 端 固 定 梁 的 反 力 、剪力 、弯矩和挠度 2.5 外 伸 梁 的 反 力 、剪力 、弯矩和挠度 3. 等 截 面 连 续 梁 的 内力及变形表 3.1 二跨等跨梁的内力和挠度系数 注 : 1. 在 均 布 荷 载 作 用 下 : M= 表 中 系 数 ×ql2; V= 表 中 系 数 ×ql; 。 2. 在 集 中 荷 载 作 用 下 : M= 表 中 系 数 ×Fl; V= 表 中 系 数 ×F; 。 [例 1] 已 知 二 跨 等 跨 梁 l= 5m, 均 布 荷 载 q= 11.76kN/m, 每 跨 各 有 一 集中 荷 载 F= 29.4kN, 求 中 间 支 座 的 最 大 弯 矩 和 剪 力 。 [解 ] MB 支 = ( - 0.125×11.76×52) + ( - 0.188×29.4×5) = ( - 36.75) + ( -27.64) = - 64.39kN·m VB 左 = ( - 0.625×11.76×5) + ( - 0.688×29.4) = ( - 36.75) + ( - 20.23) = - 56.98kN [例 2] 已 知 三 跨 等 跨 梁 l= 6m, 均 布 荷 载 q= 11.76kN/m, 求 边 跨 最 大 跨 中弯 矩 。 [解 ] M1= 0.080×11.76×62= 33.87kN·m。 3.2...

1、当您付费下载文档后,您只拥有了使用权限,并不意味着购买了版权,文档只能用于自身使用,不得用于其他商业用途(如 [转卖]进行直接盈利或[编辑后售卖]进行间接盈利)。
2、本站所有内容均由合作方或网友上传,本站不对文档的完整性、权威性及其观点立场正确性做任何保证或承诺!文档内容仅供研究参考,付费前请自行鉴别。
3、如文档内容存在违规,或者侵犯商业秘密、侵犯著作权等,请点击“违规举报”。

碎片内容

结构力学公式大全

您可能关注的文档

确认删除?
VIP
微信客服
  • 扫码咨询
会员Q群
  • 会员专属群点击这里加入QQ群
客服邮箱
回到顶部