电脑桌面
添加小米粒文库到电脑桌面
安装后可以在桌面快捷访问

继电保护实操VIP免费

继电保护实操_第1页
1/29
继电保护实操_第2页
2/29
继电保护实操_第3页
3/29
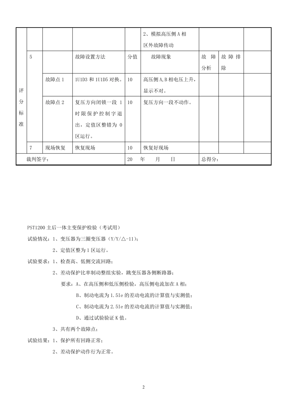
1 继电保护Ⅱ级技能操作题 1. (难)PST1200 主后一体主变保护检验 PST1200 主后一体主变保护检验(评分用) 试验条件: 1、变压器为三圈变压器(Y/Y/△-11); 2、定值区整为 1 区运行。 试验项目:1、检查高、中、低侧交流回路; 2、差动保护比率制动整组实验,跳变压器各侧断路器。 要求:A、制动电流分别为 1.5Ie(Icd=1.7A, Ih=5.196A, IL=5.577A)和 2.5Ie(Icd=2.7A, Ih=8.66A, IL=9.867A); B、制动系数为 0.5 C、电流加在高压侧和低压侧(高压侧 A 相区内故障); 3、共有两个故障点。 试验结果:1、保护所有回路正常; 2、差动保护动作行为正常。 满分 100 分。考试时间 40 分钟。 姓名 单位 操作时间 时 分---- 时 分 累计用时 分 序号 项目 要求 分值 评分细则 得分 记事 1 安措 试验前安全措施合理,全面,正确。 20 1、检查主变保护屏后ZKK、主变保护屏 QK原始位置 2、记录压板位置 3、定值区号 4、断开 PT 5、短接 CT 2 试验接线 正确阅读端子排图,原理图。并按图接线。 10 连接电流输入端子 连接电压输入端子 3 校验项目 1 校验主变差动保护比率制动特性定值 40 1、正确投退硬压板 软压板 2 评 分 标 准 2、模拟高压侧A 相 区外故障传动 5 故障设置方法 分值 故障现象 故障分析 故障排除 故障点1 1U1D3 和1U1D5 对换。 10 高压侧A,B 相电压上升,显示不对。 故障点2 复压方向闭锁一段1时限保护控制字退出,定值区整错为0区运行。 10 复压方向一段不动作。 7 现场恢复 恢复现场 10 恢复好现场 裁判签字: 20 年 月 日 总得分: PST1200 主后一体主变保护检验(考试用) 试验情况:1、变压器为三圈变压器(Y/Y/△-11); 2、定值区整为1 区运行。 试验要求:1、检查高、低侧交流回路; 2、差动保护比率制动整组实验,跳变压器各侧断路器; 要求:A、在高压侧和低压侧检验,高压侧电流加在 A 相; B、制动电流为1.5Ie 的差动电流的计算值与实测值; C、制动电流为2.5Ie 的差动电流的计算值与实测值; D、通过试验验证 K 值。 3、共有两个故障点; 试验结果:1、保护所有回路正常; 2、差动保护动作行为正常。 3 附:定值清单 继电保护与系统自动装置整定值通知书 第 2008/10 号 二次谐波闭锁原理的差动保护整定值清单 序号 定值名称 代码 定值内容 单位 01 控制字 KG 1C00 无...

1、当您付费下载文档后,您只拥有了使用权限,并不意味着购买了版权,文档只能用于自身使用,不得用于其他商业用途(如 [转卖]进行直接盈利或[编辑后售卖]进行间接盈利)。
2、本站所有内容均由合作方或网友上传,本站不对文档的完整性、权威性及其观点立场正确性做任何保证或承诺!文档内容仅供研究参考,付费前请自行鉴别。
3、如文档内容存在违规,或者侵犯商业秘密、侵犯著作权等,请点击“违规举报”。

碎片内容

继电保护实操

确认删除?
VIP
微信客服
  • 扫码咨询
会员Q群
  • 会员专属群点击这里加入QQ群
客服邮箱
回到顶部