电脑桌面
添加小米粒文库到电脑桌面
安装后可以在桌面快捷访问

房屋修缮工程施工机械计划表VIP免费

房屋修缮工程施工机械计划表_第1页
1/7
房屋修缮工程施工机械计划表_第2页
2/7
房屋修缮工程施工机械计划表_第3页
3/7
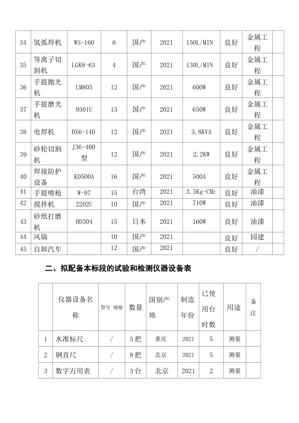
一、房屋修缮工程施工机械方案表序 号设备名称型号规格数量国别 产地制造年 份额定功率 (KW)生产 水平用于施 工部位备 注1圆锯MIY-MH-18015日本20211150W良好木工2砂轮切割 机ZIE-MH-110C20日本2021430W良好木工3万能木工 机20255U15国产20211380W良好木工4曲线锯MIA-MH-656日本202150W良好木工5射钉枪SDQ-30726国产20211.2 焦良好木工6冲击钻2122U35国产2021600W良好木工7手电钻JIZ-MH60 C30日本2021240W良好木工8机梳机MIQMH-6512日本2021520W良好木工9大小锣机9521U16国产2021430W良好木工10施工检测 工具JLC 型24国产2021良好木工11单钉枪F3022国产20210.4-0.7-Mpa良好木工12纹钉枪P-62218国产20210.4-0.7-Mpa良好木工13拉钉枪①3-① 5-mm16国产202112mm良好木工14空气压缩VV-0.320PALMA 2021/20213良好木工机15气钉枪PTK1445日本2021/2021良好木工16风批M311-1116台湾20210.4-0.7-Mpa良好木工17电刨9710U12日本2021500W良好木工18台钻JK-1613国产2021750W良好木工19开孔器①4520日本2021良好木工20大风泵W-0.9-8Kg8国产20217500W良好通风21小风泵W-0.5-8Kg12国产20214000W良好通风22卷板机U-3056国产20214000W良好铝材23弯管机U-1108国产20211000W良好铝材24总配电箱12国产2021良好供电25分配电箱20国产2021良好供电26手提云石 切割机UV-11013日本20211.2KW良好石材27手提抛光 机LM80518国产2021600W良好石材28手提磨光 机9301U18国产2021650W良好石材29水磨抛光 机M314-3515意大利2021 ( L17M3/M3IN良好石材30云石磨光 机HM314-249意大利2021 0 L17M3/M3IN良好石材31水力云石 切割机1-UU5意大利20214500W良好石材32云石毕孔 机TD-20 型3国产20212200W良好石材33打胶机MIY-MH-1 80R512日本20211150W良好玻璃34氢弧焊机WS-1606国产2021150L/MIN良好金属工 程35等离子切 割机LGK8-634国产2021130L/MIN良好金属工 程36手提抛光 机LM80512国产2021600W良好金属工 程37手提磨光 机9301U13国产2021650W良好金属工 程38电焊机BX6-14012国产20213.8KVA良好金属工 程39砂轮切割 机J36-400型12国产20212.2KW良好金属工 程40焊接防护 设备KD500A16国产2021500A良好金属工 程41手提喷枪W-9715台湾20213.5Kg-CM2良好油漆42搅拌机2202U10国产2021710W良好油漆43砂纸打磨 机HD30415日本2021160W良好油漆44风镐10国产2021良好园建45自卸汽车12国产2021良好/二、拟配备本标段的试验和检测仪器设备表仪器设备名称型号...

1、当您付费下载文档后,您只拥有了使用权限,并不意味着购买了版权,文档只能用于自身使用,不得用于其他商业用途(如 [转卖]进行直接盈利或[编辑后售卖]进行间接盈利)。
2、本站所有内容均由合作方或网友上传,本站不对文档的完整性、权威性及其观点立场正确性做任何保证或承诺!文档内容仅供研究参考,付费前请自行鉴别。
3、如文档内容存在违规,或者侵犯商业秘密、侵犯著作权等,请点击“违规举报”。

碎片内容

房屋修缮工程施工机械计划表

您可能关注的文档

精品文库+ 关注
实名认证
内容提供者

该用户很懒,什么也没介绍

确认删除?
VIP
微信客服
  • 扫码咨询
会员Q群
  • 会员专属群点击这里加入QQ群
客服邮箱
回到顶部