电脑桌面
添加小米粒文库到电脑桌面
安装后可以在桌面快捷访问

灯具安装工程施工方案VIP专享VIP免费

灯具安装工程施工方案_第1页
1/9
灯具安装工程施工方案_第2页
2/9
灯具安装工程施工方案_第3页
3/9
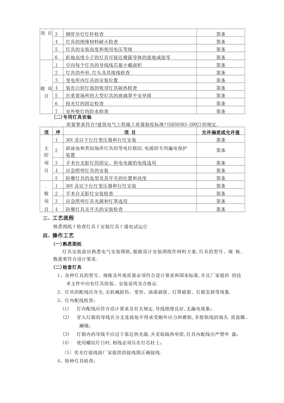
、〔一〕作业条件1、灯具安装有关的建筑和构筑物的土建工程质量应符合现行的建筑工程施工质量验收标准中的有关规定.2、灯具安装前建筑工程应满足:〔1〕对灯具安装有阻碍的模板、脚手架必须撤除.〔2〕顶棚、地面等抹灰工作必须完成,地面清理工作应结束,房门可以关锁的情况 下安装.3、在结构施工中配合土建己做好灯具安装所需预埋件的预埋工作.4、安装灯具用的接线盒口已修好.5、成排或对称及组成几何形状的灯具安装前应进行测量画线.〔二〕材料要求1、灯具:各种灯具的型号、规格必须符合设计要求和国家标准的规定.配件齐全, 无机械损伤、变形、油漆剥落、灯罩破裂和灯箱歪翘等现象,各种型号的照明灯 具应有出厂合格证、“CCC〞认证标志和认证证书复印件,进场时做验收检查井 做好记录.2、灯具导线:灯具配线严禁外露,灯具使用导线电压等级不低于交流 500V,引向每个灯具的导线线芯最小不小于.3、灯座:无机械损伤、变形、破裂等现象.4、塑料〔木〕台:塑料台应有足够的强度,受力后无弯翘变形等现象.木台应完整、无劈裂,油漆完好无脱落.5、吊管:钢管做灯具吊管时,钢管内径不小于 10mm,钢管壁厚不小于.6、吊钩;固定花灯的吊钩其圆钢直径不小于灯具吊挂销、钩的直径不小于 6mm, 对于大型花灯、吊装花灯的固定及悬吊装置应按灯具重量的 2 倍做过载试验.7、瓷接头:应完好、无损,配件齐全.8、支架:艰据灯具的重量选用相应规格的镀锌材料做支架.9、其他材料:白炽灯、荧光灯、镇流器、启辉器、吊盒、绝缘带、软塑料管、塑料胀管、木螺丝、螺栓、螺母、垫圈等.〔三〕主要机具1、卷尺、小线、线坠、水平尺、铅笔、平安带等.2、手锤、扎锥、剥线钳、扁口钳、尖嘴钳、丝锥、一字或十字改锥等.3、台钻、电钻、电锤、工具袋、高凳等.4、万用表、兆欧表等.5、电烙铁、焊锡、焊剂、电工常用工具等.二、质量要求〔一〕常用灯具安装质量要求符合?建筑电气工程施工质量验收标准?〔GB50303-2002〕的规定.项序项 目允许偏差或允许值主 控1灯具的固定第条2花灯吊钩选用、固定及悬吊装置的过载试验第条施工准备项 目 3钢管吊灯灯杆检查第条4灯具的绝缘材料耐火检查第条5灯具的安装高度和使用电压等级第条6距地高度小于的灯具可接近裸露导体的接地或接零第条.般 项 目1引向每个灯具的导线线芯最小截面积第条2灯具的外形,灯头及其接线检查第条3变电所内灯具的安装位置第条4装有白炽灯泡的吸顶灯具隔热检查第条5在重要场所的大型灯具的玻璃罩平安举措第条6投光...

1、当您付费下载文档后,您只拥有了使用权限,并不意味着购买了版权,文档只能用于自身使用,不得用于其他商业用途(如 [转卖]进行直接盈利或[编辑后售卖]进行间接盈利)。
2、本站所有内容均由合作方或网友上传,本站不对文档的完整性、权威性及其观点立场正确性做任何保证或承诺!文档内容仅供研究参考,付费前请自行鉴别。
3、如文档内容存在违规,或者侵犯商业秘密、侵犯著作权等,请点击“违规举报”。

碎片内容

灯具安装工程施工方案

确认删除?
VIP
微信客服
  • 扫码咨询
会员Q群
  • 会员专属群点击这里加入QQ群
客服邮箱
回到顶部