电脑桌面
添加小米粒文库到电脑桌面
安装后可以在桌面快捷访问

无障碍施工组织方案VIP免费

无障碍施工组织方案_第1页
1/11
无障碍施工组织方案_第2页
2/11
无障碍施工组织方案_第3页
3/11
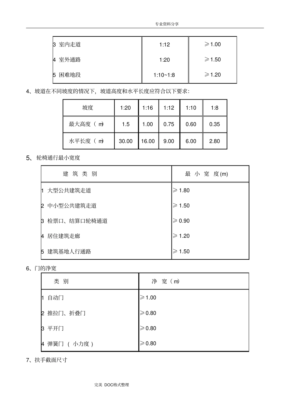
专业资料分享完美 DOC格式整理目录第一节工程概况⋯⋯⋯⋯⋯⋯⋯⋯⋯⋯⋯⋯⋯⋯⋯⋯⋯⋯⋯⋯⋯⋯2 第二节无障碍设计说明⋯⋯⋯⋯⋯⋯⋯⋯⋯⋯⋯⋯⋯⋯⋯⋯⋯⋯⋯2 第三节施工工艺⋯⋯⋯⋯⋯⋯⋯⋯⋯⋯⋯⋯⋯⋯⋯⋯⋯⋯⋯⋯⋯⋯7 第四节验收说明⋯⋯⋯⋯⋯⋯⋯⋯⋯⋯⋯⋯⋯⋯⋯⋯⋯⋯⋯⋯⋯⋯12 第一节工程概况一、工程概况1、工程名称:专业资料分享完美 DOC格式整理2、工程地点:3、建设单位:4、勘察单位:5、设计单位:6、监理单位:7、施工单位:8、工程规模:第二节无障碍设计说明一、设计规范和依据1、城市道路和建筑物无障碍设计规范JGJ50-2001;2、中南地区建筑标准设计《建筑图集3》—建筑无障碍05ZJ301;3、在不同位置的坡道,其坡度和宽度应符合以下要求:坡 道 位 置最 大 坡 度最小宽度( m)1 有台阶的建筑入口2 只设坡道的建筑入口1:12 1:20 ≥1.20 ≥1.50 专业资料分享完美 DOC格式整理3 室内走道4 室外通路5 困难地段1:12 1:20 1:10~1:8 ≥1.00 ≥1.50 ≥1.20 4、坡道在不同坡度的情况下,坡道高度和水平长度应符合以下要求:坡度1:20 1:16 1:12 1:10 1:8 最大高度( m)1.5 1.00 0.75 0.60 0.35 水平长度( m)30.00 16.00 9.00 6.00 2.80 5、轮椅通行最小宽度建 筑 类 别最 小 宽 度 (m) 1 大型公共建筑走道2 中小型公共建筑走道3 检票口、结算口轮椅通道4 居住建筑走廊5 建筑基地人行通路≥ 1.80 ≥ 1.50 ≥ 0.90 ≥ 1.20 ≥ 1.50 6、门的净宽类 别净宽( m)1 自动门2 推拉门、折叠门3 平开门4 弹簧门 ( 小力度 ) ≥1.00 ≥0.80 ≥0.80 ≥0.80 7、扶手截面尺寸专业资料分享完美 DOC格式整理类 别截面尺寸( mm)圆 形 扶 手35~45(直径)矩 形 扶 手35~45(宽度)8、无障碍居室与设计要求名称设计 要 求卧 铺1 单人卧室,应大于或等于10.5m2。2 双人卧室,应大于或等于7.00 m2。3 兼起居室的卧室,应大于1 m2。4 橱柜挂衣杆高度,应小于或等于1.40m;其深度应小于或等于0.60m。5 应有直接采光和自然通风。起居室(厅)1 起居室应大于或等于14.00 m2。2 墙面、门洞及家具位置,应符合轮椅通行。停留及回转的使用要求。3 橱柜高度,应小于或等于1.20 m;深度应小于或等于0.40 m。4 应有良好的朝向和视野。9、无障碍设施与设计要求部位设 计 要求位置厨房应布置在门口附近,以方便轮椅进出,要有直接采光和自...

1、当您付费下载文档后,您只拥有了使用权限,并不意味着购买了版权,文档只能用于自身使用,不得用于其他商业用途(如 [转卖]进行直接盈利或[编辑后售卖]进行间接盈利)。
2、本站所有内容均由合作方或网友上传,本站不对文档的完整性、权威性及其观点立场正确性做任何保证或承诺!文档内容仅供研究参考,付费前请自行鉴别。
3、如文档内容存在违规,或者侵犯商业秘密、侵犯著作权等,请点击“违规举报”。

碎片内容

无障碍施工组织方案

文库当当响+ 关注
实名认证
内容提供者

该用户很懒,什么也没介绍

确认删除?
VIP
微信客服
  • 扫码咨询
会员Q群
  • 会员专属群点击这里加入QQ群
客服邮箱
回到顶部