电脑桌面
添加小米粒文库到电脑桌面
安装后可以在桌面快捷访问

明沟排水施工工艺标准超值VIP免费

明沟排水施工工艺标准超值_第1页
1/3
明沟排水施工工艺标准超值_第2页
2/3
明沟排水施工工艺标准超值_第3页
3/3
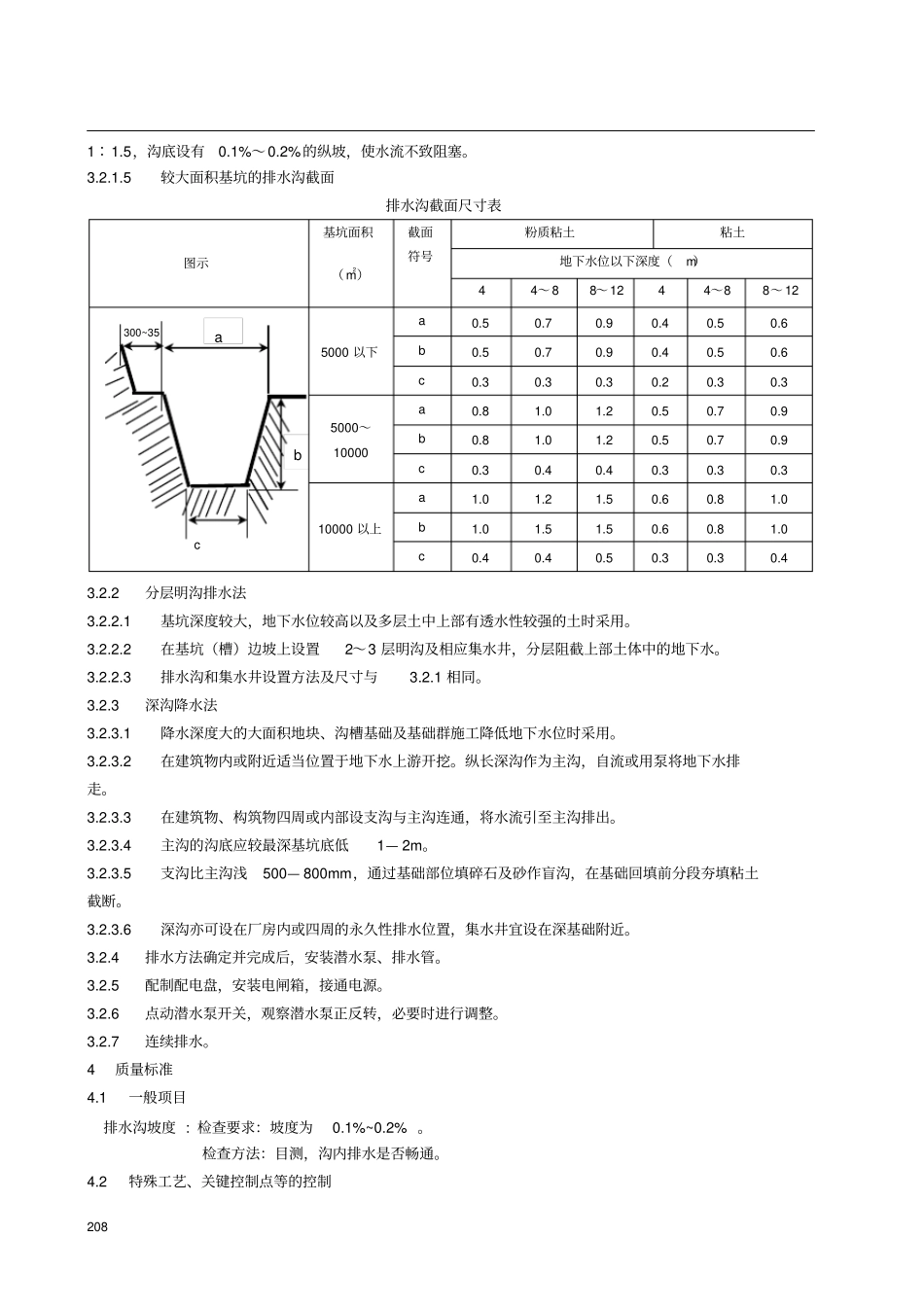
207 1 适用范围施工降排水。2 施工准备2.1 主要使用材料及要求2.1.1排水管:用直径38— 55mm 的胶皮管或带钢丝的塑料透明管。2.1.28#铁线:有出厂合格证明。2.1.3 潜水泵开关:20— 40A ,有出厂合格证明。2.1.4 漏电保护器: 40A ,有出厂合格证明。2.2 主要工机具设备2.2.1 机具设备潜水泵:常用的潜水泵型号为QY — 25,扬程为 25m,流量为 15m3/h,使用范围为18— 25m,电动机功率为 2.2kw 。2.2.2主要工具尖平头铁锹、铁镐、橇棍等。2.3 作业条件2.3.1岩土工程勘察报告已具备;2.3.2 根据地下水位深度、土层的渗透系数已确定排水方案;2.3.3路床、基坑(槽)已按要求开挖;2.3.4夜间施工作业时,施工场地已根据需要安装照明设施。2.4 作业人员2.4.1 现场所有作业人员在入场前须进行安全教育和培训。2.4.2电器操作人员必须持证上岗。2.4.3钳工、运转工,已经过技术培训,并接受了施工技术交底。3 施工工艺3.1 工艺流程3.2 操作工艺3.2.1 普通明沟排水法3.2.1.1在路床与基坑(槽)的周围一侧或两侧设置排水边沟,每隔20— 30m 设置一集水井,使地下水汇集于井内。3.2.1.2集中井的截面为600× 600~800×800,井底保持低于沟底0.4~1.0m,井壁用竹笼、木板加固。3.2.1.3若一侧设排水沟,应设在地下水的上游。3.2.1.4 一般小面积的基坑(槽)排水沟深0.3~0.6m,底宽等于或大于0.4m,水沟的边坡为1∶ 1~测量放线挖集水井集水井放竹笼安装排水管安装潜水泵挖排水沟抽水208 1∶1.5,沟底设有0.1%~0.2%的纵坡,使水流不致阻塞。3.2.1.5较大面积基坑的排水沟截面排水沟截面尺寸表图示基坑面积( m2)截面符号粉质粘土粘土地下水位以下深度(m)4 4~ 8 8~ 12 4 4~8 8~ 12 c 5000 以下a 0.5 0.7 0.9 0.4 0.5 0.6 b 0.5 0.7 0.9 0.4 0.5 0.6 c 0.3 0.3 0.3 0.2 0.3 0.3 5000~10000 a 0.8 1.0 1.2 0.5 0.7 0.9 b 0.8 1.0 1.2 0.5 0.7 0.9 c 0.3 0.4 0.4 0.3 0.3 0.3 10000 以上a 1.0 1.2 1.5 0.6 0.8 1.0 b 1.0 1.5 1.5 0.6 0.8 1.0 c 0.4 0.4 0.5 0.3 0.3 0.4 3.2.2 分层明沟排水法3.2.2.1基坑深度较大,地下水位较高以及多层土中上部有透水性较强的土时采用。3.2.2.2在基坑(槽)边坡上设置2~3 层明沟及相应集水井,分层阻截上部土体中的地下水。3.2.2.3 排水沟和集水井设置方法及尺寸与3.2.1 相同。3.2.3 深沟降水法3....

1、当您付费下载文档后,您只拥有了使用权限,并不意味着购买了版权,文档只能用于自身使用,不得用于其他商业用途(如 [转卖]进行直接盈利或[编辑后售卖]进行间接盈利)。
2、本站所有内容均由合作方或网友上传,本站不对文档的完整性、权威性及其观点立场正确性做任何保证或承诺!文档内容仅供研究参考,付费前请自行鉴别。
3、如文档内容存在违规,或者侵犯商业秘密、侵犯著作权等,请点击“违规举报”。

碎片内容

明沟排水施工工艺标准超值

确认删除?
VIP
微信客服
  • 扫码咨询
会员Q群
  • 会员专属群点击这里加入QQ群
客服邮箱
回到顶部