电脑桌面
添加小米粒文库到电脑桌面
安装后可以在桌面快捷访问

智能三相电压电流表说明书VIP免费

智能三相电压电流表说明书_第1页
1/7
智能三相电压电流表说明书_第2页
2/7
智能三相电压电流表说明书_第3页
3/7
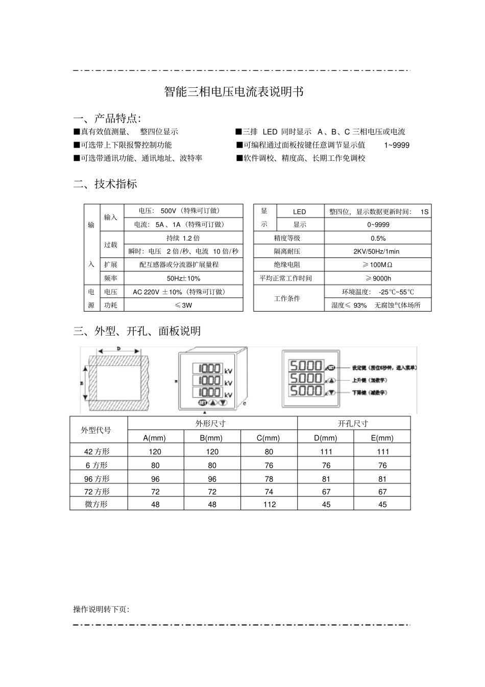
智能三相电压电流表说明书一、产品特点:■真有效值测量、 整四位显示■三排 LED 同时显示 A 、B、C 三相电压或电流■可选带上下限报警控制功能■可编程通过面板按键任意调节显示值1~9999 ■可选带通讯功能、通讯地址、波特率■软件调校、精度高、长期工作免调校二、技术指标输入输入电压: 500V(特殊可订做)显示LED 整四位,显示数据更新时间: 1S 电流: 5A 、1A (特殊可订做)显示0~9999 过载持续 1.2 倍精度等级0.5% 瞬时:电压2 倍 /秒、电流 10 倍/秒隔离耐压2KV/50Hz/1min 扩展配互感器或分流器扩展量程绝缘电阻≥ 100MΩ频率50Hz±10% 平均正常工作时间≥ 9000h 电源电压AC 220V ±10%(特殊可订做)工作条件环境温度: -25℃~55℃功耗≤ 3W 湿度≤ 93% 无腐蚀气体场所三、外型、开孔、面板说明外型代号外形尺寸开孔尺寸A(mm) B(mm)C(mm) D(mm) E(mm) 42 方形120 120 80 111 111 6 方形80 80 76 76 76 96 方形96 96 78 81 81 72 方形72 72 74 67 67 微方形48 48 112 45 45 操作说明转下页:四、操作说明注 :按键大于 6 秒钟,进入编程菜单。设定数值大小。接线示意图转下页:显示值:(0~9999)键设定其数值数值意义如下:=5 (AC 5A )=100(AC 100A/5A )=300 (AC300A/5A )=2000(AC2000A/5 )依次类推⋯⋯标称值 :5A、10V、500V (特殊可订做)例:现将数值由5 改为 300。( AC5A 改为AC300A/5A )注:电流以 5A 为基准按键进入下一菜单报警设置:(0~9999)键设定其数值数值意义如下:=上限报警显示值≥ HALr 时,上限继电器报警=下限报警显示值≤ LALr 时,下限继电器报警现将其设定为: 0 (此项为扩展功能,订货需注明)。按键进入下一菜单通讯地址:(0~240)键设定其数值数值意义如下:=1 (RS485 通讯地址: 1)=2 (RS485 通讯地址: 2)=3 (RS485 通讯地址: 3)依次类推⋯⋯设定范围 0~240 (此项为扩展功能,订货需注明)(默认地址: 1)按键进入下一菜波特率:共 3 种可选键设定其数值数值意义如下:=4800 (波特率 =4800)=9600 (波特率 =9600)=19200(9200) (波特率: 19200)(默认波特率: 9600)按键保存并退出

1、当您付费下载文档后,您只拥有了使用权限,并不意味着购买了版权,文档只能用于自身使用,不得用于其他商业用途(如 [转卖]进行直接盈利或[编辑后售卖]进行间接盈利)。
2、本站所有内容均由合作方或网友上传,本站不对文档的完整性、权威性及其观点立场正确性做任何保证或承诺!文档内容仅供研究参考,付费前请自行鉴别。
3、如文档内容存在违规,或者侵犯商业秘密、侵犯著作权等,请点击“违规举报”。

碎片内容

智能三相电压电流表说明书

爱的疯狂+ 关注
实名认证
内容提供者

该用户很懒,什么也没介绍

确认删除?
VIP
微信客服
  • 扫码咨询
会员Q群
  • 会员专属群点击这里加入QQ群
客服邮箱
回到顶部