电脑桌面
添加小米粒文库到电脑桌面
安装后可以在桌面快捷访问

智能压力变送器作业指导书1汇总VIP免费

智能压力变送器作业指导书1汇总_第1页
1/15
智能压力变送器作业指导书1汇总_第2页
2/15
智能压力变送器作业指导书1汇总_第3页
3/15
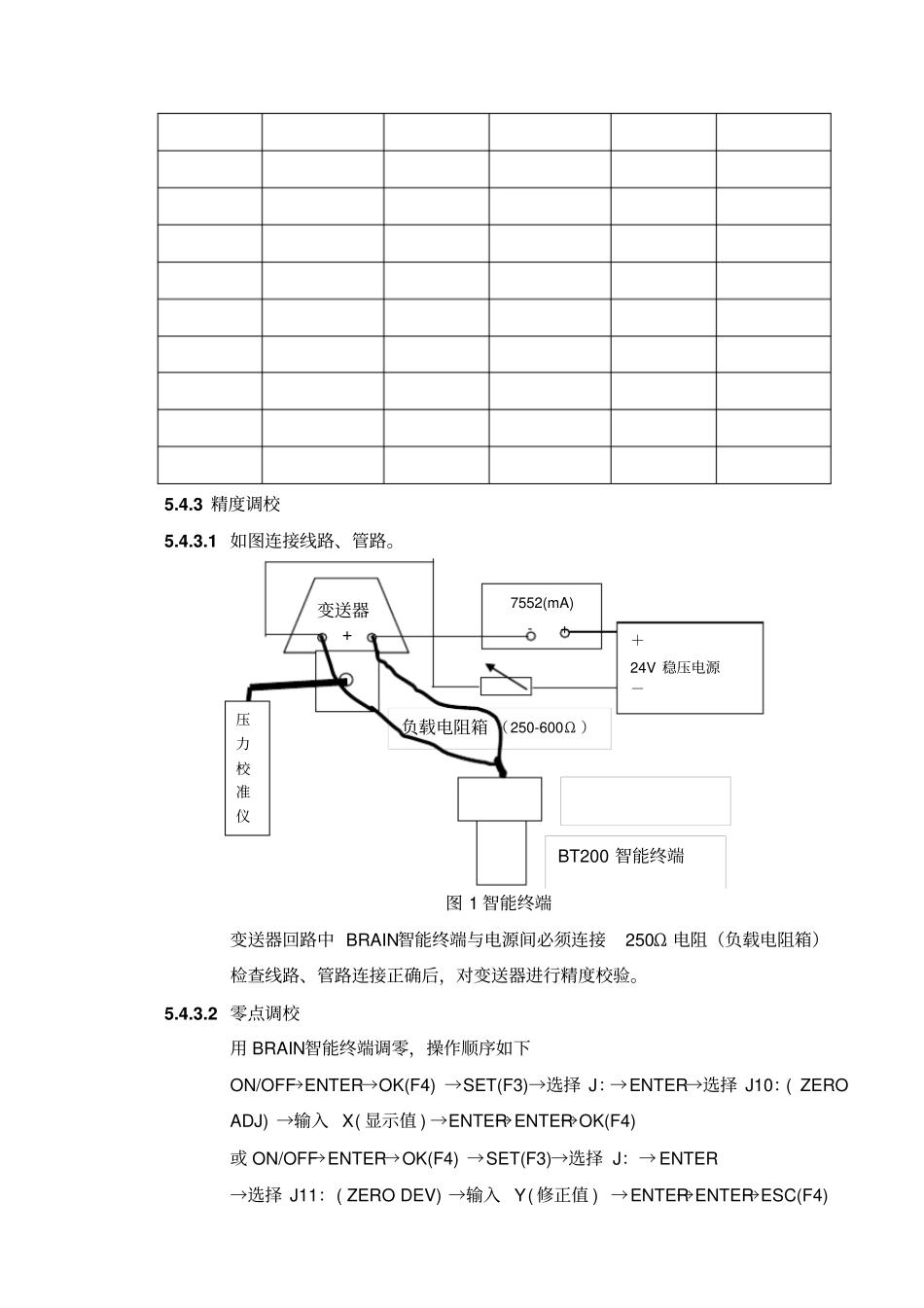
一、细则1. 目的用于智能压力变送器单体调试2. 范围适用于 BRAIN协议通讯的系列智能压力变送器3. 责任和权限3.1 负责调试技术的主管施工员应在调试前负责编写调试技术方案,并依据经批准的调试方案进行调试;负责对调试记录中数据的正确性进行审核;必要时,通知该项目调试人员重新复试;对调试记录中的调试项目数据是否符合规范要求负责;不合格仪表会同监理、业主等有关人员检查、确认后,退库处理。3.2 参加调试的人员应熟知调试工作内容、规范、标准;依据调试方案中确定的方法进行调试;认真填写调试记录;维护调试用标准仪器、设备;对调试结果的真实性、正确性和有效性负责。4. 依据标准4.1《自动化仪表工程施工及验收规范》GB50093— 2002 4.2 《石油、化工仪表工程施工技术规程》SHJ3521-1999 5. 工作程序5.1 所需仪器设备序号仪器名称参考仪器型号备注1 标准压力校准仪PPC 精度和规格符合规范2 数字多用表7552 精度和规格符合规范3 负载电阻箱0~9999Ω精度和规格符合规范4 BRAIN智能终端BT200 协议通讯符合要求5 24 VDC稳压电源0~30VDC可调5.2 调校环境条件5.2.1 周围清洁、光线充足、通风良好。5.2.2 环境温度在 10-35℃之间,相对湿度不大于85%。5.2.3 有上、下水和符合调校要求的电源及仪表空气源。5.2.4 避开振动大、灰尘多、噪声大和有强磁场干扰的地方。5.3 调校前的准备工作5.3.1 制定调校技术方案,进行技术交底。5.3.2 熟悉仪表说明书、仪表规格书;掌握仪表性能及操作要求。5.3.3 标准仪器要具备有效的检定合格证;基本误差的绝对值不应超过被校仪表基本误差绝对值的 1/3。5.4 调校方法5.4.1 外观检查5.4.1.1 铭牌及设备的型号、规格、材质、测量范围、显示部分、使用电源等技术条件应符合设计要求。5.4.1.2 无变形、损伤、油漆脱落、零件丢失等缺陷;外形主要尺寸、连接尺寸符合设计要求5.4.1.3 端子、接头固定件等应完整;附件齐全。5.4.1.4 合格证及检定证书齐备。5.4.2参数整定5.4.2.1 智能变送器的工作状态为数字通讯方式或模拟通讯方式;调校时将它设定在模拟通讯方式(便于监视输出电流) 。5.4.2.2 参照仪表规格书输入仪表的位号(TAG)、工程单位 (UNIT) 、量程上限 (LRV)、量程下限 (URV)、输出特性 (Xfer fnctn)、阻尼时间常数 (Damp)、小信号切除 (Low cut) 、监视器工程单位等到参数。5.4.2.3 将设置好的参数值填入表1 中。表 1 智能仪表功能参数记录表...

1、当您付费下载文档后,您只拥有了使用权限,并不意味着购买了版权,文档只能用于自身使用,不得用于其他商业用途(如 [转卖]进行直接盈利或[编辑后售卖]进行间接盈利)。
2、本站所有内容均由合作方或网友上传,本站不对文档的完整性、权威性及其观点立场正确性做任何保证或承诺!文档内容仅供研究参考,付费前请自行鉴别。
3、如文档内容存在违规,或者侵犯商业秘密、侵犯著作权等,请点击“违规举报”。

碎片内容

智能压力变送器作业指导书1汇总

确认删除?
VIP
微信客服
  • 扫码咨询
会员Q群
  • 会员专属群点击这里加入QQ群
客服邮箱
回到顶部