电脑桌面
添加小米粒文库到电脑桌面
安装后可以在桌面快捷访问

2施工升降机检测作业指导书VIP免费

2施工升降机检测作业指导书_第1页
1/8
2施工升降机检测作业指导书_第2页
2/8
2施工升降机检测作业指导书_第3页
3/8
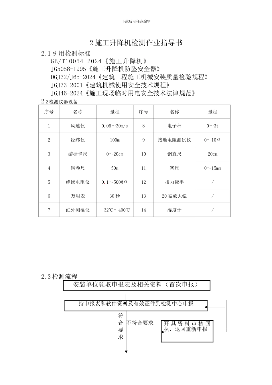
下载后可任意编辑2 施工升降机检测作业指导书2.1 引用检测标准GB/T10054-2024《施工升降机》JG5058-1995《施工升降机防坠安全器》DGJ32/J65-2024《建筑工程施工机械安装质量检验规程》JGJ33-2001《建筑机械使用安全技术规程》JGJ46-2024《施工现场临时用电安全技术法律规范》2.2 检测仪器设备序号名称量程序号名称量程1风速仪0.05~30m/s8电子秤0~3t2经纬仪100m9接地电阻测试仪0~10Ω3游标卡尺0~20cm10钢直尺20cm4钢卷尺50m11塞尺0~15mm5绝缘电阻仪0.1~500MΩ12扭力扳手/6万用表30 秒1320 被放大镜/7红外测温仪-32℃~400℃14湿度计/2.3 检测流程安装单位领取申报表及相关资料(首次申报) 符合 不符合要求 要 求 持申报表和软件资料及有效证件到检测中心申报开 具 资 料 审 核 回执,退回重新申报下载后可任意编辑办理手续,开具申报回执五个工作日内安排检测,检测前一日通知受检单位施工现场硬件检测,填写安装质量检测原始纪录,出具意见书一次检测合格 一次检测不合格三个工作日内持装拆登记册及意见回复单到检测中心领取检测报告及合格证,并登记 结束2.3.1 委托单位填写委托检验申报表及相关资料2.3.2 对软件资料进行审核,符合要求的开现场检测登记单,不符合要求或者缺少资料的退回重新申报。需审核的资料包括:1) 安装单位资质证书及等级第一次申报需提供原件查看备案,第二次申报可提供复印件,注明施工场地并盖安装单位章。2) 安装单位安全生产许可证第一次申报需提供原件查看备案,第二次申报可提供复印件,注明施工场地并盖安装单位章。3) 生产厂家特种设备制造(生产)许可证第一次申报需提供原件查看备案,第二次申报可提供复印件,注明施工场地并盖安装单位章。4) 监督检验合格证书、出厂合格证整改后将意见书回复单在要求期内反馈至检测中心经审查后,检测中心根据具体情况安排复检复检后三日内凭装拆登记册到检测中心领取检测报告,并登记下载后可任意编辑需提供有国家技术质量监督总局对新出厂的塔式起重机实行制造监督检验合格证,出厂产品合格证。5) 安装人员操作上岗证书第一次申报需提供原件查看备案,第二次申报可提供复印件,注明施工场地并盖安装单位章。6) 防坠(限速)器标定检测报告标定有效期为一年,使用有效期为五年。7) 使用说明书说明书应与现场实际机型一致。8) 基础地耐力报告基础地耐力报告应如实填写,达不到标准的要有地基处理方案,方案应有企业及监理审批并签字盖章...

1、当您付费下载文档后,您只拥有了使用权限,并不意味着购买了版权,文档只能用于自身使用,不得用于其他商业用途(如 [转卖]进行直接盈利或[编辑后售卖]进行间接盈利)。
2、本站所有内容均由合作方或网友上传,本站不对文档的完整性、权威性及其观点立场正确性做任何保证或承诺!文档内容仅供研究参考,付费前请自行鉴别。
3、如文档内容存在违规,或者侵犯商业秘密、侵犯著作权等,请点击“违规举报”。

碎片内容

2施工升降机检测作业指导书

确认删除?
VIP
微信客服
  • 扫码咨询
会员Q群
  • 会员专属群点击这里加入QQ群
客服邮箱
回到顶部