电脑桌面
添加小米粒文库到电脑桌面
安装后可以在桌面快捷访问

b临时施工用电专项方案VIP免费

b临时施工用电专项方案_第1页
1/9
b临时施工用电专项方案_第2页
2/9
b临时施工用电专项方案_第3页
3/9
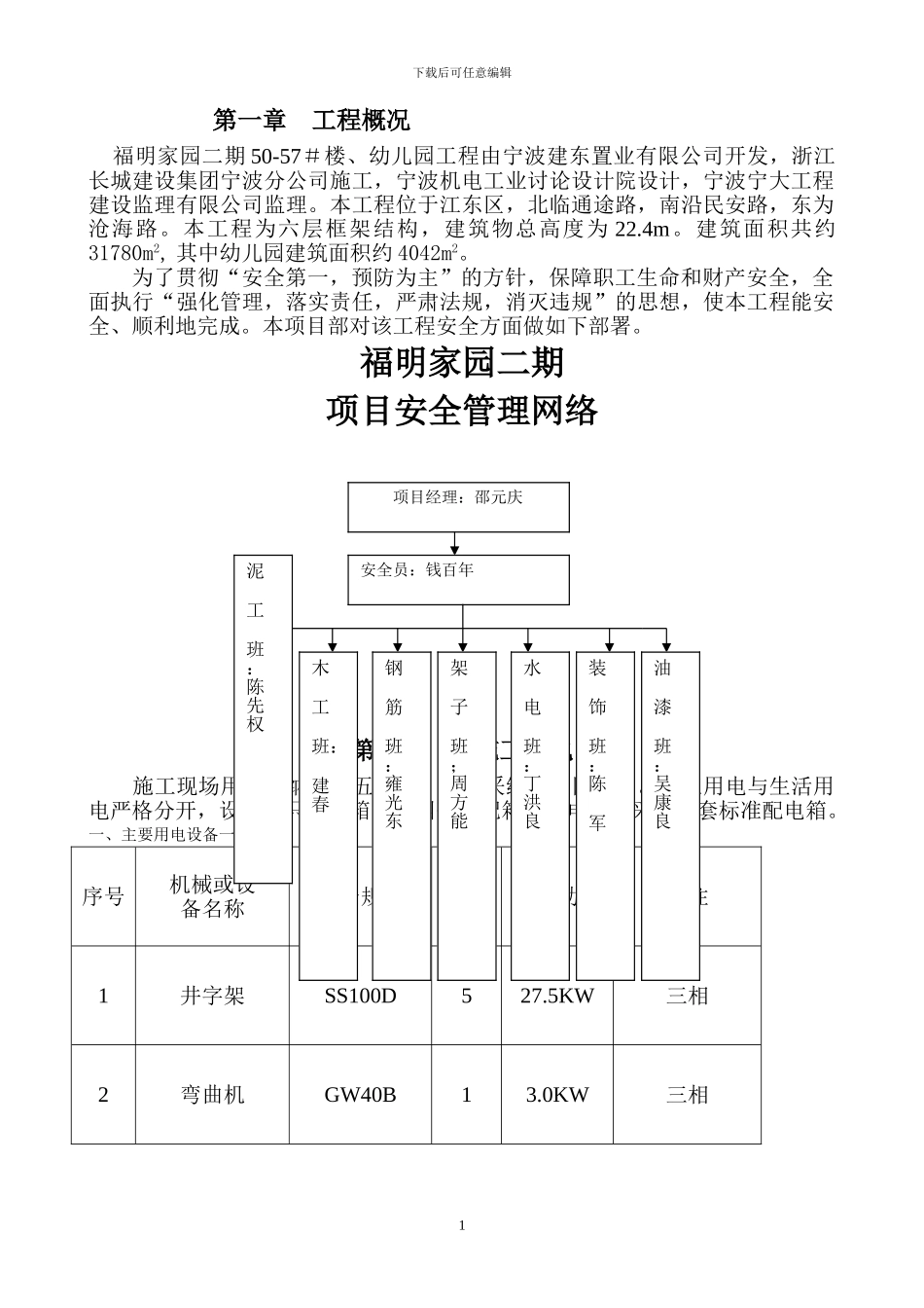
下载后可任意编辑 第一章 工程概况 福明家园二期 50-57#楼、幼儿园工程由宁波建东置业有限公司开发,浙江长城建设集团宁波分公司施工,宁波机电工业讨论设计院设计,宁波宁大工程建设监理有限公司监理。本工程位于江东区,北临通途路,南沿民安路,东为沧海路。本工程为六层框架结构,建筑物总高度为 22.4m。建筑面积共约31780m2, 其中幼儿园建筑面积约 4042m2。为了贯彻“安全第一,预防为主”的方针,保障职工生命和财产安全,全面执行“强化管理,落实责任,严肃法规,消灭违规”的思想,使本工程能安全、顺利地完成。本项目部对该工程安全方面做如下部署。 福明家园二期项目安全管理网络第二章 施工用电施工现场用电采纳三相五线制,照明采纳三相四线制。施工用电与生活用电严格分开,设置一只总配箱,设四个分配箱。配电箱均采纳成套标准配电箱。一、主要用电设备一览表:序号机械或设备名称型号规格数量额定功率备注1井字架SS100D527.5KW三相2弯曲机GW40B13.0KW三相1项目经理:邵元庆安全员:钱百年泥工班:陈先权木工班:建春钢筋班:雍光东架子班;周方能水电班:丁洪良装饰班:陈军油漆班:吴康良下载后可任意编辑3调直机Y132M-415.5KW三相4切断机GQ4012.2KW三相5对焊机UN1-1001100KW三相6切割机Y90L-212.2KW三相7搅拌机JZC350L527.5KW三相8圆盘锯国产36.6KW三相9电焊机BX3-630127.3kw三相10水泵WQK15-15-2.21022KW三相11插入式振动棒ZN-501015KW三相12碘钨灯(大太阳)210KW二相13碘钨灯88KW单相2下载后可任意编辑14照明用灯及食堂用电6020KW单相二、福明家园二期 50-57#楼、幼儿园工程施工临时用电网络3甲供总配电室总 箱 1 2动力箱3动力箱钢筋机械4照明箱1动力箱对焊机专用箱下载后可任意编辑三、用电量计算总箱及 1#—4#分配箱用电量计算计算公式:I=K×P/√3×U×cosØ K 为需要系数取 0.6,cosØ=0.7一)1#动力箱(对焊机专用箱)对焊机用电 P=100.0KVA电流 I=K×P/√3×U×cosØ =0.6×100×103 /1.732×380×0.7 =130A总配电箱至对焊机专用箱选用 VV-3×35+2×10 电缆。当其室外温度为 35℃时,最大电流量为 175>130。符合要求对焊机专用箱隔离开关选用 DZ20L-160/4300 (100A)漏电开关选用 AB100-40/3 (100A)二)2#动力箱用电 P=6.6+27.5+27.5+15=76.6KW电流 I=K×P/√3×U×cosØ =0.6×76.6×103 /1.732×380×0.7 =99.4A总配电箱至 2#分配电箱选用 VV-5×25 电缆当其室外温度为 35...

1、当您付费下载文档后,您只拥有了使用权限,并不意味着购买了版权,文档只能用于自身使用,不得用于其他商业用途(如 [转卖]进行直接盈利或[编辑后售卖]进行间接盈利)。
2、本站所有内容均由合作方或网友上传,本站不对文档的完整性、权威性及其观点立场正确性做任何保证或承诺!文档内容仅供研究参考,付费前请自行鉴别。
3、如文档内容存在违规,或者侵犯商业秘密、侵犯著作权等,请点击“违规举报”。

碎片内容

b临时施工用电专项方案

确认删除?
VIP
微信客服
  • 扫码咨询
会员Q群
  • 会员专属群点击这里加入QQ群
客服邮箱
回到顶部