电脑桌面
添加小米粒文库到电脑桌面
安装后可以在桌面快捷访问

SMW工法施工报价分析VIP免费

SMW工法施工报价分析_第1页
1/5
SMW工法施工报价分析_第2页
2/5
SMW工法施工报价分析_第3页
3/5
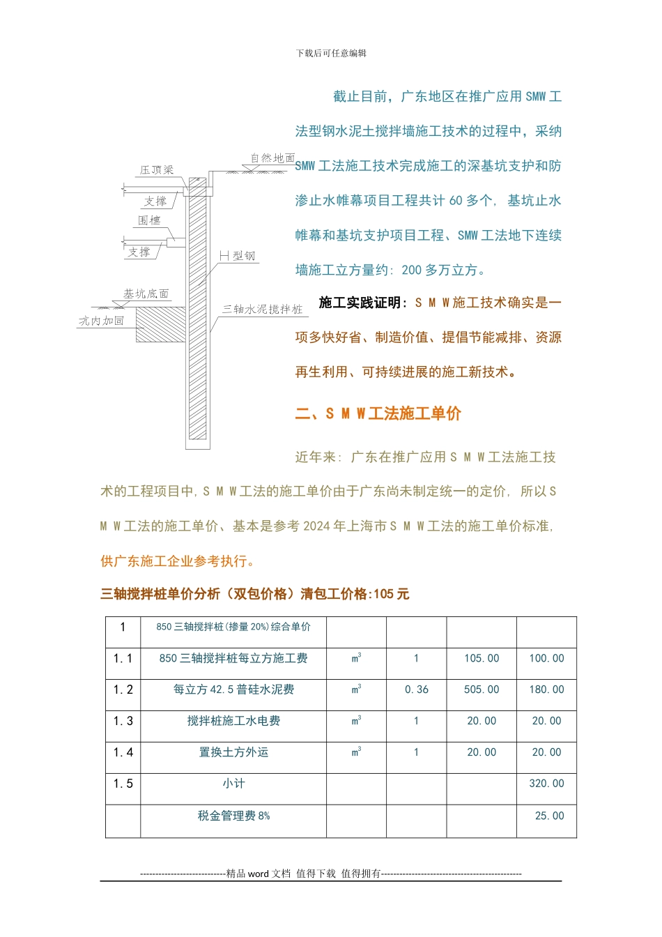
下载后可任意编辑百年基础 倾力打造上 海 工 程 机 械 厂 有 限 公 司 一、 SMW 工法简介: 型钢水泥土搅拌墙,通常称为SMW 工法(Soil Mixed Wall),是一种在连续套接的三轴水泥土搅拌桩内插入型述钢形成的复合挡土隔水结构,即利用三轴搅拌桩钻机在原地层中切削土体,同时钻机前端低压注入水泥浆液,与切碎土体充分搅拌形成隔水性较高的水泥土柱列式挡墙,在水泥土浆液尚未硬化前插入型钢的一种地下工程施工技术。 SMW 工法具有:型钢水泥土搅拌墙是一种由水泥土搅拌桩柱列式挡墙和型钢(一般采纳 H 型钢)组成的复合围护结构,同时具有隔水和承担水土侧压力的功能。与其他围护形式相比,型钢水泥土搅拌墙具有以下特点: (1) 对周围环境影响小(2) 防渗性能好(3) 环保节能(4) 适用土层范围广(5) 工期短,投资省----------------------------精品 word 文档 值得下载 值得拥有----------------------------------------------下载后可任意编辑 截止目前,广东地区在推广应用 SMW 工法型钢水泥土搅拌墙施工技术的过程中,采纳SMW 工法施工技术完成施工的深基坑支护和防渗止水帷幕项目工程共计 60 多个, 基坑止水帷幕和基坑支护项目工程、SMW 工法地下连续墙施工立方量约: 200 多万立方。施工实践证明: S M W 施工技术确实是一项多快好省、制造价值、提倡节能减排、资源再生利用、可持续进展的施工新技术。二、S M W 工法施工单价近年来: 广东在推广应用 S M W 工法施工技术的工程项目中, S M W 工法的施工单价由于广东尚未制定统一的定价, 所以 S M W 工法的施工单价、基本是参考 2024 年上海市 S M W 工法的施工单价标准, 供广东施工企业参考执行。三轴搅拌桩单价分析(双包价格)清包工价格:105 元1850 三轴搅拌桩(掺量 20%)综合单价1.1850 三轴搅拌桩每立方施工费m31105.00100.001.2每立方 42.5 普硅水泥费m30.36505.00180.001.3搅拌桩施工水电费m3120.0020.001.4置换土方外运m3120.0020.001.5小计320.00税金管理费 8%25.00----------------------------精品 word 文档 值得下载 值得拥有----------------------------------------------下载后可任意编辑合计345.00备注:(1)本工程报价是双包价格; 含水泥材料费、含水电费、含置换土外运费,含税金管理费。(2)不含设备进出场费。(3)850 三轴搅拌桩每立方施工费;100 元(不含税)型钢施工单价含 6...

1、当您付费下载文档后,您只拥有了使用权限,并不意味着购买了版权,文档只能用于自身使用,不得用于其他商业用途(如 [转卖]进行直接盈利或[编辑后售卖]进行间接盈利)。
2、本站所有内容均由合作方或网友上传,本站不对文档的完整性、权威性及其观点立场正确性做任何保证或承诺!文档内容仅供研究参考,付费前请自行鉴别。
3、如文档内容存在违规,或者侵犯商业秘密、侵犯著作权等,请点击“违规举报”。

碎片内容

SMW工法施工报价分析

元素商铺+ 关注
实名认证
内容提供者

欢迎挑选合适的文档

确认删除?
VIP
微信客服
  • 扫码咨询
会员Q群
  • 会员专属群点击这里加入QQ群
客服邮箱
回到顶部