电脑桌面
添加小米粒文库到电脑桌面
安装后可以在桌面快捷访问

三轴水泥搅拌桩施工方案VIP免费

三轴水泥搅拌桩施工方案_第1页
1/9
三轴水泥搅拌桩施工方案_第2页
2/9
三轴水泥搅拌桩施工方案_第3页
3/9
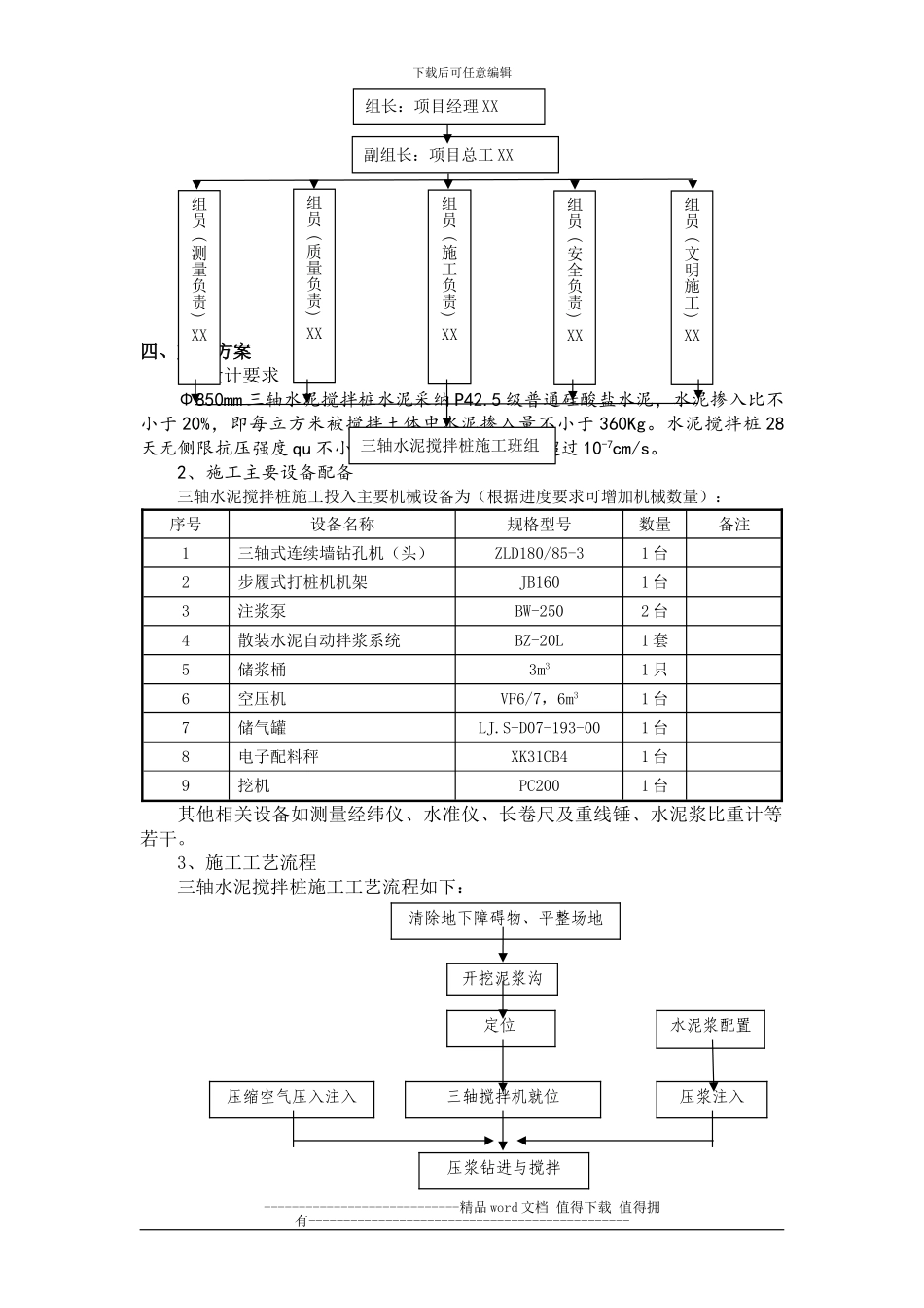
下载后可任意编辑本页为作品封面,下载后可以自由编辑删除,欢迎下载!!! 精 品文档1【精品 word 文档、可以自由编辑!】一、工程概况本工程隧道主体围护结构在基坑深度小于 10m 时采纳 Φ800mm 的钻孔灌注桩+三轴水泥搅拌桩止水帷幕。三轴水泥搅拌桩施工范围为:K1+615~K1+795及 K2+585~K2+765,分基坑南北两侧,桩径均为 Φ850mm,桩间距 1.8m,桩与桩之间搭接 25cm,桩长根据基坑深度分为 10m、12m、15m、17m、18m 五种。二、编制依据1、XX《基坑围护工程设计施工图》;2、XX《工程地质勘查报告》;3、《建筑地基基础工程施工质量验收法律规范》GB50202-2024;4、相关各地下管线权属单位交底记录;5、国家现行有关技术标准、规程、法律规范。三、组织管理机构----------------------------精品 word 文档 值得下载 值得拥有----------------------------------------------下载后可任意编辑四、施工方案1、设计要求Φ850mm 三轴水泥搅拌桩水泥采纳 P42.5 级普通硅酸盐水泥,水泥掺入比不小于 20%,即每立方米被搅拌土体中水泥掺入量不小于 360Kg。水泥搅拌桩 28天无侧限抗压强度 qu 不小于 1.0MPa,渗透系数不超过 10-7cm/s。2、施工主要设备配备三轴水泥搅拌桩施工投入主要机械设备为(根据进度要求可增加机械数量):序号设备名称规格型号数量备注1三轴式连续墙钻孔机(头)ZLD180/85-31 台2步履式打桩机机架JB1601 台3注浆泵BW-2502 台4散装水泥自动拌浆系统BZ-20L1 套5储浆桶3m31 只6空压机VF6/7,6m31 台7储气罐LJ.S-D07-193-001 台8电子配料秤XK31CB41 台9挖机PC2001 台其他相关设备如测量经纬仪、水准仪、长卷尺及重线锤、水泥浆比重计等若干。3、施工工艺流程三轴水泥搅拌桩施工工艺流程如下: ----------------------------精品 word 文档 值得下载 值得拥有----------------------------------------------组长:项目经理 XX副组长:项目总工 XX组员︵施工负责︶XX组员︵测量负责︶XX组员︵质量负责︶XX组员︵文明施工︶XX组员︵安全负责︶XX三轴水泥搅拌桩施工班组清除地下障碍物、平整场地开挖泥浆沟定位三轴搅拌机就位压浆钻进与搅拌压浆注入水泥浆配置压缩空气压入注入下载后可任意编辑4、施工准备①、熟悉并掌握设计施工图纸,充分了解设计意图,如有疑问,及时向设计单位报告解决。②、编制相关施工方案,并报业主、监理单位审批同意后执行。③、按要求对甲供材料进行抽样送检...

1、当您付费下载文档后,您只拥有了使用权限,并不意味着购买了版权,文档只能用于自身使用,不得用于其他商业用途(如 [转卖]进行直接盈利或[编辑后售卖]进行间接盈利)。
2、本站所有内容均由合作方或网友上传,本站不对文档的完整性、权威性及其观点立场正确性做任何保证或承诺!文档内容仅供研究参考,付费前请自行鉴别。
3、如文档内容存在违规,或者侵犯商业秘密、侵犯著作权等,请点击“违规举报”。

碎片内容

三轴水泥搅拌桩施工方案

您可能关注的文档

确认删除?
VIP
微信客服
  • 扫码咨询
会员Q群
  • 会员专属群点击这里加入QQ群
客服邮箱
回到顶部