电脑桌面
添加小米粒文库到电脑桌面
安装后可以在桌面快捷访问

专业知识部分--1--关于转发《建筑工程安全防护、文明施工措施费用及使用管理规定》的通知VIP免费

专业知识部分--1--关于转发《建筑工程安全防护、文明施工措施费用及使用管理规定》的通知_第1页
1/2
专业知识部分--1--关于转发《建筑工程安全防护、文明施工措施费用及使用管理规定》的通知_第2页
2/2
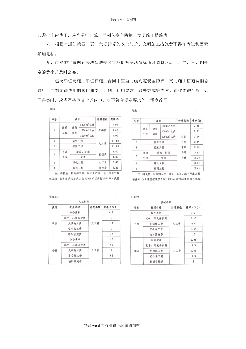
下载后可任意编辑专业知识部分—1关于转发《建筑工程安全防护、文明施工措施费用及使用管理规定》的通知(京建施[2024]802 号) 为加强建筑工程安全生产、文明施工管理,保障施工从业人员的作业条件和生活环境 ,防止施工安全事故发生,建设部印发了《建筑工程安全防护、文明施工措施费用及使用管理规定》(建办[2024]89 号,以下简称《管理规定》)。现将《管理规定》转发你们。同时,结合本市实际情况,补充如下具体规定,请一并遵照执行: 一、建筑工程安全防护、文明施工措施费用是根据国家现行的建筑施工安全、施工现场环境与卫生标准和有关规定及《北京市建设工程施工现场安全防护、场容卫生、环境保护及保卫消防标准》和《北京市建设工程施工现场生活区设置和管理标准》,购置和更新施工安全防护用具及设施、改善安全生产条件和作业环境所需要的费用。 二、建设单位、设计单位在编制工程概算时,应当依据北京市概算定额、费用定额及有关规定,合理确定工程安全防护、文明施工措施费。 三、建设工程标底编制应当根据现行计价办法执行,但临时设施费费率不得进行浮动。四、投标人编制投标文件时,应当根据以下办法计取安全防护、文明施工措施费: 1、按定额计价的工程,在投标报价总价中应当包括安全防护、文明施工措施费,但应当将安全防护、文明施工措施费单独列项。安全防护、文明施工措施费不得低于依据附表一规定的费率计算所需费用总额的 90%。 2、实行工程量清单计价的工程,措施项目清单中所列安全防护、文明施工措施费用,应当不低于根据附表二中规定的费率计取的费用。 五、房屋修缮工程的施工单位计取的环境保护费、文明施工费、安全施工费、临时设施费等安全防护、文明施工措施费用不得低于依据《北京市房屋修缮预算定额》中相应费率计算所需费用总额的 90%。 六、对房屋进行整体拆除的工程,建设单位在编制工程预算时,应当根据附表三、附表四规定的费率计算安全防护、文明施工措施费用。投标人投标时安全防护、文明施工措施费用的报价,不得低于依据附表三、附表四规定费率计算所需费用总额的 90%。 七、依据附表一、二、三、四计算的安全防护、文明施工措施费不包括由于施工中特别原因发生的如防护棚、防噪音设施等措施费用以及因施工场地狭小发生的租用临时用地的费用及相关交通费。----------------------------精品 word 文档 值得下载 值得拥有----------------------------------------------下载...

1、当您付费下载文档后,您只拥有了使用权限,并不意味着购买了版权,文档只能用于自身使用,不得用于其他商业用途(如 [转卖]进行直接盈利或[编辑后售卖]进行间接盈利)。
2、本站所有内容均由合作方或网友上传,本站不对文档的完整性、权威性及其观点立场正确性做任何保证或承诺!文档内容仅供研究参考,付费前请自行鉴别。
3、如文档内容存在违规,或者侵犯商业秘密、侵犯著作权等,请点击“违规举报”。

碎片内容

专业知识部分--1--关于转发《建筑工程安全防护、文明施工措施费用及使用管理规定》的通知

您可能关注的文档

确认删除?
VIP
微信客服
  • 扫码咨询
会员Q群
  • 会员专属群点击这里加入QQ群
客服邮箱
回到顶部